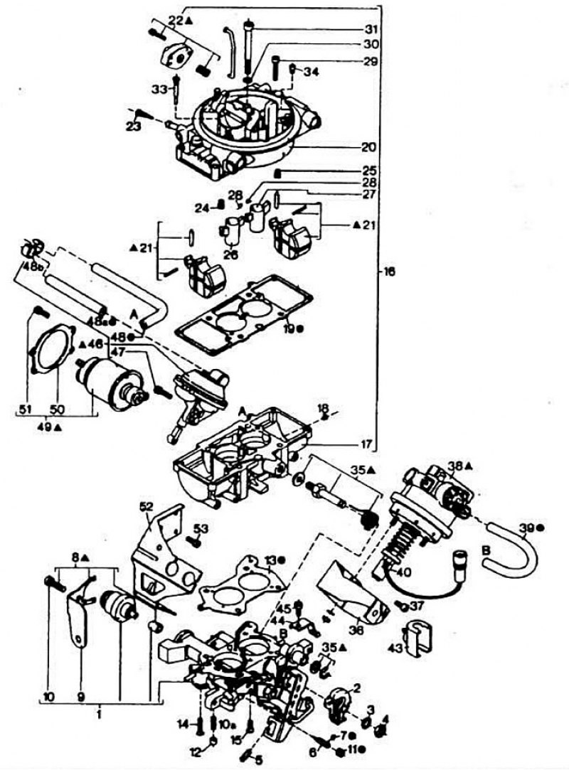
Основные детали карбюратора 2ВЕ «Экотроник»: 1 - корпус дроссельных заслонок с потенциометром положения дроссельной заслонки 1-й камеры; 6 - регулировочный винт качества (состава) смеси холостого хода; 13, 19 - прокладки; 17 - корпус поплавковых камер; 18 - топливный жиклер переходной системы 2-й камеры; 20 - крышка карбюратора; 21 - поплавки с игольчатыми клапанами; 22 - атмосферный клапан; 23 - входной топливный фильтр; 24, 25 - главные топливные жиклеры; 26, 27 - распылители; 23 - топливный жиклер холостого хода; 34 - воздушный жиклер переходной системы 2-й камеры; 38 - сервопривод дроссельной заслонки 1-й камеры; 46 - пневмопривод дроссельной заслонки 2-й камеры; 49 - сервопривод воздушной заслонки.
[Статья перепечатана с ресурса: autoinstruction.ru]
