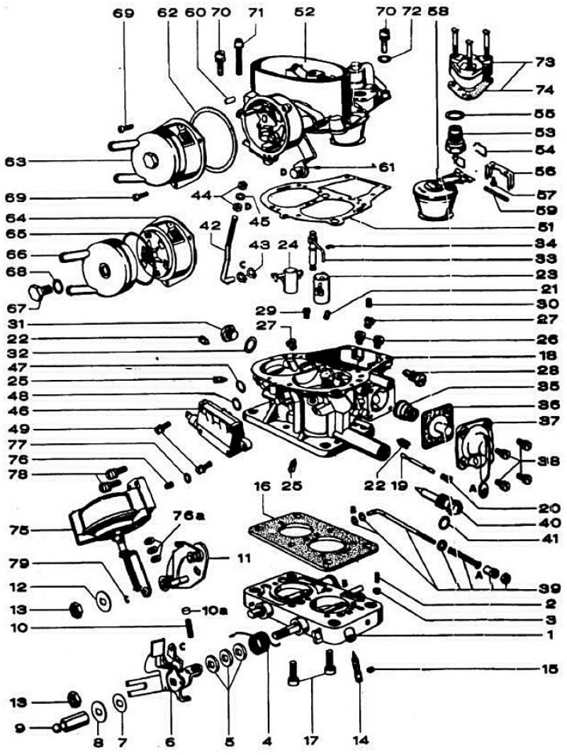
Основные детали карбюратора Solex 32/32 DIDTA с индексом «Е 17 386»: 1 - основание карбюратора; 2 - упорный винт дроссельной заслонки 1-й камеры; 4 - возвратная пружина; 6 - рычаг управления дроссельной заслонки 1-й камеры; 9 - гайка с шаровым наконечником; 10 - регулировочный винт количества смеси холостого хода; 11 - сектор привода дроссельной заслонки 1-й камеры; 14 - регулировочный винт подачи добавочного воздуха на холостом ходу; 16 - теплоизолирующая прокладка; 18 - корпус поплавковой камеры; 19 - ограничительная ось; 20 - заглушка; 21 - воздушный жиклер холостого хода; 23 - распылитель 1-й камеры; 24 - распылитель 2-й камеры; 25 - винт крепления распылителя; 26 - главный топливный жиклер; 27 - главный воздушный жиклер; 28 - топливный жиклер холостого хода; 29 - топливный жиклер переходной системы; 33 - распылитель ускорительного насоса; 36 - диафрагма ускорительного насоса; 37 - крышка ускорительного насоса; 39 - тяга привода ускорительного насоса; 40 - регулировочный винт качества (состава) смеси холостого хода; 42 - соединительная тяга пускового устройства; 46 - корпус подачи добавочного воздуха пускового устройства; 51 - прокладка поплавковой камеры; 52 - крышка карбюратора; 53-59 - игольчатый клапан, прокладка и поплавок поплавковой камеры; 61 - рычаг привода пускового устройства; 63 - корпус пускового устройства; 64 - экран биметаллической пружины; 65 - уплотнительная прокладка; 66 - жидкостная камера; 73, 74 - клапан обогащения смеси и его прокладка; 75 - вакуумный привод дроссельной заслонки 2-й камеры; 76 - редукционный жиклер.
