Назначение моторного масла
В эксплуатации моторное масло подвергается самым единообразным воздействиям. Поэтому очень трудно точно определить влияние различных эксплуатационных воздействий на средства смазки двигателя. Двигатели, длительное время работающие на высоких оборотах или с полной нагрузкой, разогреваются до высоких температур. Под влиянием высокой температуры и кислорода, содержащегося е воздухе начинается процесс окисления масла. От продуктов окисления масло густеет и могут образовываться лакообразные отложения на верхних частях поршней, в канавках под поршневые кольца и на стержнях клапанов. Это может привести к закоксовыванию головок клапанов.
При поступлении в цилиндры переобогащенной топливной смеси, или когда от двигателя редко или никогда не требует с я развитие полной мощности, или когда двигатель часто эксплуатируется в неразогретом состоянии (короткие поездки по городу), следствием является неполное сгорание топлива. Нагар, углероды масла, самонесгоревшее топливо и другие продукты сгорания, а также конденсаты влаги вызывают образование шлама, кислоты и асфальта. Несюревшее топливо попадает на холодные стенки цилиндров и стекает по ним в картер, при этом смывается масляная пленка со стенок цилиндров и поршней. Следствием этого является ухудшение смазки стенок цилиндров и разжижение масла, что влияет на его смазочные свойства в зависимости от количества, попавшего в него топлива.
При сильном разжижении масла следует произвести его досрочную замену. Так как при резком стиле вождения (горячий двигатель) частицы бензина испаряются в масле, следует контролировать уровень масла чаще зимой (многочисленные холодные запуски — высокая доля бензина в масле).
Вязкость моторного масла
Вязкость моторного масла изменяется с температурой. С разогревом масло разжижается. Это влияет на сцепляемость и устойчивостью к давлению масляной пленки. При охлаждении вязкость масла возрастает, причем увеличивается внутреннее сопротивление трения. Это свойство требует использования масла такой вязкости, которая бы при изменении температуры изменялась по возможности незначительно.
На холодном двигателе масло должно быть достаточно жидким. для того чтобы не затруднять работу стартера как можно быстрее проникать ко всем точкам смазки.
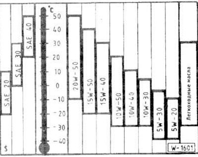
Вязкость идентична внутреннему трению масла и классифицируется по системе SAE (Society of Automotive Engineers), например SAE 30, SAE 10 и т.д. Высокие индексы присваиваются густым маслам, низкие — жидким.
Универсальное (всесезонное) масло
Для двигателей BMW должно применяться всесезонное масло. Всесезочные масла имеют то преимущество, что они работают в широком диапазоне температур (лето/зима). Основой всесезонного масла является сорт жидкого масла (например, 15W). Благодаря так называемому загустителю в горячем состоянии масло стабилизируется, таким образом сохраняя свои смазочные свойства при любых условиях эксплуатации. При применении всесезонных масел следует выбирать современные сорта, имеющие широкий температурный диапазон вязкости (например. 15 W-40, 15 W-50).
Буква «W» в обозначении SAE указывает на пригодность сорта масла в зимний период.
Легкоходные масла
При легкоходных маслах речь идет о всесезонном масле с добавкой, снижающей внутреннее трение, что может давать экономию гоп пива до 2 %. Легкоходные масла имеют низкую вязкость (например, 10 W-30). В качестве базовых здесь используются необычные масла (синтетические). При покупке легкоходного масла следует обращать внимание на разрешение BMW (написано на этикетке банки).
Диапазоны применения/Классы вязкости

Информация доступна на портале www.Autoinstruction.ru
Так как диапазоны применения сезонных масел соседних классов SAE перекрываются, на кратковременные изменения температуры можно не обращать внимания. Допускается смешивать масла различных классов вязкости, если требуется доливка масла, а окружающая температура уже не соответствует классу вязкости масла, залитого в двигатель.
Добавки — любого вида — не должны подмешиваться ни в масло, ни в топливо.
Спецификация моторных масел
Для современных двигателей разрешены только масла НО. Масла HD являются легированными маслами, смазочные свойства которых значительно улучшены за счет добавления различных химических веществ. Эти добавки обеспечивают хорошую антикоррозионную защиту, уменьшение активности окисления, особенно малую склонность к образованию шлама в картере, лучшие характеристики вязкости, очищающие и растворяющие свойства. Очищающие и растворяющие добавки не только уменьшают образование осадков в двигателе, но и одновременно обладают способностью растворять осадки и постоянно держать их. а также другие загрязнения в моторном масле б состоянии взвеси, гак что при смене масла они стекают вместе со старым маслом.
Параметры масел НО классифицируются по системе API (American Petroleum Institut). Европейские производители также придерживаются этой системы.
Обозначения двухбуквенные. Первая буква характеризует диапазон применения: S — Service, предназначено для бензиновых двигателей; С — Commercial, предназначено для дизельных двигателей. Вторая буква в алфавитном порядке характеризует сорт масла.
Высшими сортами масел являются масла SG для бензиновых двигателей и СЕ для дизельных двигзтелей ( по спецификации API).
Внимание: Моторные масла, четко обозначенные изготовителем как масла для дизельных двигателей, непригодны для бензиновых двигателей. Имеются масла, которые пригодны как для бензиновых, так и для дизельных двигателей. В этом случае на упаковке указываются обе спецификации (например. SF/CD).
Для автомобилей BMW с бензиновыми или дизельными двигателями пригодны следующие сорта масел: масла SF/SG, SG/ CD или SG/СЕ спецификации API.
В любом случае нужно обращать внимание на то, чтобы приобретаемое масло было допущено для эксплуатации на автомобилях BMW (написано на упаковке).
Расход масла
В двигателях внутреннего сгорания под расходом масла понимается то его количество, которое расходуется вследствие процесса сгорания. Нельзя приравнивать расход масла утечкам масла, происходящим в масляном картере, крышке головки цилиндров и т.д.
Нормальный расход масла получается в результате сгорания небольшого его количества в цилиндрах и его масла вместе с предметами сгорания и трения. К тому же происходит расход масла из-за высоких температур и давления, постоянно воздействующих на двигатель.
Помимо этого на расход масла влияют внешние условия эксплуатации, стиль вождения, а также допуски изготовления. Расход масла не должен превышать 1,5 л на 1000 км.
При опускании масла до уровня «Долить» следует обязательно доливать масло (при этом объем доливаемого масла составляет максимально 1 л).
