Бензиновый двигатель с рабочим объемом 1,2 л, двигатель FSI с рабочим объемом 1,4 л
Снятие
Слить охлаждающую жидкость, см. соответствующую главу.
Снять поликлиновый ремень.
Вывернуть болты крепления ременного шкива насоса охлаждающей жидкости.
Вывернуть болты крепления насоса охлаждающей жидкости и вынуть насос из блока цилиндров.
Внимание: Встроенное уплотнение насоса охлаждающей жидкости от насоса не отделять. При повреждении или негерметичности заменить насос в сборе с уплотнением.
Установка
Насос охлаждающей жидкости вставить в блок цилиндров и затянуть болты крепления моментом 25 Нм.
Болты крепления ременного шкива насоса охлаждающей жидкости затянуть моментом 20 Нм.
Установить поликлиновый ремень.
Залить охлаждающую жидкость, см. соответствующую главу.
Бензиновый двигатель с рабочим объемом 1,4 л, кроме двигателя FSI
Снятие
Внимание: Перед снятием насоса охлаждающей жидкости с целью защиты от вытекающей жидкости закрыть зубчатый ремень тряпкой.
Слить охлаждающую жидкость, см. соответствующую главу.
Снять зубчатый ремень.

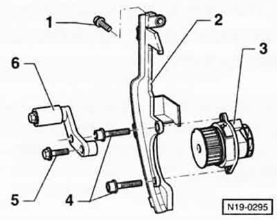
Вывернуть болт -5- и снять направляющий ролик -6-.
Вывернуть болты -1- и -4-, снять задний кожух -2- зубчатого ремня и вынуть насос охлаждающей жидкости -3-.
Внимание: Встроенное уплотнение насоса охлаждающей жидкости от насоса не отделять. При повреждении или негерметичности заменить насос в сборе с уплотнением.
Установка
Насос охлаждающей жидкости -3- вставить в блок цилиндров и от руки затянуть болтами -4- задний кожух зубчатого ремня. После этого болты крепления -4- затянуть моментом 20 Нм, а болт -1- затянуть моментом 10 Нм.
Установить направляющий ролик -6- и болт -5- затянуть моментом 50 Нм
Установить зубчатый ремень.
Залить охлаждающую жидкость, см. соответствующую главу.
