Инструкции и мануалы для ремонта автомобилей
Мобильная
версия
Статьи
и новости
Карта
сайта
Связь с
админом
Добавить
в закладки
  • Ауди
  • БМВ
  • Чери
  • Шевроле
  • Ситроен
  • Дэу
  • Фиат
  • Форд
  • Хонда
  • Хендай
  • Инфинити
  • Исузу
  • Джип
  • Лексус
  • Ленд Ровер
  • Мазда
  • Мерседес
  • Мицубиси
  • Опель
  • Ниссан
  • Пежо
  • Рено
  • Сааб
  • Шкода
  • Субару
  • Сузуки
  • Тойота
  • Фольксваген
  • Вольво
  • АвтоВАЗ
Mazda:
Мазда 121▾
121 3 (JASM/JBSM)
Фамилия▾
Фамилия 5 (BF, бензин) Фамилия 6 (BG)
Капелла▾
Капелла 3 и 4 (GC/GD, бензин) Капелла 3 и 4 (GC/GD) Капелла 5 (GE) Капелла 6 (GF/GW, бензин)
Мазда 3▾
Мазда 3 1 (BK)
Мазда 6▾
Мазда 6 1 (GG, бензин)
Мазда СХ▾
СХ (CX-5 KE)
ВТ-50▾
ВТ-50 1 (UN, дизель)

Электрические схемы автомобиля Mazda 626 6 «GF/GW» (1997-2005, бензин)

  • Главная
  • Мазда
  • Капелла
  • GF/GW (1997-2005)
  • Электрооборудование
  • Электрические схемы
Поделитесь с друзьями в:
Поиск только в этом разделе сайта:
Схемы электропроводки — основные сведения
Схемы электропроводки — основные сведения
Поскольку нет возможности привести все схемы электропроводки для всех модификаций автомобилей разных лет выпуска, в этом Руководстве приводятся наиболее типичные и необходимые схемы. Перед началом поиска неисправности любой цепи проверьте...
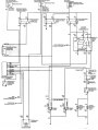
Схема пуска двигателя и зарядки аккумулятора — модели с 1993 по 1997 г.
Схема пуска двигателя и зарядки аккумулятора — модели с 1993 по 1997 г.
Схема пуска двигателя и зарядки аккумулятора - модели с 1993 по 1997 г.
Схема пуска двигателя и зарядки аккумулятора — модели с 1998 г.
Схема пуска двигателя и зарядки аккумулятора — модели с 1998 г.
Схема пуска двигателя и зарядки аккумулятора - модели с 1998 г.
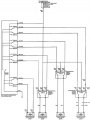
Система управления двигателем — с 4-цилиндровым двигателем и АКП 1993-1995 г.
Система управления двигателем — с 4-цилиндровым двигателем и АКП 1993-1995 г.
Система управления двигателем - модели с 4-цилиндровым двигателем и АКП с 1993 по 1995 г.
Система управления двигателем — с 4-цилиндровым двигателем и МКП 1993-1995 г.
Система управления двигателем — с 4-цилиндровым двигателем и МКП 1993-1995 г.
Система управления двигателем — модели с 4-цилиндровым двигателем и МКП с 1993 по 1995 г.
Система управления двигателем V6 (модели 1993-1995 г.)
Система управления двигателем V6 (модели 1993-1995 г.)
Система управления двигателем V6 (модели 1993-1995 г.)
Система управления 4-цилиндровым двигателем (модели с АКП 1996-1997 г.)
Система управления 4-цилиндровым двигателем (модели с АКП 1996-1997 г.)
Система управления 4-цилиндровым двигателем (модели с АКП 1996-1997 г.)
Система управления 4-цилиндровым двигателем (модели с МКП 1996-1997 г.)
Система управления 4-цилиндровым двигателем (модели с МКП 1996-1997 г.)
Система управления 4-цилиндровым двигателем (модели с МКП 1996-1997 г.)
Система управления двигателем V6 (модели выпуска 1993-1995 г.)
Система управления двигателем V6 (модели выпуска 1993-1995 г.)
Система управления двигателем V6 (модели выпуска 1993-1995 г.)
Система управления 4-цилиндровым двигателем (модели с 1998 г.)
Система управления 4-цилиндровым двигателем (модели с 1998 г.)
Система управления 4-цилиндровым двигателем (модели с 1998 г.)
Система управления двигателем V6 (модели с 1998 г.)
Система управления двигателем V6 (модели с 1998 г.)
Система управления двигателем V6 (модели с 1998 г.)
Передние фары (модели 1993-1994 г.) с системой управления ближним светом
Передние фары (модели 1993-1994 г.) с системой управления ближним светом
Передние фары (модели 1993-1994 г.) с системой управления ближним светом в дневное время
Передние фары (модели 1993-1994 г.) без системы управления ближним светом
Передние фары (модели 1993-1994 г.) без системы управления ближним светом
Передние фары (модели 1993-1994 г.) без системы управления ближним светом в дневное время
Внешнее освещение — модели выпуска 1993-1994 г.
Внешнее освещение — модели выпуска 1993-1994 г.
Внешнее освещение - модели выпуска 1993-1994 г.
Передние фары (модели 1995-1997 г.) без системы управления ближним светом
Передние фары (модели 1995-1997 г.) без системы управления ближним светом
Передние фары (модели 1995-1997 г.) без системы управления ближним светом в дневное время
Передние фары (модели 1995-1997 г.) с системой управления ближним светом
Передние фары (модели 1995-1997 г.) с системой управления ближним светом
Передние фары (модели 1995-1997 г.) с системой управления ближним светом в дневное время
Внешнее освещение — модели выпуска 1995-1997 г.
Внешнее освещение — модели выпуска 1995-1997 г.
Внешнее освещение - модели выпуска 1995-1997 г.
Передние фары (модели с 1998 г.) с системой управления ближним светом
Передние фары (модели с 1998 г.) с системой управления ближним светом
Передние фары (модели с 1998 г.) с системой управления ближним светом в дневное время
Передние фары (модели с 1998 г.) без системы управления ближним светом
Передние фары (модели с 1998 г.) без системы управления ближним светом
Передние фары (модели с 1998 г.) без системы управления ближним светом в дневное время
Внешнее освещение — модели с 1998 г.
Внешнее освещение — модели с 1998 г.
Внешнее освещение - модели с 1998 г.
Электрические стеклоподъемники — модели с 1998 г.
Электрические стеклоподъемники — модели с 1998 г.
Электрические стеклоподъемники - модели с 1998 г.
Система центральной блокировки — модели 1993-1997 г.
Система центральной блокировки — модели 1993-1997 г.
Система центральной блокировки - модели 1993-1997 г.
Электрические стеклоподъемники — модели 1993-1997 г.
Электрические стеклоподъемники — модели 1993-1997 г.
Электрические стеклоподъемники - модели выпуска 1993-1997 г.
Система дистанционного управления центральным замком — модели 1995-1997 г.
Система дистанционного управления центральным замком — модели 1995-1997 г.
Система дистанционного управления центральным замком - модели 1995-1997 г.
Центральный замок — модели выпускаемые с 1998 г.
Центральный замок — модели выпускаемые с 1998 г.
Центральный замок - модели выпускаемые с 1998 г.
Внутреннее освещение — модели 1993-1997 г.
Внутреннее освещение — модели 1993-1997 г.
Внутреннее освещение - модели 1993-1997 г.
Подсветка приборов — модели 1993-1997 г.
Подсветка приборов — модели 1993-1997 г.
Подсветка приборов - модели 1993-1997 г.
Подсветка приборов — модели выпуска с 1998 г.
Подсветка приборов — модели выпуска с 1998 г.
Подсветка приборов - модели выпуска с 1998 г.
Комбинация приборов и сигнальные лампы — модели 1993-1997 г.
Комбинация приборов и сигнальные лампы — модели 1993-1997 г.
Комбинация приборов и сигнальные лампы - модели 1993-1997 г.
Комбинация приборов и сигнальные лампы — модели с 1998 г.
Комбинация приборов и сигнальные лампы — модели с 1998 г.
Комбинация приборов и сигнальные лампы - модели с 1998 г.
Система круиз-контроля — модели 1993-1994 г.
Система круиз-контроля — модели 1993-1994 г.
Система круиз-контроля - модели 1993-1994 г.
Система круиз-контроля — модели 1995-1997 г.
Система круиз-контроля — модели 1995-1997 г.
Система круиз-контроля - модели 1995-1997 г.
Система круиз-контроля — модели с 1998 г.
Система круиз-контроля — модели с 1998 г.
Система круиз-контроля - модели с 1998 г.
Омыватели и очистители ветрового стекла — модели с 1993 г.
Омыватели и очистители ветрового стекла — модели с 1993 г.
Омыватели и очистители ветрового стекла - модели с 1993 г.
Отопитель и система кондиционирования воздуха — с 4-цилиндровым двигателем 1993…
Отопитель и система кондиционирования воздуха — с 4-цилиндровым двигателем 1993 г.
Отопитель и система кондиционирования воздуха - модели с 4-цилиндровым двигателем 1993 г.
Отопитель и система кондиционирования воздуха — с двигателем V6 1993 г.
Отопитель и система кондиционирования воздуха — с двигателем V6 1993 г.
Отопитель и система кондиционирования воздуха - модели с двигателем V6 1993 г.
Отопитель и система кондиционирования воздуха — с 4-цилиндровым 1994-1997 г.
Отопитель и система кондиционирования воздуха — с 4-цилиндровым 1994-1997 г.
Отопитель и система кондиционирования воздуха - с 4-цилиндровым двигателем 1994-1997 г.
Отопитель и система кондиционирования воздуха — с двигателем V6 1994-1997 г.
Отопитель и система кондиционирования воздуха — с двигателем V6 1994-1997 г.
Отопитель и система кондиционирования воздуха — с двигателем V6 1994-1997 г.
Отопитель и система кондиционирования воздуха — модели с 1998 г.
Отопитель и система кондиционирования воздуха — модели с 1998 г.
Отопитель и система кондиционирования воздуха - модели с 1998 г.
Стереофоническая автомагнитола
Стереофоническая автомагнитола
Стереофоническая автомагнитола
Похожие подразделы других моделей
Электрические схемы автомобиля Шевроле Каптива С100/С140 (2006-2018, 1 поколение)
Электрические схемы автомобиля Лексус РИкс 300 (1997-2003, 1 поколение)
Электрические схемы автомобиля Сузуки Свифт МА (1995-2003, 2 поколение)
Электрические схемы автомобиля Пежо М49/М59 (1996-2008, 1 поколение)
Электрические схемы автомобиля Сааб 9000 СС/СД (1984-1998, 1 поколение)
Электрические схемы (универсал) автомобиля Рено Логан 2 (2012-2020, 2 поколение)

Несколько случайных новостей марки Мазда

Фирма Mazda задумалась о кроссовере с индексом шесть
Фирма Mazda задумалась о кроссовере с индексом шесть
2012.10.09
Mazda привезёт в Женеву агрессивный хэтчбэк
Mazda привезёт в Женеву агрессивный хэтчбэк
2007.02.13
Японцы привьют Мазде MX-5 спортивные навыки
Японцы привьют Мазде MX-5 спортивные навыки
2009.03.25
Новый кроссовер Mazda CX-70 унаследует двигатели у большого CX-90
Новый кроссовер Mazda CX-70 унаследует двигатели у большого CX-90
2023.12.20

 
Capella 6 (GF/GW, бензин) 
  • Информация для владельца
  • Введение в руководство
  • Руководство по эксплуатации
  • Выявление неисправностей
  • Техническое обслуживание
  • Двигатель и системы
  • 4-х цилиндровые двигатели
  • 6-ти цилиндровые двигатели
  • Капремонт двигателей
  • Охлаждение и отопление
  • Система питания и выхлопа
  • Система пуска и зажигания
  • Система управления
  • Трансмиссия
  • Механическая коробка
  • Автоматическая коробка
  • Сцепление и приводные валы
  • Ходовая часть
  • Тормозная система
  • Подвеска автомобиля
  • Рулевое управление
  • Кузов и салон
  • Экстерьер (кузов)
  • Интерьер (салон)
  • Двери, замки и окна
  • Электрооборудование
  • Оборудование и приборы
  • Электрические схемы
Capella 5 (GE) 
  • Информация для владельца
  • Руководство по эксплуатации
  • Техническое обслуживание
  • Советы водителю
  • Двигатель и системы
  • Бензиновые двигатели 1.6/1.8 л
  • Бензиновые двигатели 2.0 л
  • Бензиновые двигатели 2.5
  • Капремонт двигателей 1.6/1.8 л
  • Капремонт двигателей 2.0/2.5 л
  • Дизельные двигатели 2.0 л
  • Система пуска и зажигания
  • Система охлаждения
  • Карбюратор Nikki 30/34
  • Система питания (1.6/1.8 л)
  • Система питания (2.0/2.5 л)
  • Система управления
  • Трансмиссия
  • Механическая коробка
  • Автоматическая коробка
  • Сцепление и приводные валы
  • Ходовая часть
  • Тормозная система
  • Подвеска автомобиля
  • Рулевое управление
  • Кузов и салон
  • Экстерьер (кузов)
  • Интерьер (салон)
  • Двери, замки и окна
  • Кондиционер воздуха
  • Электрооборудование
  • Оборудование и приборы
  • Электрические схемы
Capella 3 и 4 (GC/GD) 
  • Информация для владельца
  • Руководство по эксплуатации
  • Техническое обслуживание
  • Двигатель и системы
  • Двигатель в автомобиле (бензин)
  • Капремонт двигателей (бензин)
  • Дизельные двигатели
  • Охлаждение и отопление
  • Система питания
  • Система зажигания
  • Снижение токсичности
  • Трансмиссия
  • Сцепление
  • Механическая коробка
  • Автоматическая коробка
  • Приводные валы
  • Ходовая часть
  • Тормозная система
  • Подвеска автомобиля
  • Рулевое управление
  • Кузов и салон
  • Экстерьер (кузов)
  • Интерьер (салон)
  • Электрооборудование
  • Оборудование и приборы
  • Система пуска и заряда
  • Электрические схемы
Capella 3 и 4 (GC/GD, бензин) 
  • Информация для владельца
  • Руководство по эксплуатации
  • Техническое обслуживание
  • Выявление неисправностей
  • Информация о поздних моделях
  • Двигатель и системы
  • Двигатель в автомобиле
  • Капремонт двигателей
  • Система охлаждения и обогрева
  • Система питания и выхлопа
  • Система пуска и зажигания
  • Контроль выбросов
  • Трансмиссия
  • Механическая коробка
  • Автоматическая коробка
  • Сцепление и приводные валы
  • Ходовая часть
  • Тормозная система
  • Подвеска автомобиля
  • Рулевое управление
  • Кузов и салон
  • Экстерьер (кузов)
  • Интерьер (салон)
  • Электрооборудование
  • Оборудование и приборы
  • Освещение и лампы
  • Электрические схемы
Audi BMW Chery Chevrolet Citroen Daewoo Fiat Ford Honda Hyundai Infiniti Isuzu Jeep Lexus Land Rover Mazda Mercedes-Benz Mitsubishi Opel Nissan Peugeot Renault Saab Skoda Subaru Suzuki Toyota Volkswagen Volvo AvtoVAZ
AutoInstruction.ru © 2020–2025 | Карта сайта | Статьи | Контакты | Поиск по сайту | Добавить в закладки | Мобильная версия
 0.03