Электрические схемы автомобиля Chevrolet Captiva C100 (2006-2018)
Как читать электрическую схему
1) Содержание электрической схемы (цепь) ПОЗИЦИЯ ОБЪЯСНЕНИЕ A - Верхние горизонтальные линии: электропитание, блок питания Линии электропитания : 30, 15, 15А, 15С В - EF7, или AF3 или F2 EF7: предохранитель № 20 в блоке предохранителей в моторном...
1) Содержание электрической схемы (цепь) ПОЗИЦИЯ ОБЪЯСНЕНИЕ A - Верхние горизонтальные линии: электропитание, блок питания Линии электропитания : 30, 15, 15А, 15С В - EF7, или AF3 или F2 EF7: предохранитель № 20 в блоке предохранителей в моторном...
Сведения о разъемах, соединениях с массой и колодках массы
1) Двигатель FAMII 2.4D (LD9) 2) Двигатель 2.0 дизель (LLW) 3) Двигатель HVF-6 3.2 (LUI) 4) Сведения о разъемах Номер разъема Номер контакта Цвет Соединительный жгут проводов Положение разъема X101 36 Черный Двигатель - кузов За блоком...
1) Двигатель FAMII 2.4D (LD9) 2) Двигатель 2.0 дизель (LLW) 3) Двигатель HVF-6 3.2 (LUI) 4) Сведения о разъемах Номер разъема Номер контакта Цвет Соединительный жгут проводов Положение разъема X101 36 Черный Двигатель - кузов За блоком...
Расположение жгутов проводов, разъемов и соединениях с массой
1) Ж/П ПРИБОРНАЯ ПАНЕЛЬ 2) Ж/П КУЗОВ 3) Ж/П ДВИГАТЕЛЬ 2.4D БЕНЗИН 2.0S ДИЗЕЛЬ 3.2D HFV-6 4) Ж/П ПЕРЕДНЯЯ ЧАСТЬ 5) Ж/П ПЕРЕДНЯЯ ДВЕРЬ 6) Ж/П ЗАДНЯЯ ДВЕРЬ 7) Ж/П ЗАДНЯЯ ОТКИДНАЯ ДВЕРЬ 8) Ж/П ПОДУШКА БЕЗОПАСНОСТИ 9) Ж/П КОНСОЛЬ 10) Ж/П КРЫША 11)...
1) Ж/П ПРИБОРНАЯ ПАНЕЛЬ 2) Ж/П КУЗОВ 3) Ж/П ДВИГАТЕЛЬ 2.4D БЕНЗИН 2.0S ДИЗЕЛЬ 3.2D HFV-6 4) Ж/П ПЕРЕДНЯЯ ЧАСТЬ 5) Ж/П ПЕРЕДНЯЯ ДВЕРЬ 6) Ж/П ЗАДНЯЯ ДВЕРЬ 7) Ж/П ЗАДНЯЯ ОТКИДНАЯ ДВЕРЬ 8) Ж/П ПОДУШКА БЕЗОПАСНОСТИ 9) Ж/П КОНСОЛЬ 10) Ж/П КРЫША 11)...
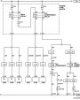
Электрическая схема источников электропитания
1. ЦЕПЬ ЗАМКА ЗАЖИГАНИЯ 1) ЦЕПЬ АККУМУЛЯТОРНОЙ БАТАРЕИ И ЗАЖИГАНИЯ IGN II 2) ЦЕПЬ ЗАЖИГАНИЯ IGN I/II и IGN II/III 2. ЦЕПЬ БЛОКА ПРЕДОХРАНИТЕЛЕЙ В МОТОРНОМ ОТСЕКЕ 3. ЦЕПЬ ДОП. БЛОКА ПРЕДОХРАНИТЕЛЕЙ В МОТОРНОМ ОТСЕКЕ 4. ЦЕПЬ БЛОКА ПРЕДОХРАНИТЕЛЕЙ НА...
1. ЦЕПЬ ЗАМКА ЗАЖИГАНИЯ 1) ЦЕПЬ АККУМУЛЯТОРНОЙ БАТАРЕИ И ЗАЖИГАНИЯ IGN II 2) ЦЕПЬ ЗАЖИГАНИЯ IGN I/II и IGN II/III 2. ЦЕПЬ БЛОКА ПРЕДОХРАНИТЕЛЕЙ В МОТОРНОМ ОТСЕКЕ 3. ЦЕПЬ ДОП. БЛОКА ПРЕДОХРАНИТЕЛЕЙ В МОТОРНОМ ОТСЕКЕ 4. ЦЕПЬ БЛОКА ПРЕДОХРАНИТЕЛЕЙ НА...
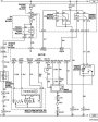
Блок реле и предохранителей в моторном отсеке
1) Расположение реле и предохранителей 2) Назначение предохранителей в блоке предохранителей в моторном отсеке Блок питания № предохранителя Номинал Назначение 30 В(+) Ef1 20A ЭЛЕКТРОМОТОР ЗАДНЕГО СТЕКЛООЧИСТИТЕЛЯ Ef2 60A БЛОК ПРЕДОХРАНИТЕЛЕЙ НА...
1) Расположение реле и предохранителей 2) Назначение предохранителей в блоке предохранителей в моторном отсеке Блок питания № предохранителя Номинал Назначение 30 В(+) Ef1 20A ЭЛЕКТРОМОТОР ЗАДНЕГО СТЕКЛООЧИСТИТЕЛЯ Ef2 60A БЛОК ПРЕДОХРАНИТЕЛЕЙ НА...
Блок предохранителей в моторном отсеке, доп. (только дизель)
1) Расположение реле и предохранителей 2) Назначение предохранителей в блоке предохранителей на приборной панели Блок питания № предохранителя Номинал Назначение 30 В(+) AF1 60A КОНТРОЛЛЕР СВЕЧЕЙ ПРЕДПУСКОВОГО ПОДОГРЕВА 30 В(+) AF2 30A РЕЛЕ...
1) Расположение реле и предохранителей 2) Назначение предохранителей в блоке предохранителей на приборной панели Блок питания № предохранителя Номинал Назначение 30 В(+) AF1 60A КОНТРОЛЛЕР СВЕЧЕЙ ПРЕДПУСКОВОГО ПОДОГРЕВА 30 В(+) AF2 30A РЕЛЕ...
Блок предохранителей на приборной панели
1) Положение предохранителей 2) Назначение предохранителей в блоке переключателей со встроенной логикой Блок питания № предохранителя Номинал Назначение РЕЛЕ ACC/RAP F1 20A ГЛАВНЫЙ ПЕРЕКЛЮЧАТЕЛЬ ЭЛЕКТРИЧЕСКИХ СТЕКЛОПОДЪЕМНИКОВ, МОДУЛЬ ЛЮКА В КРЫШЕ...
1) Положение предохранителей 2) Назначение предохранителей в блоке переключателей со встроенной логикой Блок питания № предохранителя Номинал Назначение РЕЛЕ ACC/RAP F1 20A ГЛАВНЫЙ ПЕРЕКЛЮЧАТЕЛЬ ЭЛЕКТРИЧЕСКИХ СТЕКЛОПОДЪЕМНИКОВ, МОДУЛЬ ЛЮКА В КРЫШЕ...
Система пуска двигателя и зарядки
1) ЦЕПЬ АККУМУЛЯТОРНОЙ БАТАРЕИ, СТАРТЕРА, ГЕНЕРАТОРА И ВЫКЛЮЧАТЕЛЯ NSBU: FAM II 2.4D (LD9) а. ИНФОРМАЦИЯ О РАЗЪЁМЕ № РАЗЪЁМА (№ И ЦВЕТ КОНТАКТА) СОЕДИНИТЕЛЬНЫЙ ЖГУТ ПРОВОДОВ ПОЛОЖЕНИЕ РАЗЪЁМА G103 Аккумуляторная батарея За блоком предохранителей в...
1) ЦЕПЬ АККУМУЛЯТОРНОЙ БАТАРЕИ, СТАРТЕРА, ГЕНЕРАТОРА И ВЫКЛЮЧАТЕЛЯ NSBU: FAM II 2.4D (LD9) а. ИНФОРМАЦИЯ О РАЗЪЁМЕ № РАЗЪЁМА (№ И ЦВЕТ КОНТАКТА) СОЕДИНИТЕЛЬНЫЙ ЖГУТ ПРОВОДОВ ПОЛОЖЕНИЕ РАЗЪЁМА G103 Аккумуляторная батарея За блоком предохранителей в...
Контроллер электронной системы управления двигателем (ECM): ME7.9.9 (FAM II 2.4D)
1) ЦЕПЬ ПИТАНИЯ АККУМУЛЯТОРНОЙ БАТАРЕИ, МАССЫ, ЭЛЕКТРОННОЙ СИСТЕМЫ ЗАЖИГАНИЯ, ГЕНЕРАТОРА И ДАТЧИКА ПОЛОЖЕНИЯ КОЛЕНЧАТОГО ВАЛА (СКР) а. ИНФОРМАЦИЯ О РАЗЪЁМЕ № РАЗЪЁМА (№ И ЦВЕТ КОНТАКТА) СОЕДИНИТЕЛЬНЫЙ ЖГУТ ПРОВОДОВ ПОЛОЖЕНИЕ РАЗЪЁМА G108 Двигатель...
1) ЦЕПЬ ПИТАНИЯ АККУМУЛЯТОРНОЙ БАТАРЕИ, МАССЫ, ЭЛЕКТРОННОЙ СИСТЕМЫ ЗАЖИГАНИЯ, ГЕНЕРАТОРА И ДАТЧИКА ПОЛОЖЕНИЯ КОЛЕНЧАТОГО ВАЛА (СКР) а. ИНФОРМАЦИЯ О РАЗЪЁМЕ № РАЗЪЁМА (№ И ЦВЕТ КОНТАКТА) СОЕДИНИТЕЛЬНЫЙ ЖГУТ ПРОВОДОВ ПОЛОЖЕНИЕ РАЗЪЁМА G108 Двигатель...
Контроллер электронной системы управления двигателем (ECM): EDC16C39 (2.0 дизель)
1) ЦЕПЬ ПИТАНИЯ АККУМУЛЯТОРНОЙ БАТАРЕИ, МАССЫ, КОНТРОЛЛЕРА СВЕЧЕЙ ПРЕДПУСКОВОГО ПОДОГРЕВА, НАГРЕВАТЕЛЯ ТОПЛИВНОГО ФИЛЬТРА, ГЕНЕРАТОРА И ДАТЧИКА ПОЛОЖЕНИЯ КОЛЕНЧАТОГО ВАЛА (СКР) а. ИНФОРМАЦИЯ О РАЗЪЁМЕ № РАЗЪЁМА (№ И ЦВЕТ КОНТАКТА) СОЕДИНИТЕЛЬНЫЙ...
1) ЦЕПЬ ПИТАНИЯ АККУМУЛЯТОРНОЙ БАТАРЕИ, МАССЫ, КОНТРОЛЛЕРА СВЕЧЕЙ ПРЕДПУСКОВОГО ПОДОГРЕВА, НАГРЕВАТЕЛЯ ТОПЛИВНОГО ФИЛЬТРА, ГЕНЕРАТОРА И ДАТЧИКА ПОЛОЖЕНИЯ КОЛЕНЧАТОГО ВАЛА (СКР) а. ИНФОРМАЦИЯ О РАЗЪЁМЕ № РАЗЪЁМА (№ И ЦВЕТ КОНТАКТА) СОЕДИНИТЕЛЬНЫЙ...
Контроллер электронной системы управления двигателем (ECM): E77 (HFV6 3.2D)
1) ЦЕПЬ ПИТАНИЯ АККУМУЛЯТОРНОЙ БАТАРЕИ, МАССЫ, ГЕНЕРАТОРА И ДАТЧИКА ПОЛОЖЕНИЯ КОЛЕНЧАТОГО ВАЛА (СКР) а. ИНФОРМАЦИЯ О РАЗЪЁМЕ № РАЗЪЁМА (№ И ЦВЕТ КОНТАКТА) СОЕДИНИТЕЛЬНЫЙ ЖГУТ ПРОВОДОВ ПОЛОЖЕНИЕ РАЗЪЁМА GX106 (черный/серый) Двигатель (DSL/HFV6) Над...
1) ЦЕПЬ ПИТАНИЯ АККУМУЛЯТОРНОЙ БАТАРЕИ, МАССЫ, ГЕНЕРАТОРА И ДАТЧИКА ПОЛОЖЕНИЯ КОЛЕНЧАТОГО ВАЛА (СКР) а. ИНФОРМАЦИЯ О РАЗЪЁМЕ № РАЗЪЁМА (№ И ЦВЕТ КОНТАКТА) СОЕДИНИТЕЛЬНЫЙ ЖГУТ ПРОВОДОВ ПОЛОЖЕНИЕ РАЗЪЁМА GX106 (черный/серый) Двигатель (DSL/HFV6) Над...
Контроллер коробки переключения передач
1) ЦЕПЬ ЭЛЕКТРОПИТАНИЯ, МАССЫ, ВЫКЛЮЧАТЕЛЯ ТОРМОЗА И ЭЛЕКТРОМАГНИТНОГО КЛАПАНА а. ИНФОРМАЦИЯ О РАЗЪЁМЕ № РАЗЪЁМА (№ И ЦВЕТ КОНТАКТА) СОЕДИНИТЕЛЬНЫЙ ЖГУТ ПРОВОДОВ ПОЛОЖЕНИЕ РАЗЪЁМА X101 (36-контактн., черный) Двигатель - кузов За блоком...
1) ЦЕПЬ ЭЛЕКТРОПИТАНИЯ, МАССЫ, ВЫКЛЮЧАТЕЛЯ ТОРМОЗА И ЭЛЕКТРОМАГНИТНОГО КЛАПАНА а. ИНФОРМАЦИЯ О РАЗЪЁМЕ № РАЗЪЁМА (№ И ЦВЕТ КОНТАКТА) СОЕДИНИТЕЛЬНЫЙ ЖГУТ ПРОВОДОВ ПОЛОЖЕНИЕ РАЗЪЁМА X101 (36-контактн., черный) Двигатель - кузов За блоком...
Контроллер кузова (BCM)
1) ЦЕПЬ ЭЛЕКТРОПИТАНИЯ, МАССЫ, ЗАМКА ЗАЖИГАНИЯ а. ИНФОРМАЦИЯ О РАЗЪЁМЕ № РАЗЪЁМА (№ И ЦВЕТ КОНТАКТА) СОЕДИНИТЕЛЬНЫЙ ЖГУТ ПРОВОДОВ ПОЛОЖЕНИЕ РАЗЪЁМА X101 (36-контактн., черный) Двигатель - кузов За блоком предохранителей в моторном отсеке GX201...
1) ЦЕПЬ ЭЛЕКТРОПИТАНИЯ, МАССЫ, ЗАМКА ЗАЖИГАНИЯ а. ИНФОРМАЦИЯ О РАЗЪЁМЕ № РАЗЪЁМА (№ И ЦВЕТ КОНТАКТА) СОЕДИНИТЕЛЬНЫЙ ЖГУТ ПРОВОДОВ ПОЛОЖЕНИЕ РАЗЪЁМА X101 (36-контактн., черный) Двигатель - кузов За блоком предохранителей в моторном отсеке GX201...
Электрическая схема кондиционера
1) ЦЕПЬ ПЕРЕКЛЮЧАТЕЛЯ УПРАВЛЕНИЯ КОНДИЦИОНЕРОМ И ЭЛЕКТРОВЕНТИЛЯТОРА а. ИНФОРМАЦИЯ О РАЗЪЁМЕ № РАЗЪЁМА (№ И ЦВЕТ КОНТАКТА) СОЕДИНИТЕЛЬНЫЙ ЖГУТ ПРОВОДОВ ПОЛОЖЕНИЕ РАЗЪЁМА X101 (36-контактн., черный) Двигатель - кузов За блоком предохранителей в...
1) ЦЕПЬ ПЕРЕКЛЮЧАТЕЛЯ УПРАВЛЕНИЯ КОНДИЦИОНЕРОМ И ЭЛЕКТРОВЕНТИЛЯТОРА а. ИНФОРМАЦИЯ О РАЗЪЁМЕ № РАЗЪЁМА (№ И ЦВЕТ КОНТАКТА) СОЕДИНИТЕЛЬНЫЙ ЖГУТ ПРОВОДОВ ПОЛОЖЕНИЕ РАЗЪЁМА X101 (36-контактн., черный) Двигатель - кузов За блоком предохранителей в...
Система автоматического регулирования температуры
1) ЦЕПЬ ЭЛЕКТРОПРИВОДА (ВЕНТИЛЯТОР, ВПУСК, РЕЖИМ, ТЕМПЕРАТУРА) И СИЛОВОГО МОДУЛЯ а. ИНФОРМАЦИЯ О РАЗЪЁМЕ № РАЗЪЁМА (№ И ЦВЕТ КОНТАКТА) СОЕДИНИТЕЛЬНЫЙ ЖГУТ ПРОВОДОВ ПОЛОЖЕНИЕ РАЗЪЁМА X204 (16-контактн., черный) Приборная панель - автоматическое...
1) ЦЕПЬ ЭЛЕКТРОПРИВОДА (ВЕНТИЛЯТОР, ВПУСК, РЕЖИМ, ТЕМПЕРАТУРА) И СИЛОВОГО МОДУЛЯ а. ИНФОРМАЦИЯ О РАЗЪЁМЕ № РАЗЪЁМА (№ И ЦВЕТ КОНТАКТА) СОЕДИНИТЕЛЬНЫЙ ЖГУТ ПРОВОДОВ ПОЛОЖЕНИЕ РАЗЪЁМА X204 (16-контактн., черный) Приборная панель - автоматическое...
Цепь компрессора кондиционера
а. ИНФОРМАЦИЯ О РАЗЪЁМЕ № РАЗЪЁМА (№ И ЦВЕТ КОНТАКТА) СОЕДИНИТЕЛЬНЫЙ ЖГУТ ПРОВОДОВ ПОЛОЖЕНИЕ РАЗЪЁМА X106 (7-контактн., черный) Двигатель - топливная форсунка (HVF6) Над головкой цилиндров GX106 (черный/серый) Двигатель (DSL/HFV6) Над головкой...
а. ИНФОРМАЦИЯ О РАЗЪЁМЕ № РАЗЪЁМА (№ И ЦВЕТ КОНТАКТА) СОЕДИНИТЕЛЬНЫЙ ЖГУТ ПРОВОДОВ ПОЛОЖЕНИЕ РАЗЪЁМА X106 (7-контактн., черный) Двигатель - топливная форсунка (HVF6) Над головкой цилиндров GX106 (черный/серый) Двигатель (DSL/HFV6) Над головкой...
Цепь вентилятора системы охлаждения
1) ЦЕПЬ ВЕНТИЛЯТОРА ОХЛАЖДЕНИЯ: FAM II 2.4D (LD9) а. ИНФОРМАЦИЯ О РАЗЪЁМЕ № РАЗЪЁМА (№ И ЦВЕТ КОНТАКТА) СОЕДИНИТЕЛЬНЫЙ ЖГУТ ПРОВОДОВ ПОЛОЖЕНИЕ РАЗЪЁМА GX101 (черный/серый) ПЕРЕДНЯЯ ЧАСТЬ За левой фарой G111 Двигатель (FAM II) На блоке цилиндров б....
1) ЦЕПЬ ВЕНТИЛЯТОРА ОХЛАЖДЕНИЯ: FAM II 2.4D (LD9) а. ИНФОРМАЦИЯ О РАЗЪЁМЕ № РАЗЪЁМА (№ И ЦВЕТ КОНТАКТА) СОЕДИНИТЕЛЬНЫЙ ЖГУТ ПРОВОДОВ ПОЛОЖЕНИЕ РАЗЪЁМА GX101 (черный/серый) ПЕРЕДНЯЯ ЧАСТЬ За левой фарой G111 Двигатель (FAM II) На блоке цилиндров б....
Цепь нагревателя-PTC: 2.0 дизель (LLW)
а. ИНФОРМАЦИЯ О РАЗЪЁМЕ № РАЗЪЁМА (№ И ЦВЕТ КОНТАКТА) СОЕДИНИТЕЛЬНЫЙ ЖГУТ ПРОВОДОВ ПОЛОЖЕНИЕ РАЗЪЁМА X101 (36-контактн., черный) Двигатель - кузов За блоком предохранителей в моторном отсеке X201 (92-контактн., черный) Кузов - приборная панель Внизу...
а. ИНФОРМАЦИЯ О РАЗЪЁМЕ № РАЗЪЁМА (№ И ЦВЕТ КОНТАКТА) СОЕДИНИТЕЛЬНЫЙ ЖГУТ ПРОВОДОВ ПОЛОЖЕНИЕ РАЗЪЁМА X101 (36-контактн., черный) Двигатель - кузов За блоком предохранителей в моторном отсеке X201 (92-контактн., черный) Кузов - приборная панель Внизу...
Электрическая схема фар
1) БЕЗ РЕГУЛИРОВАНИЯ ПОЛОЖЕНИЯ ФАР а. ИНФОРМАЦИЯ О РАЗЪЁМЕ № РАЗЪЁМА (№ И ЦВЕТ КОНТАКТА) СОЕДИНИТЕЛЬНЫЙ ЖГУТ ПРОВОДОВ ПОЛОЖЕНИЕ РАЗЪЁМА GX101 (черный/серый) ПЕРЕДНЯЯ ЧАСТЬ За левой фарой б. УСЛОВНОЕ ОБОЗНАЧЕНИЕ & И НАХОЖДЕНИЕ НОМЕРА КОНТАКТА в....
1) БЕЗ РЕГУЛИРОВАНИЯ ПОЛОЖЕНИЯ ФАР а. ИНФОРМАЦИЯ О РАЗЪЁМЕ № РАЗЪЁМА (№ И ЦВЕТ КОНТАКТА) СОЕДИНИТЕЛЬНЫЙ ЖГУТ ПРОВОДОВ ПОЛОЖЕНИЕ РАЗЪЁМА GX101 (черный/серый) ПЕРЕДНЯЯ ЧАСТЬ За левой фарой б. УСЛОВНОЕ ОБОЗНАЧЕНИЕ & И НАХОЖДЕНИЕ НОМЕРА КОНТАКТА в....
Цепь выключателя фар
1) БЕЗ АВТОМАТИЧЕСКОГО ОСВЕЩЕНИЯ а. ИНФОРМАЦИЯ О РАЗЪЁМЕ № РАЗЪЁМА (№ И ЦВЕТ КОНТАКТА) СОЕДИНИТЕЛЬНЫЙ ЖГУТ ПРОВОДОВ ПОЛОЖЕНИЕ РАЗЪЁМА GX201 (черный/серый) Приборная панель За рулевой колонкой - внизу б. УСЛОВНОЕ ОБОЗНАЧЕНИЕ & И НАХОЖДЕНИЕ НОМЕРА...
1) БЕЗ АВТОМАТИЧЕСКОГО ОСВЕЩЕНИЯ а. ИНФОРМАЦИЯ О РАЗЪЁМЕ № РАЗЪЁМА (№ И ЦВЕТ КОНТАКТА) СОЕДИНИТЕЛЬНЫЙ ЖГУТ ПРОВОДОВ ПОЛОЖЕНИЕ РАЗЪЁМА GX201 (черный/серый) Приборная панель За рулевой колонкой - внизу б. УСЛОВНОЕ ОБОЗНАЧЕНИЕ & И НАХОЖДЕНИЕ НОМЕРА...
Цепь подсветки и регулирования освещения
1) ЦЕПЬ ПОДСВЕТКИ, ВЫКЛЮЧАТЕЛЯ РЕГУЛИРОВАНИЯ ОСВЕЩЕНИЯ И ВЫКЛЮЧАТЕЛЯ КОВРИКОВ С ПОДОГРЕВОМ а. ИНФОРМАЦИЯ О РАЗЪЁМЕ № РАЗЪЁМА (№ И ЦВЕТ КОНТАКТА) СОЕДИНИТЕЛЬНЫЙ ЖГУТ ПРОВОДОВ ПОЛОЖЕНИЕ РАЗЪЁМА X204 (16-контактн., черный) Приборная панель -...
1) ЦЕПЬ ПОДСВЕТКИ, ВЫКЛЮЧАТЕЛЯ РЕГУЛИРОВАНИЯ ОСВЕЩЕНИЯ И ВЫКЛЮЧАТЕЛЯ КОВРИКОВ С ПОДОГРЕВОМ а. ИНФОРМАЦИЯ О РАЗЪЁМЕ № РАЗЪЁМА (№ И ЦВЕТ КОНТАКТА) СОЕДИНИТЕЛЬНЫЙ ЖГУТ ПРОВОДОВ ПОЛОЖЕНИЕ РАЗЪЁМА X204 (16-контактн., черный) Приборная панель -...
Цепь передних и задних противотуманных фар
а. ИНФОРМАЦИЯ О РАЗЪЁМЕ № РАЗЪЁМА (№ И ЦВЕТ КОНТАКТА) СОЕДИНИТЕЛЬНЫЙ ЖГУТ ПРОВОДОВ ПОЛОЖЕНИЕ РАЗЪЁМА X201 (92-контактн., черный) Кузов - приборная панель Внизу передней стойки GX101 (черный/серый) ПЕРЕДНЯЯ ЧАСТЬ За левой фарой GX201 (черный/серый)...
а. ИНФОРМАЦИЯ О РАЗЪЁМЕ № РАЗЪЁМА (№ И ЦВЕТ КОНТАКТА) СОЕДИНИТЕЛЬНЫЙ ЖГУТ ПРОВОДОВ ПОЛОЖЕНИЕ РАЗЪЁМА X201 (92-контактн., черный) Кузов - приборная панель Внизу передней стойки GX101 (черный/серый) ПЕРЕДНЯЯ ЧАСТЬ За левой фарой GX201 (черный/серый)...
Цепь указателя поворота и аварийной сигнализации
а. ИНФОРМАЦИЯ О РАЗЪЁМЕ № РАЗЪЁМА (№ И ЦВЕТ КОНТАКТА) СОЕДИНИТЕЛЬНЫЙ ЖГУТ ПРОВОДОВ ПОЛОЖЕНИЕ РАЗЪЁМА X201 (92-контактн., черный) Кузов - приборная панель Внизу передней стойки X502 (18-контактн., бесцветный) Кузов - передняя левая дверь Под левой...
а. ИНФОРМАЦИЯ О РАЗЪЁМЕ № РАЗЪЁМА (№ И ЦВЕТ КОНТАКТА) СОЕДИНИТЕЛЬНЫЙ ЖГУТ ПРОВОДОВ ПОЛОЖЕНИЕ РАЗЪЁМА X201 (92-контактн., черный) Кузов - приборная панель Внизу передней стойки X502 (18-контактн., бесцветный) Кузов - передняя левая дверь Под левой...
Цепь стоп-сигналов, дополнительного стоп-сигнала (CHMSL), лампы заднего хода и зеркал ECM
а. ИНФОРМАЦИЯ О РАЗЪЁМЕ № РАЗЪЁМА (№ И ЦВЕТ КОНТАКТА) СОЕДИНИТЕЛЬНЫЙ ЖГУТ ПРОВОДОВ ПОЛОЖЕНИЕ РАЗЪЁМА X201 (92-контактн., черный) Кузов - приборная панель Внизу передней стойки X401 (18-контактн., бесцветный) Крыша - кузов Внутри левой задней стойки...
а. ИНФОРМАЦИЯ О РАЗЪЁМЕ № РАЗЪЁМА (№ И ЦВЕТ КОНТАКТА) СОЕДИНИТЕЛЬНЫЙ ЖГУТ ПРОВОДОВ ПОЛОЖЕНИЕ РАЗЪЁМА X201 (92-контактн., черный) Кузов - приборная панель Внизу передней стойки X401 (18-контактн., бесцветный) Крыша - кузов Внутри левой задней стойки...
Цепь освещения элементов салона
1) Цепь плафонов (индивидуальное освещение, освещение салона, освещение подножки двери, солнцезащитный козырек, багажный отсек, перчаточный ящик, замочная скважина) а. ИНФОРМАЦИЯ О РАЗЪЁМЕ № РАЗЪЁМА (№ И ЦВЕТ КОНТАКТА) СОЕДИНИТЕЛЬНЫЙ ЖГУТ ПРОВОДОВ...
1) Цепь плафонов (индивидуальное освещение, освещение салона, освещение подножки двери, солнцезащитный козырек, багажный отсек, перчаточный ящик, замочная скважина) а. ИНФОРМАЦИЯ О РАЗЪЁМЕ № РАЗЪЁМА (№ И ЦВЕТ КОНТАКТА) СОЕДИНИТЕЛЬНЫЙ ЖГУТ ПРОВОДОВ...
Цепь передних и задних стеклоочистителей
1) ЦЕПЬ ПЕРЕДНИХ СТЕКЛООЧИСТИТЕЛЕЙ а. ИНФОРМАЦИЯ О РАЗЪЁМЕ № РАЗЪЁМА (№ И ЦВЕТ КОНТАКТА) СОЕДИНИТЕЛЬНЫЙ ЖГУТ ПРОВОДОВ ПОЛОЖЕНИЕ РАЗЪЁМА X102 (12-контактн., черный) JPR передней части кузова - передняя часть кузова За левой фарой X201 (92-контактн.,...
1) ЦЕПЬ ПЕРЕДНИХ СТЕКЛООЧИСТИТЕЛЕЙ а. ИНФОРМАЦИЯ О РАЗЪЁМЕ № РАЗЪЁМА (№ И ЦВЕТ КОНТАКТА) СОЕДИНИТЕЛЬНЫЙ ЖГУТ ПРОВОДОВ ПОЛОЖЕНИЕ РАЗЪЁМА X102 (12-контактн., черный) JPR передней части кузова - передняя часть кузова За левой фарой X201 (92-контактн.,...
Цепь обогрева переднего/заднего стекла и системы обогрева наружных зеркал заднего вида
а. ИНФОРМАЦИЯ О РАЗЪЁМЕ № РАЗЪЁМА (№ И ЦВЕТ КОНТАКТА) СОЕДИНИТЕЛЬНЫЙ ЖГУТ ПРОВОДОВ ПОЛОЖЕНИЕ РАЗЪЁМА X201 (92-контактн., черный) Кузов - приборная панель Внизу передней стойкиX204 (16-контактн., черный) X204 (16-контактн., черный) Приборная панель -...
а. ИНФОРМАЦИЯ О РАЗЪЁМЕ № РАЗЪЁМА (№ И ЦВЕТ КОНТАКТА) СОЕДИНИТЕЛЬНЫЙ ЖГУТ ПРОВОДОВ ПОЛОЖЕНИЕ РАЗЪЁМА X201 (92-контактн., черный) Кузов - приборная панель Внизу передней стойкиX204 (16-контактн., черный) X204 (16-контактн., черный) Приборная панель -...
Цепь наружных зеркал заднего вида с электроприводом (OSRV) и складывания зеркал
а. ИНФОРМАЦИЯ О РАЗЪЁМЕ № РАЗЪЁМА (№ И ЦВЕТ КОНТАКТА) СОЕДИНИТЕЛЬНЫЙ ЖГУТ ПРОВОДОВ ПОЛОЖЕНИЕ РАЗЪЁМА X201 (92-контактн., черный) Кузов - приборная панель Внизу передней стойкиX204 (16-контактн., черный) X502 (18-контактн., бесцветный) Кузов -...
а. ИНФОРМАЦИЯ О РАЗЪЁМЕ № РАЗЪЁМА (№ И ЦВЕТ КОНТАКТА) СОЕДИНИТЕЛЬНЫЙ ЖГУТ ПРОВОДОВ ПОЛОЖЕНИЕ РАЗЪЁМА X201 (92-контактн., черный) Кузов - приборная панель Внизу передней стойкиX204 (16-контактн., черный) X502 (18-контактн., бесцветный) Кузов -...
Цепь электрических стеклоподъемников
а. ИНФОРМАЦИЯ О РАЗЪЁМЕ № РАЗЪЁМА (№ И ЦВЕТ КОНТАКТА) СОЕДИНИТЕЛЬНЫЙ ЖГУТ ПРОВОДОВ ПОЛОЖЕНИЕ РАЗЪЁМА X501 (18-контактн., серый) Кузов - передняя левая дверь Под левой передней стойкой X502 (18-контактн., бесцветный) Кузов - передняя левая дверь Под...
а. ИНФОРМАЦИЯ О РАЗЪЁМЕ № РАЗЪЁМА (№ И ЦВЕТ КОНТАКТА) СОЕДИНИТЕЛЬНЫЙ ЖГУТ ПРОВОДОВ ПОЛОЖЕНИЕ РАЗЪЁМА X501 (18-контактн., серый) Кузов - передняя левая дверь Под левой передней стойкой X502 (18-контактн., бесцветный) Кузов - передняя левая дверь Под...
Цепь стекла задней откидной двери
а. ИНФОРМАЦИЯ О РАЗЪЁМЕ № РАЗЪЁМА (№ И ЦВЕТ КОНТАКТА) СОЕДИНИТЕЛЬНЫЙ ЖГУТ ПРОВОДОВ ПОЛОЖЕНИЕ РАЗЪЁМА X201 (92-контактн., черный) Кузов - приборная панель Внизу передней стойки X402 (18-контактный, бесцветный) Задняя откидная дверь - кузов За левой...
а. ИНФОРМАЦИЯ О РАЗЪЁМЕ № РАЗЪЁМА (№ И ЦВЕТ КОНТАКТА) СОЕДИНИТЕЛЬНЫЙ ЖГУТ ПРОВОДОВ ПОЛОЖЕНИЕ РАЗЪЁМА X201 (92-контактн., черный) Кузов - приборная панель Внизу передней стойки X402 (18-контактный, бесцветный) Задняя откидная дверь - кузов За левой...
Цепь звукового сигнала, дополнительной розетки и прикуривателя
а. ИНФОРМАЦИЯ О РАЗЪЁМЕ № РАЗЪЁМА (№ И ЦВЕТ КОНТАКТА) СОЕДИНИТЕЛЬНЫЙ ЖГУТ ПРОВОДОВ ПОЛОЖЕНИЕ РАЗЪЁМА X201 (92-контактн., черный) Кузов - приборная панель Внизу передней стойкиX301 (12-контактн., бесцветный) X301 (12-контактн., бесцветный) Консоль -...
а. ИНФОРМАЦИЯ О РАЗЪЁМЕ № РАЗЪЁМА (№ И ЦВЕТ КОНТАКТА) СОЕДИНИТЕЛЬНЫЙ ЖГУТ ПРОВОДОВ ПОЛОЖЕНИЕ РАЗЪЁМА X201 (92-контактн., черный) Кузов - приборная панель Внизу передней стойкиX301 (12-контактн., бесцветный) X301 (12-контактн., бесцветный) Консоль -...
Цепь информационного центра водителя и часов
а. ИНФОРМАЦИЯ О РАЗЪЁМЕ № РАЗЪЁМА (№ И ЦВЕТ КОНТАКТА) СОЕДИНИТЕЛЬНЫЙ ЖГУТ ПРОВОДОВ ПОЛОЖЕНИЕ РАЗЪЁМА GX201 (черный/серый) Приборная панель За рулевой колонкой - внизу б. УСЛОВНОЕ ОБОЗНАЧЕНИЕ & И НАХОЖДЕНИЕ НОМЕРА КОНТАКТА в. РАСПОЛОЖЕНИЕ...
а. ИНФОРМАЦИЯ О РАЗЪЁМЕ № РАЗЪЁМА (№ И ЦВЕТ КОНТАКТА) СОЕДИНИТЕЛЬНЫЙ ЖГУТ ПРОВОДОВ ПОЛОЖЕНИЕ РАЗЪЁМА GX201 (черный/серый) Приборная панель За рулевой колонкой - внизу б. УСЛОВНОЕ ОБОЗНАЧЕНИЕ & И НАХОЖДЕНИЕ НОМЕРА КОНТАКТА в. РАСПОЛОЖЕНИЕ...
Цепь системы запирания дверей
1) ЦЕПЬ ПРИВОДА а. ИНФОРМАЦИЯ О РАЗЪЁМЕ № РАЗЪЁМА (№ И ЦВЕТ КОНТАКТА) СОЕДИНИТЕЛЬНЫЙ ЖГУТ ПРОВОДОВ ПОЛОЖЕНИЕ РАЗЪЁМА X402 (18-контактный, бесцветный) Задняя откидная дверь - кузов За левой задней стойкой X501 (18-контактн., серый) Кузов - передняя...
1) ЦЕПЬ ПРИВОДА а. ИНФОРМАЦИЯ О РАЗЪЁМЕ № РАЗЪЁМА (№ И ЦВЕТ КОНТАКТА) СОЕДИНИТЕЛЬНЫЙ ЖГУТ ПРОВОДОВ ПОЛОЖЕНИЕ РАЗЪЁМА X402 (18-контактный, бесцветный) Задняя откидная дверь - кузов За левой задней стойкой X501 (18-контактн., серый) Кузов - передняя...
Цепь контроллера XBCM
а. ИНФОРМАЦИЯ О РАЗЪЁМЕ № РАЗЪЁМА (№ И ЦВЕТ КОНТАКТА) СОЕДИНИТЕЛЬНЫЙ ЖГУТ ПРОВОДОВ ПОЛОЖЕНИЕ РАЗЪЁМА GX201 (черный/серый) Приборная панель За рулевой колонкой - внизу б. УСЛОВНОЕ ОБОЗНАЧЕНИЕ & И НАХОЖДЕНИЕ НОМЕРА КОНТАКТА в. РАСПОЛОЖЕНИЕ...
а. ИНФОРМАЦИЯ О РАЗЪЁМЕ № РАЗЪЁМА (№ И ЦВЕТ КОНТАКТА) СОЕДИНИТЕЛЬНЫЙ ЖГУТ ПРОВОДОВ ПОЛОЖЕНИЕ РАЗЪЁМА GX201 (черный/серый) Приборная панель За рулевой колонкой - внизу б. УСЛОВНОЕ ОБОЗНАЧЕНИЕ & И НАХОЖДЕНИЕ НОМЕРА КОНТАКТА в. РАСПОЛОЖЕНИЕ...
Электрические схемы комбинации приборов
1) Цепь указателя температуры, тахометра, указателя уровня топлива, счетчика пробега, спидометра, индикатора ремня безопасности пассажира и однопроводной шины CAN а. ИНФОРМАЦИЯ О РАЗЪЁМЕ № РАЗЪЁМА (№ И ЦВЕТ КОНТАКТА) СОЕДИНИТЕЛЬНЫЙ ЖГУТ ПРОВОДОВ...
1) Цепь указателя температуры, тахометра, указателя уровня топлива, счетчика пробега, спидометра, индикатора ремня безопасности пассажира и однопроводной шины CAN а. ИНФОРМАЦИЯ О РАЗЪЁМЕ № РАЗЪЁМА (№ И ЦВЕТ КОНТАКТА) СОЕДИНИТЕЛЬНЫЙ ЖГУТ ПРОВОДОВ...
Цепь аудиосистемы и динамиков
1) ЦЕПЬ ЭЛЕКТРОПИТАНИЯ, МАССЫ, ВЫКЛЮЧАТЕЛЯ ДИСТАНЦИОННОГО УПРАВЛЕНИЯ, КОНТРОЛЛЕРА АНТЕННЫ а. ИНФОРМАЦИЯ О РАЗЪЁМЕ № РАЗЪЁМА (№ И ЦВЕТ КОНТАКТА) СОЕДИНИТЕЛЬНЫЙ ЖГУТ ПРОВОДОВ ПОЛОЖЕНИЕ РАЗЪЁМА G202 Приборная панель На кронштейне блока предохранителей...
1) ЦЕПЬ ЭЛЕКТРОПИТАНИЯ, МАССЫ, ВЫКЛЮЧАТЕЛЯ ДИСТАНЦИОННОГО УПРАВЛЕНИЯ, КОНТРОЛЛЕРА АНТЕННЫ а. ИНФОРМАЦИЯ О РАЗЪЁМЕ № РАЗЪЁМА (№ И ЦВЕТ КОНТАКТА) СОЕДИНИТЕЛЬНЫЙ ЖГУТ ПРОВОДОВ ПОЛОЖЕНИЕ РАЗЪЁМА G202 Приборная панель На кронштейне блока предохранителей...
АБС (антиблокировочная тормозная система)
1) Цепь электропитания, штуцера подачи масла, выключателя электронной системы курсовой устойчивости (ESP), контроллера кузова (BCM) и высокоскоростной шины CAN а. ИНФОРМАЦИЯ О РАЗЪЁМЕ № РАЗЪЁМА (№ И ЦВЕТ КОНТАКТА) СОЕДИНИТЕЛЬНЫЙ ЖГУТ ПРОВОДОВ...
1) Цепь электропитания, штуцера подачи масла, выключателя электронной системы курсовой устойчивости (ESP), контроллера кузова (BCM) и высокоскоростной шины CAN а. ИНФОРМАЦИЯ О РАЗЪЁМЕ № РАЗЪЁМА (№ И ЦВЕТ КОНТАКТА) СОЕДИНИТЕЛЬНЫЙ ЖГУТ ПРОВОДОВ...
Цепь подушки безопасности (модуль датчиков и диагностики (SDM))
1) Цепь электропитания, модуля подушки безопасности водителя/пассажира, выключателя ремня безопасности, датчика устройства сигнализации непристегнутого ремня и комбинации приборов а. ИНФОРМАЦИЯ О РАЗЪЁМЕ № РАЗЪЁМА (№ И ЦВЕТ КОНТАКТА) СОЕДИНИТЕЛЬНЫЙ...
1) Цепь электропитания, модуля подушки безопасности водителя/пассажира, выключателя ремня безопасности, датчика устройства сигнализации непристегнутого ремня и комбинации приборов а. ИНФОРМАЦИЯ О РАЗЪЁМЕ № РАЗЪЁМА (№ И ЦВЕТ КОНТАКТА) СОЕДИНИТЕЛЬНЫЙ...
Цепь люка в крыше
а. ИНФОРМАЦИЯ О РАЗЪЁМЕ № РАЗЪЁМА (№ И ЦВЕТ КОНТАКТА) СОЕДИНИТЕЛЬНЫЙ ЖГУТ ПРОВОДОВ ПОЛОЖЕНИЕ РАЗЪЁМА X401 (18-контактн., бесцветный) Крыша - кузов Внутри левой задней стойки GX401 (черный/серый) Кузов Правая сторона багажника б. УСЛОВНОЕ ОБОЗНАЧЕНИЕ...
а. ИНФОРМАЦИЯ О РАЗЪЁМЕ № РАЗЪЁМА (№ И ЦВЕТ КОНТАКТА) СОЕДИНИТЕЛЬНЫЙ ЖГУТ ПРОВОДОВ ПОЛОЖЕНИЕ РАЗЪЁМА X401 (18-контактн., бесцветный) Крыша - кузов Внутри левой задней стойки GX401 (черный/серый) Кузов Правая сторона багажника б. УСЛОВНОЕ ОБОЗНАЧЕНИЕ...
Цепь рулевого механизма с гидроусилителем, обеспечивающим переменное усиление в зависимости от скорости (SSPS)
а. ИНФОРМАЦИЯ О РАЗЪЁМЕ № РАЗЪЁМА (№ И ЦВЕТ КОНТАКТА) СОЕДИНИТЕЛЬНЫЙ ЖГУТ ПРОВОДОВ ПОЛОЖЕНИЕ РАЗЪЁМА X201 (92-контактн., черный) Кузов - приборная панель Внизу передней стойки GX201 (черный/серый) Приборная панель За рулевой колонкой - внизу б....
а. ИНФОРМАЦИЯ О РАЗЪЁМЕ № РАЗЪЁМА (№ И ЦВЕТ КОНТАКТА) СОЕДИНИТЕЛЬНЫЙ ЖГУТ ПРОВОДОВ ПОЛОЖЕНИЕ РАЗЪЁМА X201 (92-контактн., черный) Кузов - приборная панель Внизу передней стойки GX201 (черный/серый) Приборная панель За рулевой колонкой - внизу б....
Цепь контроллера облегчения парковки
а. ИНФОРМАЦИЯ О РАЗЪЁМЕ № РАЗЪЁМА (№ И ЦВЕТ КОНТАКТА) СОЕДИНИТЕЛЬНЫЙ ЖГУТ ПРОВОДОВ ПОЛОЖЕНИЕ РАЗЪЁМА X201 (92-контактн., черный) Кузов - приборная панель Внизу передней стойки X405 (6-контактн., черный) Кузов - датчик системы предупреждения о...
а. ИНФОРМАЦИЯ О РАЗЪЁМЕ № РАЗЪЁМА (№ И ЦВЕТ КОНТАКТА) СОЕДИНИТЕЛЬНЫЙ ЖГУТ ПРОВОДОВ ПОЛОЖЕНИЕ РАЗЪЁМА X201 (92-контактн., черный) Кузов - приборная панель Внизу передней стойки X405 (6-контактн., черный) Кузов - датчик системы предупреждения о...
Цепь контроллера муфты
а. ИНФОРМАЦИЯ О РАЗЪЁМЕ № РАЗЪЁМА (№ И ЦВЕТ КОНТАКТА) СОЕДИНИТЕЛЬНЫЙ ЖГУТ ПРОВОДОВ ПОЛОЖЕНИЕ РАЗЪЁМА X201 (92-контактн., черный) Кузов - приборная панель Внизу передней стойки GX402 (черный/серый) Кузов Правая сторона багажника б. УСЛОВНОЕ...
а. ИНФОРМАЦИЯ О РАЗЪЁМЕ № РАЗЪЁМА (№ И ЦВЕТ КОНТАКТА) СОЕДИНИТЕЛЬНЫЙ ЖГУТ ПРОВОДОВ ПОЛОЖЕНИЕ РАЗЪЁМА X201 (92-контактн., черный) Кузов - приборная панель Внизу передней стойки GX402 (черный/серый) Кузов Правая сторона багажника б. УСЛОВНОЕ...
Цепь системы поддержания скорости
а. ИНФОРМАЦИЯ О РАЗЪЁМЕ № РАЗЪЁМА (№ И ЦВЕТ КОНТАКТА) СОЕДИНИТЕЛЬНЫЙ ЖГУТ ПРОВОДОВ ПОЛОЖЕНИЕ РАЗЪЁМА X101 (36-контактн., черный) Двигатель - кузов За блоком предохранителей в моторном отсеке X201 (92-контактн., черный) Кузов - приборная панель Внизу...
а. ИНФОРМАЦИЯ О РАЗЪЁМЕ № РАЗЪЁМА (№ И ЦВЕТ КОНТАКТА) СОЕДИНИТЕЛЬНЫЙ ЖГУТ ПРОВОДОВ ПОЛОЖЕНИЕ РАЗЪЁМА X101 (36-контактн., черный) Двигатель - кузов За блоком предохранителей в моторном отсеке X201 (92-контактн., черный) Кузов - приборная панель Внизу...
Цепь RKE и системы иммобилизатора
а. ИНФОРМАЦИЯ О РАЗЪЁМЕ № РАЗЪЁМА (№ И ЦВЕТ КОНТАКТА) СОЕДИНИТЕЛЬНЫЙ ЖГУТ ПРОВОДОВ ПОЛОЖЕНИЕ РАЗЪЁМА GX201 (черный/серый) Приборная панель За рулевой колонкой - внизу б. УСЛОВНОЕ ОБОЗНАЧЕНИЕ & И НАХОЖДЕНИЕ НОМЕРА КОНТАКТА в. РАСПОЛОЖЕНИЕ...
а. ИНФОРМАЦИЯ О РАЗЪЁМЕ № РАЗЪЁМА (№ И ЦВЕТ КОНТАКТА) СОЕДИНИТЕЛЬНЫЙ ЖГУТ ПРОВОДОВ ПОЛОЖЕНИЕ РАЗЪЁМА GX201 (черный/серый) Приборная панель За рулевой колонкой - внизу б. УСЛОВНОЕ ОБОЗНАЧЕНИЕ & И НАХОЖДЕНИЕ НОМЕРА КОНТАКТА в. РАСПОЛОЖЕНИЕ...
Цепь системы сидений с электрическим приводом регулировки
а. ИНФОРМАЦИЯ О РАЗЪЁМЕ № РАЗЪЁМА (№ И ЦВЕТ КОНТАКТА) СОЕДИНИТЕЛЬНЫЙ ЖГУТ ПРОВОДОВ ПОЛОЖЕНИЕ РАЗЪЁМА GX301 (черный/серый) Кузов Под подушкой правого сиденья б. УСЛОВНОЕ ОБОЗНАЧЕНИЕ & И НАХОЖДЕНИЕ НОМЕРА КОНТАКТА в. РАСПОЛОЖЕНИЕ РАЗЪЁМОВ И...
а. ИНФОРМАЦИЯ О РАЗЪЁМЕ № РАЗЪЁМА (№ И ЦВЕТ КОНТАКТА) СОЕДИНИТЕЛЬНЫЙ ЖГУТ ПРОВОДОВ ПОЛОЖЕНИЕ РАЗЪЁМА GX301 (черный/серый) Кузов Под подушкой правого сиденья б. УСЛОВНОЕ ОБОЗНАЧЕНИЕ & И НАХОЖДЕНИЕ НОМЕРА КОНТАКТА в. РАСПОЛОЖЕНИЕ РАЗЪЁМОВ И...
Цепь подогревающего мата
а. ИНФОРМАЦИЯ О РАЗЪЁМЕ № РАЗЪЁМА (№ И ЦВЕТ КОНТАКТА) СОЕДИНИТЕЛЬНЫЙ ЖГУТ ПРОВОДОВ ПОЛОЖЕНИЕ РАЗЪЁМА X301 (12-контактн., бесцветный) Консоль - кузов Внизу напольной консоли GX301 (черный/серый) Кузов Под подушкой правого сиденья б. УСЛОВНОЕ...
а. ИНФОРМАЦИЯ О РАЗЪЁМЕ № РАЗЪЁМА (№ И ЦВЕТ КОНТАКТА) СОЕДИНИТЕЛЬНЫЙ ЖГУТ ПРОВОДОВ ПОЛОЖЕНИЕ РАЗЪЁМА X301 (12-контактн., бесцветный) Консоль - кузов Внизу напольной консоли GX301 (черный/серый) Кузов Под подушкой правого сиденья б. УСЛОВНОЕ...
Цепь системы прицепа
а. ИНФОРМАЦИЯ О РАЗЪЁМЕ № РАЗЪЁМА (№ И ЦВЕТ КОНТАКТА) СОЕДИНИТЕЛЬНЫЙ ЖГУТ ПРОВОДОВ ПОЛОЖЕНИЕ РАЗЪЁМА X201 (96-контактн., черный) Кузов - приборная панель Внизу передней стойки GX402 (черный/серый) Кузов Правая сторона багажника б. УСЛОВНОЕ...
а. ИНФОРМАЦИЯ О РАЗЪЁМЕ № РАЗЪЁМА (№ И ЦВЕТ КОНТАКТА) СОЕДИНИТЕЛЬНЫЙ ЖГУТ ПРОВОДОВ ПОЛОЖЕНИЕ РАЗЪЁМА X201 (96-контактн., черный) Кузов - приборная панель Внизу передней стойки GX402 (черный/серый) Кузов Правая сторона багажника б. УСЛОВНОЕ...
Цепь высокоскоростной шины CAN
1) ЦЕПЬ ВЫСОКОСКОРОСТНОЙ ШИНЫ CAN: ПОЛНЫЙ ПРИВОД (AWD) а. ИНФОРМАЦИЯ О РАЗЪЁМЕ № РАЗЪЁМА (№ И ЦВЕТ КОНТАКТА) СОЕДИНИТЕЛЬНЫЙ ЖГУТ ПРОВОДОВ ПОЛОЖЕНИЕ РАЗЪЁМА X101 (36-контактн., черный) Двигатель - кузов За блоком предохранителей в моторном отсеке...
1) ЦЕПЬ ВЫСОКОСКОРОСТНОЙ ШИНЫ CAN: ПОЛНЫЙ ПРИВОД (AWD) а. ИНФОРМАЦИЯ О РАЗЪЁМЕ № РАЗЪЁМА (№ И ЦВЕТ КОНТАКТА) СОЕДИНИТЕЛЬНЫЙ ЖГУТ ПРОВОДОВ ПОЛОЖЕНИЕ РАЗЪЁМА X101 (36-контактн., черный) Двигатель - кузов За блоком предохранителей в моторном отсеке...
Похожие подразделы других моделей
Электрические схемы автомобиля Рено Симбол 2 (2008-2013, 2 поколение)
Электрические схемы автомобиля Фиат Добло 223 (2005-2010, 1 поколение)
Электрические схемы автомобиля Джип Чероки XJ (1984-1991, 2 поколение)
Электрические схемы автомобиля Сааб 9000 СС/СД (1984-1998, 1 поколение)
Электрические схемы автомобиля Хонда Цивик 3/4 (1983-1991, 3 и 4 поколение)
Электрические схемы автомобиля Дэу Матиз М100 (1998-2005, 1 поколение)
Электрические схемы автомобиля Фиат Добло 223 (2005-2010, 1 поколение)
Электрические схемы автомобиля Джип Чероки XJ (1984-1991, 2 поколение)
Электрические схемы автомобиля Сааб 9000 СС/СД (1984-1998, 1 поколение)
Электрические схемы автомобиля Хонда Цивик 3/4 (1983-1991, 3 и 4 поколение)
Электрические схемы автомобиля Дэу Матиз М100 (1998-2005, 1 поколение)
Несколько случайных новостей марки Шевроле



















































