Рулевая колонка: 1 - рулевой вал; 2 - рычаг регулировки положения рулевой колонки; 3 - рулевая колонка; 4 - верхний карданный шарнир промежуточного вала; 5 - промежуточный вал; 6 - нижний карданный шарнир промежуточного вала; 7 - уплотнитель промежуточного вала; 8 - кронштейн крепления рулевой колонки; 9 - механизм регулировки положения рулевой колонки
Внимание! Модели с подушкой безопасности. Не располагайте блоки подушки безопасности (водителя или пассажира) рядом с источником тепла или открытым пламенем: вероятность самопроизвольного подрыва устройства.
Моменты затяжки:
- Болт карданного шарнира рулевого вала — 25 Нм
- Болт рулевого колеса — 45 Нм
- Гайки опоры рулевой колонки — 20 Нм
- Болты блока подушки безопасности — 5 Нм
На части автомобилей установлена рулевая колонка с двумя карданными шарнирами. Снятие такой рулевой колонки имеет некоторые особенности.
Снятие кожуха (декоративной панели) рулевой колонки

Выверните три винта крепления кожуха рулевой колонки.
![]() |
![]() |
Снимите нижнюю и верхнюю части кожуха
Снятие рулевой колонки
1. Отсоедините аккумуляторную батарею.
Модели без подушки безопасности
2. Освободите из клипс накладку рулевого колеса.
Модели с подушкой безопасности
3. Отверните два болта крепления модуля подушки безопасности (снизу рулевого колеса) и отсоедините разъем (D) модуля. В разъем встроено устройство предотвращения самопроизвольно подрыва: всегда отсоединяйте разъем при снятии модуля подушки.

4. Отверните болт крепления рулевого колеса.
5. Установите управляемые колеса в положение прямолинейного движения и снимите рулевое колесо.
6. Отверните болты крепления кожухов рулевой колонки (три штуки) и снимите кожухи.
7. Отсоедините разъем выключателя очистителя/омывателя и токосъемника подушки безопасности.
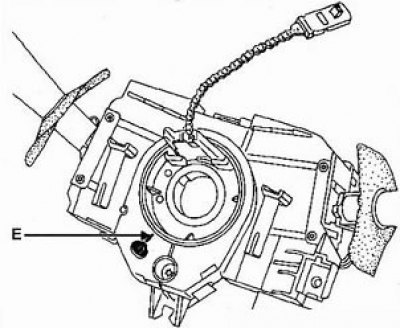
8. Нанесите метки относительного положения на половинки корпуса токосъемника. Убедитесь в том что колеса находятся в положении прямолинейного движения, разъем токосъемника находится по центру рулевого колеса и метка "О" на токосъемнике расположена напротив репера "Е".

Токосъемник фирмы Valeo.

Токосъемник фирмы Lucas.
9. Отверните болт (С). Плоской отверткой нажмите на конусный фиксатор и снимите токосъемник.

10. Снимите боковые накладки стоек ветрового стекла: нажмите на клипсу (1) и вытяните накладку (2) из нижней опоры.
Рисунок 6.10. Снятие облицовки стойки проема ветрового стекла: 1 – клипса; 2 – накладка
11. Отверните два боковых винта крепления верхней накладки передней панели.

12. Отверните три верхних винта крепления верхней накладки передней панели. Снимите верхнюю накладку в направлении стрелок, показанных на рисунках.

13. Снимите приемник сигналов иммобилайзера.

14. Отверните шесть болтов крепления блока приборов. отсоедините четыре разъема и снимите бок приборов.
![]() |
![]() |
15. Отсоедините разъем рулевой колонки.

16. В моторном отсеке:
- Отсоедините впускной воздуховод.
- Отверните гайки крепления расширительного бачка, снимите бачок для доступа к шарниру рулевого вала.
17. выверните и снимите эксцентриковый болт клеммного соединения вилки карданного шарнира рулевого складывающегося телескопического вала, пометив взаимное расположение шлицевых частей;
![]() |
![]() |
18. Отверните от рулевой колонки по два болта и одному винту крепления чехла, вытяните чехол из перегородки моторного отсека.
![]() |
![]() |

19. Снимите рулевую колонку.
Установка рулевой колонки
1. Установите рулевую колонку.
2. Установите в перегородку моторного отсека чехол колонки. Подвяжите лапы чехла и карданный шарнир пластиковым хомутом, как показано на рисунке.
Рисунок 6.17. Пропустите через отверстия защитного чехла пластиковый хомут (или бичевку), чтобы установить чехол на моторном щиту
- обвяжите бечевкой клапаны защитного чехла и вилку карданного шарнира рулевого вала (см. Рисунок 6.17), протолкните его в отверстие моторного щита;
Рисунок 6.21. Установка защитного чехла складывающегося рулевого вала в моторном отсеке
- разрежьте бечевку, связывающую клапаны чехла и вилку карданного шарнира, и установите чехол на моторный щит передка (Рисунок 6.21);
- установите, не затягивая, эксцентриковый болт клеммового соединения вилки карданного шарнира;
- потянув вверх, наденьте шлицевую часть складывающегося вала на рулевую колонку;
- вращением рулевого колеса добейтесь свободного доступа к болту верхнего крепления складывающегося вала, затем вверните болт;
- затяните указанным моментом болт верхнего крепления складывающегося вала, предварительно смазав его резьбовую часть составом, предотвращающим самопроизвольное отворачивание;
- сориентируйте рулевую колонку по колесам автомобиля и по метке на рулевом колесе;
- затяните указанным моментом эксцентриковый болт клеммового соединения вилки карданного шарнира;
- установите воздуховод, центральный электронный коммутационный блок, держатель ручки корректора блок-фар, крышку блока предохранителей, обивку передней стойки, уплотнитель левой двери, ручку привода замка капота;
- проверьте и, если необходимо, отрегулируйте схождение передних колес.
Специальные указания по установке
- а) Управляемые колеса должны находиться в положении прямолинейного движения.
- б) При установке токосъемника модуля подушки безопасности метка "О" должна быть совмещена с репером "Е".
- в) Не затягивайте болт (С) до установки кожухов рулевой колонки. Для затяжки болта (С) вырежьте в нижнем кожухе отверстие доступа.

- г) Повторно болт крепления рулевого колеса не устанавливайте. Момент затяжки болта 45 Нм.
Внимание! Перед подсоединением модуля подушки безопасности проведите проверку системы пассивной безопасности:
- Включите зажигание и убедитесь в том. что индикатор системы пассивной безопасности горит.
- Подсоедините разъем подушки: индикатор должен погаснуть.
- Выключите зажигание, установите модуль подушки на место. Затяните болты крепления моментом 5 Нм.
- Включите зажигание: индикатор должен загореться и погаснуть примерно через три секунды.
Если имеют место отклонения от описания работы индикатора, проведите поиск неисправности в системе пассивной безопасности, см. соответствующий раздел. Пренебрежение проверкой системы может привести к несчастному случаю.








