Рис. 4.2 а. Элементы двигателя: 1 - Верхняя часть кожуха ремня ГРМ; 2, 7, 10, 11, 16, 18, 22, 23 - Болты; 3 - Шкив распределительного вала; 4 - Натяжной ролик вспомогательного ремня ГРМ; 5 - Вспомогательный зубчатый ремень ГРМ; 6 - Кронштейн; 8 - Насос системы охлаждения; 9 - Задний кожух ремня ГРМ; 12 - Промежуточный ролик основного ремня ГРМ; 13 - Натяжной ролик основного ремня ГРМ; 14 - Зубчатый шкив коленчатого вала; 15 - Основной ремень ГРМ; 17 - Шкив коленчатого вала; 19 - Ребристый ремень; 20 - Нижняя часть кожуха ремня ГРМ; 21 - Консоль; 24 - Промежуточный ролик.
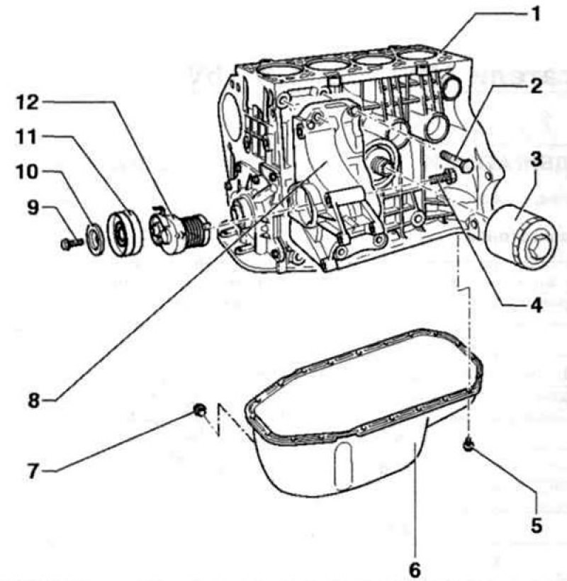
Рис. 4.2 б. Элементы двигателя: 1 - Блок цилиндров; 2, 4, 5, 9 - болты; 3 - Масляный фильтр; 6 - Поддон; 7 - Сливная пробка; 8 - Кронштейн масляного насоса и генератора; 10 - Шайба; 11 - Натяжной ролик; 12 - Натяжной элемент.

