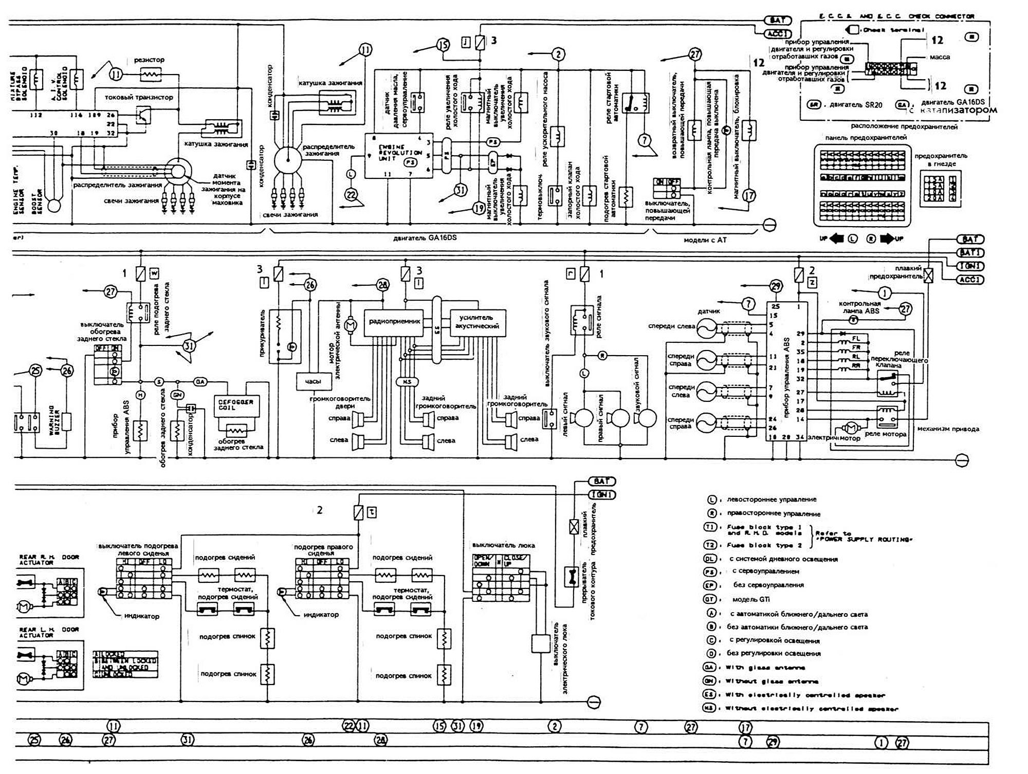
Приведенные ниже диаграммы электрических соединений составлены по схематическому принципу, когда компоненты каждого контура связываются между собой по кратчайшему пути без учета формы прокладки электропроводки вокруг расположенных на пути ее следования компонентов и жгутов.
(Материал опубликован ранее на: autoinstruction)
Пояснительные замечания к схемам электрических соединений (Nissan Primera 1 «P10»)
Статья проверена экспертом: Евгений Мамаев
Замена ламп в фарах
Регулировка света фар
Реле — общая информация
Прерыватели цепи (тепловые реле) — общая информация
Плавкие вставки (тепловые реле) — общая информация
Регулировка света фар
Реле — общая информация
Прерыватели цепи (тепловые реле) — общая информация
Плавкие вставки (тепловые реле) — общая информация
Похожие статьи из автомобилей других марок
Пояснительные замечания к схемам электрических соединений Ауди А3 8Л 1996-2003
Пояснительные замечания к схемам электрических соединений БМВ 3 серия Е46 1998-2006
Информация по схемам электрических соединений Мазда Капелла ГЦ/ГД 1982-1992
Ключи к схемам электрических соединений — все модели Шкода Фаворит 1 1987-1995
Ключ к схемам электрических соединений для моделей с 1989… Опель Вектра А 1988-1995
Обозначения на схемах электрических соединений Рено Эспейс I и II 1984-1996
Пояснительные замечания к схемам электрических соединений БМВ 3 серия Е46 1998-2006
Информация по схемам электрических соединений Мазда Капелла ГЦ/ГД 1982-1992
Ключи к схемам электрических соединений — все модели Шкода Фаворит 1 1987-1995
Ключ к схемам электрических соединений для моделей с 1989… Опель Вектра А 1988-1995
Обозначения на схемах электрических соединений Рено Эспейс I и II 1984-1996
Ссылка на эту статью в разных форматах
Комментарии и отзывы посетителей
Комментариев пока нет, вы будете первым!




