Инструкции и мануалы для ремонта автомобилей
Мобильная
версия
Статьи
и новости
Карта
сайта
Связь с
админом
Добавить
в закладки
  • Ауди
  • БМВ
  • Чери
  • Шевроле
  • Ситроен
  • Дэу
  • Фиат
  • Форд
  • Хонда
  • Хендай
  • Инфинити
  • Исузу
  • Джип
  • Лексус
  • Ленд Ровер
  • Мазда
  • Мерседес
  • Мицубиси
  • Опель
  • Ниссан
  • Пежо
  • Рено
  • Сааб
  • Шкода
  • Субару
  • Сузуки
  • Тойота
  • Фольксваген
  • Вольво
  • АвтоВАЗ
Opel:
Корса▾
Корса 2 (B) Корса 3 (C, бензин) Корса 3 (C)
Астра▾
Астра 1 (F, бензин) Астра 2 (G, бензин) Астра 2 (G) Астра 3 (H) Астра 4 (J, бензин)
Инсигния▾
Инсигния 1 (A)
Зафира▾
Зафира 1 (A, бензин)
Кадет▾
Кадет 4 (D) Кадет 5 (E, бензин)
Вектра▾
Вектра 1 (A, бензин) Вектра 1 (A) Вектра 2 (B, бензин) Вектра 2 (B) Вектра 3 (C)
Омега▾
Омега 1 (A) Омега 2 (B) Омега 3 (B2)
Фронтера▾
Фронтера 1 (A, бензин)
Аскона▾
Аскона 3 (C)

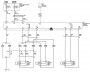
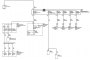
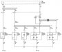
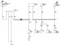
Электрические схемы автомобиля Opel Insignia A (2008-2017)

  • Главная
  • Опель
  • Инсигния
  • A (2008-2017)
  • Электрооборудование
  • Электрические схемы
Поделитесь с друзьями в:
Поиск только в этом разделе сайта:
Общие сведения о системе электрооборудования
Общие сведения о системе электрооборудования
На автомобиле используется однопроводная схема бортового питания с отрицательным выводом аккумуляторной батареи на массу автомобиля и напряжением бортовой цепи 12 В. Подача питания к большинству цепей автомобиля контролируется специально...
Зонирование жгутов электропроводки автомобиля
Зонирование жгутов электропроводки автомобиля
Все точки массы, линейные разъемы, колодки и штекеры имеют идентификационные номера, соответствующие их расположению на автомобиле. Принцип нумерации приведен в таблице ниже. Номер идентификации Зона 100-199 Моторный отсек - всё, что находится...
Прокладка жгутов проводов
Прокладка жгутов проводов
Передний мост - левый жгут проводов Передний мост - правый жгут проводов Жгут проводов кузова/задний жгут проводов кузова Жгуты проводов кузова/передних ламп Жгут проводов кузова Жгут проводов центральной консоли Жгут проводов водительской двери...
Нестандартные символы и обозначения
Нестандартные символы и обозначения
На электросхемах используются следующие нестандартные символы и обозначения:
Стандартные символы и обозначения цветов проводов на схемах
Стандартные символы и обозначения цветов проводов на схемах
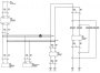
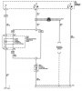
Символы, используемые в схемах электрооборудования автомобиля (стандарт DIN 40900): Обозначение цветов проводов на схемах ВК — Черный YE — Желтый BU — Синий BN — Коричневый GN — Зеленый GY — Серый PU — Пурпурный BG — Бежевый RD — Красный РК —...
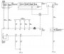
Адаптивное головное освещение (ТТ2)
Адаптивное головное освещение (ТТ2)
Адаптивное головное освещение (ТТ2) Нестандартные символы и обозначения на схемах смотрите здесь » Стандартные символы и обозначения цветов проводов на схемах смотрите здесь »
Антиблокировочная тормозная система и антипробуксовочная система
Антиблокировочная тормозная система и антипробуксовочная система
Антиблокировочная тормозная система и антипробуксовочная система Нестандартные символы и обозначения на схемах смотрите здесь » Стандартные символы и обозначения цветов проводов на схемах смотрите здесь »
Блок предохранителей приборной панели
Блок предохранителей приборной панели
Блок предохранителей приборной панели Нестандартные символы и обозначения на схемах смотрите здесь » Стандартные символы и обозначения цветов проводов на схемах смотрите здесь »
Блокировка переключения передач
Блокировка переключения передач
Блокировка переключения передач Нестандартные символы и обозначения на схемах смотрите здесь » Стандартные символы и обозначения цветов проводов на схемах смотрите здесь »
Блокировка рулевой колонки
Блокировка рулевой колонки
Блокировка рулевой колонки Нестандартные символы и обозначения на схемах смотрите здесь » Стандартные символы и обозначения цветов проводов на схемах смотрите здесь »
Внутреннее зеркало заднего вида
Внутреннее зеркало заднего вида
Внутреннее зеркало заднего вида Нестандартные символы и обозначения на схемах смотрите здесь » Стандартные символы и обозначения цветов проводов на схемах смотрите здесь »
Высокоскоростная шина GMLAN
Высокоскоростная шина GMLAN
Высокоскоростная шина GMLAN Нестандартные символы и обозначения на схемах смотрите здесь » Стандартные символы и обозначения цветов проводов на схемах смотрите здесь »
Высокоскоростная шина GMLAN СЕ Bus
Высокоскоростная шина GMLAN СЕ Bus
Высокоскоростная шина GMLAN СЕ Bus Нестандартные символы и обозначения на схемах смотрите здесь » Стандартные символы и обозначения цветов проводов на схемах смотрите здесь »
Газоразрядные фары головного освещения (ТТ2)
Газоразрядные фары головного освещения (ТТ2)
Газоразрядные фары головного освещения (ТТ2) Нестандартные символы и обозначения на схемах смотрите здесь » Стандартные символы и обозначения цветов проводов на схемах смотрите здесь »
Гидравлические тормоза
Гидравлические тормоза
Гидравлические тормоза Нестандартные символы и обозначения на схемах смотрите здесь » Стандартные символы и обозначения цветов проводов на схемах смотрите здесь »
Дальний свет фар (ТТ4)
Дальний свет фар (ТТ4)
Дальний свет фар (ТТ4) Нестандартные символы и обозначения на схемах смотрите здесь » Стандартные символы и обозначения цветов проводов на схемах смотрите здесь »
Датчик дождя (СЕ1)
Датчик дождя (СЕ1)
Датчик дождя (СЕ1) Нестандартные символы и обозначения на схемах смотрите здесь » Стандартные символы и обозначения цветов проводов на схемах смотрите здесь »
Датчики частоты вращения колес
Датчики частоты вращения колес
Датчики частоты вращения колес Нестандартные символы и обозначения на схемах смотрите здесь » Стандартные символы и обозначения цветов проводов на схемах смотрите здесь »
Дневной и ближний свет фар (ТТ4)
Дневной и ближний свет фар (ТТ4)
Дневной и ближний свет фар (ТТ4) Нестандартные символы и обозначения на схемах смотрите здесь » Стандартные символы и обозначения цветов проводов на схемах смотрите здесь »
Задние парковочные огни и подсветка номерного знака
Задние парковочные огни и подсветка номерного знака
Седан или хэтчбек Универсал Нестандартные символы и обозначения на схемах смотрите здесь » Стандартные символы и обозначения цветов проводов на схемах смотрите здесь »
Задний блок предохранителей
Задний блок предохранителей
Задний блок предохранителей Нестандартные символы и обозначения на схемах смотрите здесь » Стандартные символы и обозначения цветов проводов на схемах смотрите здесь »
Задний стеклоочиститель
Задний стеклоочиститель
Задний стеклоочиститель Нестандартные символы и обозначения на схемах смотрите здесь » Стандартные символы и обозначения цветов проводов на схемах смотрите здесь »
Замок зажигания
Замок зажигания
Замок зажигания Нестандартные символы и обозначения на схемах смотрите здесь » Стандартные символы и обозначения цветов проводов на схемах смотрите здесь »
Звуковой сигнал
Звуковой сигнал
Звуковой сигнал Нестандартные символы и обозначения на схемах смотрите здесь » Стандартные символы и обозначения цветов проводов на схемах смотрите здесь »
Иммобилайзер
Иммобилайзер
Иммобилайзер Нестандартные символы и обозначения на схемах смотрите здесь » Стандартные символы и обозначения цветов проводов на схемах смотрите здесь »
Лампы подсветки
Лампы подсветки
Лампы подсветки Нестандартные символы и обозначения на схемах смотрите здесь » Стандартные символы и обозначения цветов проводов на схемах смотрите здесь »
Локальная интерсеть
Локальная интерсеть
Локальная интерсеть Нестандартные символы и обозначения на схемах смотрите здесь » Стандартные символы и обозначения цветов проводов на схемах смотрите здесь »
Низкоскоростная шина GMLAN
Низкоскоростная шина GMLAN
Низкоскоростная шина GMLAN Нестандартные символы и обозначения на схемах смотрите здесь » Стандартные символы и обозначения цветов проводов на схемах смотрите здесь »
Омыаатели
Омыаатели
Омыаатели Нестандартные символы и обозначения на схемах смотрите здесь » Стандартные символы и обозначения цветов проводов на схемах смотрите здесь »
Освещение салона
Освещение салона
Освещение салона Нестандартные символы и обозначения на схемах смотрите здесь » Стандартные символы и обозначения цветов проводов на схемах смотрите здесь »
Переднее освещение
Переднее освещение
Переднее освещение (ТТ2) Переднее освещение (ТТ4) Нестандартные символы и обозначения на схемах смотрите здесь » Стандартные символы и обозначения цветов проводов на схемах смотрите здесь »
Передние стеклоочистители
Передние стеклоочистители
Передние стеклоочистители Нестандартные символы и обозначения на схемах смотрите здесь » Стандартные символы и обозначения цветов проводов на схемах смотрите здесь »
Подогрев заднего окна
Подогрев заднего окна
Подогрев заднего окна Нестандартные символы и обозначения на схемах смотрите здесь » Стандартные символы и обозначения цветов проводов на схемах смотрите здесь »
Привод отпирания лючка топливного бака
Привод отпирания лючка топливного бака
Привод отпирания лючка топливного бака Нестандартные символы и обозначения на схемах смотрите здесь » Стандартные символы и обозначения цветов проводов на схемах смотрите здесь »
Привод шторки заднего окна
Привод шторки заднего окна
Привод шторки заднего окна Нестандартные символы и обозначения на схемах смотрите здесь » Стандартные символы и обозначения цветов проводов на схемах смотрите здесь »
Прикуриватели и розетки для подключения дополнительного оборудования
Прикуриватели и розетки для подключения дополнительного оборудования
Прикуриватели и розетки для подключения дополнительного оборудования Нестандартные символы и обозначения на схемах смотрите здесь » Стандартные символы и обозначения цветов проводов на схемах смотрите здесь »
Противотуманные фары
Противотуманные фары
Седан или хэтчбек Универсал Нестандартные символы и обозначения на схемах смотрите здесь » Стандартные символы и обозначения цветов проводов на схемах смотрите здесь »
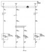
Разводка массы
Разводка массы
Разводка массы: G101, G102 и G103 Разводка массы: G104 Разводка массы: G105, G106, G108, G110 и G111 Разводка массы: G109 Разводка массы: G114 Разводка массы: G115 и G116 Разводка массы: G201 (левостороннее расположение приборов) Разводка массы:...
Разъем прицепа
Разъем прицепа
Разъем прицепа Нестандартные символы и обозначения на схемах смотрите здесь » Стандартные символы и обозначения цветов проводов на схемах смотрите здесь »
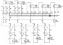
Распределение питания: предохранители
Распределение питания: предохранители
Распределение питания: предохранители F1, F2 и F3 Распределение питания: предохранители F10UA, F11UA и F47UA Распределение питания: предохранители F14DA, F15DA, F16DA, F17DA, F19DA, F20DA, F21DA, F22DA, F23DA, F24DA, F25DA и F26DA Распределение...
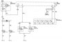
Распределение питания: шина положительного полюса аккумулятора (В+)
Распределение питания: шина положительного полюса аккумулятора (В+)
Распределение питания: шина положительного полюса аккумулятора (В+), блок предохранителей моторного отсека Нестандартные символы и обозначения на схемах смотрите здесь » Стандартные символы и обозначения цветов проводов на схемах смотрите здесь »
Распределение питания: шина положительного полюса аккумулятора (В+)
Распределение питания: шина положительного полюса аккумулятора (В+)
Распределение питания: шина положительного полюса аккумулятора (В+), блок предохранителей, аккумулятор Нестандартные символы и обозначения на схемах смотрите здесь » Стандартные символы и обозначения цветов проводов на схемах смотрите здесь »
Регулировка яркости освещения салона
Регулировка яркости освещения салона
Регулировка яркости освещения салона Нестандартные символы и обозначения на схемах смотрите здесь » Стандартные символы и обозначения цветов проводов на схемах смотрите здесь »
Регулятор фар (ТТ4)
Регулятор фар (ТТ4)
Регулятор фар (ТТ4) Нестандартные символы и обозначения на схемах смотрите здесь » Стандартные символы и обозначения цветов проводов на схемах смотрите здесь »
Розетка переменного тока
Розетка переменного тока
Розетка переменного тока Нестандартные символы и обозначения на схемах смотрите здесь » Стандартные символы и обозначения цветов проводов на схемах смотрите здесь »
Сигнализация открытия дверей
Сигнализация открытия дверей
Сигнализация открытия дверей Нестандартные символы и обозначения на схемах смотрите здесь » Стандартные символы и обозначения цветов проводов на схемах смотрите здесь »
Система запирания дверей
Система запирания дверей
Система запирания дверей Нестандартные символы и обозначения на схемах смотрите здесь » Стандартные символы и обозначения цветов проводов на схемах смотрите здесь »
Система контроля давления в шинах
Система контроля давления в шинах
Система контроля давления в шинах Нестандартные символы и обозначения на схемах смотрите здесь » Стандартные символы и обозначения цветов проводов на схемах смотрите здесь »
Система полного привода (F46)
Система полного привода (F46)
Система полного привода (F46) Нестандартные символы и обозначения на схемах смотрите здесь » Стандартные символы и обозначения цветов проводов на схемах смотрите здесь »
Система стабилизации
Система стабилизации
Система стабилизации Нестандартные символы и обозначения на схемах смотрите здесь » Стандартные символы и обозначения цветов проводов на схемах смотрите здесь »
Система управления кузовными системами
Система управления кузовными системами
Система управления кузовными системами Нестандартные символы и обозначения на схемах смотрите здесь » Стандартные символы и обозначения цветов проводов на схемах смотрите здесь »
Среднескоростная шина GMLAN
Среднескоростная шина GMLAN
Среднескоростная шина GMLAN Нестандартные символы и обозначения на схемах смотрите здесь » Стандартные символы и обозначения цветов проводов на схемах смотрите здесь »
Стояночный тормоз
Стояночный тормоз
Стояночный тормоз Нестандартные символы и обозначения на схемах смотрите здесь » Стандартные символы и обозначения цветов проводов на схемах смотрите здесь »
Указатели поворотов и стоп-сигналы
Указатели поворотов и стоп-сигналы
Седан или хэтчбек Универсал Нестандартные символы и обозначения на схемах смотрите здесь » Стандартные символы и обозначения цветов проводов на схемах смотрите здесь »
Управление внутренним освещением
Управление внутренним освещением
Управление внутренним освещением Нестандартные символы и обозначения на схемах смотрите здесь » Стандартные символы и обозначения цветов проводов на схемах смотрите здесь »
Управление головным освещением
Управление головным освещением
Управление головным освещением Нестандартные символы и обозначения на схемах смотрите здесь » Стандартные символы и обозначения цветов проводов на схемах смотрите здесь »
Управление наружным освещением
Управление наружным освещением
Управление наружным освещением Нестандартные символы и обозначения на схемах смотрите здесь » Стандартные символы и обозначения цветов проводов на схемах смотрите здесь »
Фонарь заднего хода
Фонарь заднего хода
Фонарь заднего хода Нестандартные символы и обозначения на схемах смотрите здесь » Стандартные символы и обозначения цветов проводов на схемах смотрите здесь »
Электронная система управления подвеской: датчики и приводы (F45)
Электронная система управления подвеской: датчики и приводы (F45)
Левое расположение органов управления Правое расположение органов управления Нестандартные символы и обозначения на схемах смотрите здесь » Стандартные символы и обозначения цветов проводов на схемах смотрите здесь »
Электронная система управления подвеской: питание, масса и серийные данные (F45)
Электронная система управления подвеской: питание, масса и серийные данные (F45)
Электронная система управления подвеской: питание, масса и серийные данные (F45) Нестандартные символы и обозначения на схемах смотрите здесь » Стандартные символы и обозначения цветов проводов на схемах смотрите здесь »
Электроусилитель рулевого управления
Электроусилитель рулевого управления
Электроусилитель рулевого управления Нестандартные символы и обозначения на схемах смотрите здесь » Стандартные символы и обозначения цветов проводов на схемах смотрите здесь »
Похожие подразделы других моделей
Электрические схемы автомобиля Хонда Цивик 6 (1995-2000, 6 поколение)
Электрические схемы автомобиля Чери Амулет А15 (2003-2010)
Электрические схемы автомобиля Мицубиси Паджеро L040/V20 (1982-1999, 1 и 2 поколение)
Электрические схемы автомобиля Ауди КУ5 8R (2008-2017, 1 поколение)
Электрические схемы автомобиля Исузу Трупер 1 (1981-1991, 1 поколение)
Электрические схемы автомобиля Сузуки Лиана 1 (2001-2007, 1 поколение)

Несколько случайных новостей марки Опель

Opel готовится к выпуску новых Frontera и Grandland с электрическими вариантами
Opel готовится к выпуску новых Frontera и Grandland с электрическими вариантами
2024.03.09
Хэтчбек Corsa стал самым экономичным Опелем
Хэтчбек Corsa стал самым экономичным Опелем
2015.01.29
В семействе Opel Astra появился свой экочемпион
В семействе Opel Astra появился свой экочемпион
2015.02.10
Компания Opel показала фрагмент кроссовера Crossland X
Компания Opel показала фрагмент кроссовера Crossland X
2017.01.16

 
Insignia 1 (A) 
  • Информация для владельца
  • Неисправности в пути
  • Вождение и техобслуживание
  • Руководство по эксплуатации
  • Безопасность и инструмент
  • Двигатель и системы
  • Бензиновые двигатели 1.6 л
  • Бензиновые двигатели 2.0 л
  • Дизельные двигатели 2.0 л
  • Дизельные двигатели 2.8 л
  • Система охлаждения
  • Система смазки
  • Система питания
  • Система управления
  • Система впуска и выпуска
  • Система пуска и зажигания
  • Трансмиссия
  • Сцепление
  • Механическая коробка
  • Автоматическая коробка
  • Раздаточная коробка
  • Приводные валы
  • Ходовая часть
  • Подвеска автомобиля
  • Тормозная система
  • Рулевое управление
  • Кузов и салон
  • Экстерьер (кузов)
  • Интерьер (салон)
  • Системы безопасности
  • Отопитель и кондиционер
  • Электрооборудование
  • Электрические схемы
Audi BMW Chery Chevrolet Citroen Daewoo Fiat Ford Honda Hyundai Infiniti Isuzu Jeep Lexus Land Rover Mazda Mercedes-Benz Mitsubishi Opel Nissan Peugeot Renault Saab Skoda Subaru Suzuki Toyota Volkswagen Volvo AvtoVAZ
AutoInstruction.ru © 2020–2025 | Карта сайта | Статьи | Контакты | Поиск по сайту | Добавить в закладки | Мобильная версия
 0.05