Двигатели 1.5 л
Детали установки поддона картера на моделях Mirage 1.5 л (двигатель 4G15): 1 - Крышка купола трансмиссии; 2 - Сливная пробка; 3 - Уплотнительная шайба; 4 - Поддон картера
Снятие
1. Детали установки поддона картера на двигателях 1.5 л представлены на иллюстрации.
2. Отсоедините отрицательный провод от батареи.
Если установленная на автомобиле стереосистема оборудована охранным кодом, прежде чем отсоединять батарею удостоверьтесь в том, что располагаете правильной комбинацией для ввода аудиосистемы в действие!
3. Поддомкратьте автомобиль и установите его на подпорки. Вывернув пробку, слейте двигательное масло.
4. Снимите нижнюю крышку купола трансмиссии.
5. Выверните крепежные болты, для разрушения слоя герметика обстучите поддон по периметру молотком с мягким бойком, затем отделите его от блока двигателя.
Ни в коем случае не пытайтесь поддеть поддон рычагом под сопрягаемую поверхность! В случае необходимости воспользуйтесь для разрушения слоя герметика специальным приспособлением типа MD998727.
Установка
1. Тщательно зачистите сопрягаемые поверхности поддона и блока цилиндров, полностью удалив с них следы старого герметика. В заключение протрите поверхности смоченной в ацетоне ветошью.
2. Нанесите на сопрягаемую поверхность поддона герметик, - герметик следует накладывать непрерывной подушкой и с внутренней стороны от болтовых отверстий
3. Не позднее чем через 15 минут после нанесения герметика прижмите поддон к блоку. Вверните крепежные болты и затяните их с требуемым усилием (7 Н·м).
4. Установите крышку купола трансмиссии.
5. В случае необходимости, заменив уплотнительную шайбу, вверните сливную пробку поддона и затяните ее с требуемым усилием (40 Н·м).
6. Опустите автомобиль на землю и залейте в двигатель необходимое количество свежего моторного масла соответствующего сорта (см. Главу Настройки и текущее обслуживание).
7. Подсоедините отрицательный провод к батарее. Запустите двигатель и проверьте его наличие признаков развития утечек.
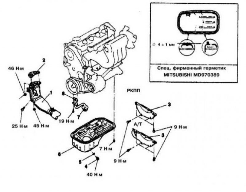
Двигатели 1.8 л
Детали установки поддона картера на моделях 1.8 л: 1 - Приемная труба системы выпуска отработавших газов; 2 - Уплотнительная прокладка; 3 - Крышка купола трансмиссии; 4 - Сливная пробка; 5 - Уплотнительная шайба; 6 - Поддон картера; 7 - Маслозаборник; 8 - Уплотнительная прокладка
Снятие
1. Детали установки поддона картера на двигателях 1.8 л представлены на иллюстрации.
2. Отсоедините отрицательный провод от батареи.
Если установленная на автомобиле стереосистема оборудована охранным кодом, прежде чем отсоединять батарею удостоверьтесь в том, что располагаете правильной комбинацией для ввода аудиосистемы в действие!
3. Поддомкратьте автомобиль и установите его на подпорки.
4. Вывернув пробку, слейте двигательное масло.
5. Отсоедините приемную трубу системы выпуска отработавших газов от выпускного коллектора двигателя.
6. Снимите нижнюю крышку купола трансмиссии.
7. Выверните крепежные болты, для разрушения слоя герметика обстучите поддон по периметру молотком с мягким бойком, затем отделите его от блока двигателя.
Ни в коем случае не пытайтесь поддеть поддон рычагом под сопрягаемую поверхность! В случае необходимости воспользуйтесь для разрушения слоя герметика специальным приспособлением типа MD998727.
Установка
1. Тщательно зачистите сопрягаемые поверхности поддона и блока цилиндров, полностью удалив с них следы старого герметика. В заключение протрите поверхности смоченной в ацетоне ветошью.
2. Нанесите на сопрягаемую поверхность поддона герметик. Герметик следует накладывать непрерывной подушкой и с внутренней стороны от болтовых отверстий.
3. Не позднее чем через 15 минут после нанесения герметика прижмите поддон к блоку. Вверните крепежные болты и затяните их с требуемым усилием (7 Н·м).
4. Установите крышку купола трансмиссии.
5. Заменив прокладку, подсоедините к выпускному коллектору приемную трубу системы выпуска отработавших газов, - крепежные гайки соединительного фланца затяните с требуемым усилием (45 Н·м). Не забудьте ввернуть крепежный болт, - требуемое усилие его затягивания составляет 25 Н·м.
6. В случае необходимости, заменив уплотнительную шайбу, вверните сливную пробку поддона и затяните ее с требуемым усилием (40 Н·м).
7. Опустите автомобиль на землю и залейте в двигатель необходимое количество свежего моторного масла соответствующего сорта (см. Главу Настройки и текущее обслуживание).
8. Подсоедините отрицательный провод к батарее. Запустите двигатель и проверьте его наличие признаков развития утечек.
Двигатели 1.6 л и 2.0 л
Детали установки поддона картера на моделях 2.0 л SOHC: 1 - Сливная пробка; 2 - Поддон картера; 3 - Маслозаборник с сетчатым фильтром; 4 - Уплотнительная прокладка
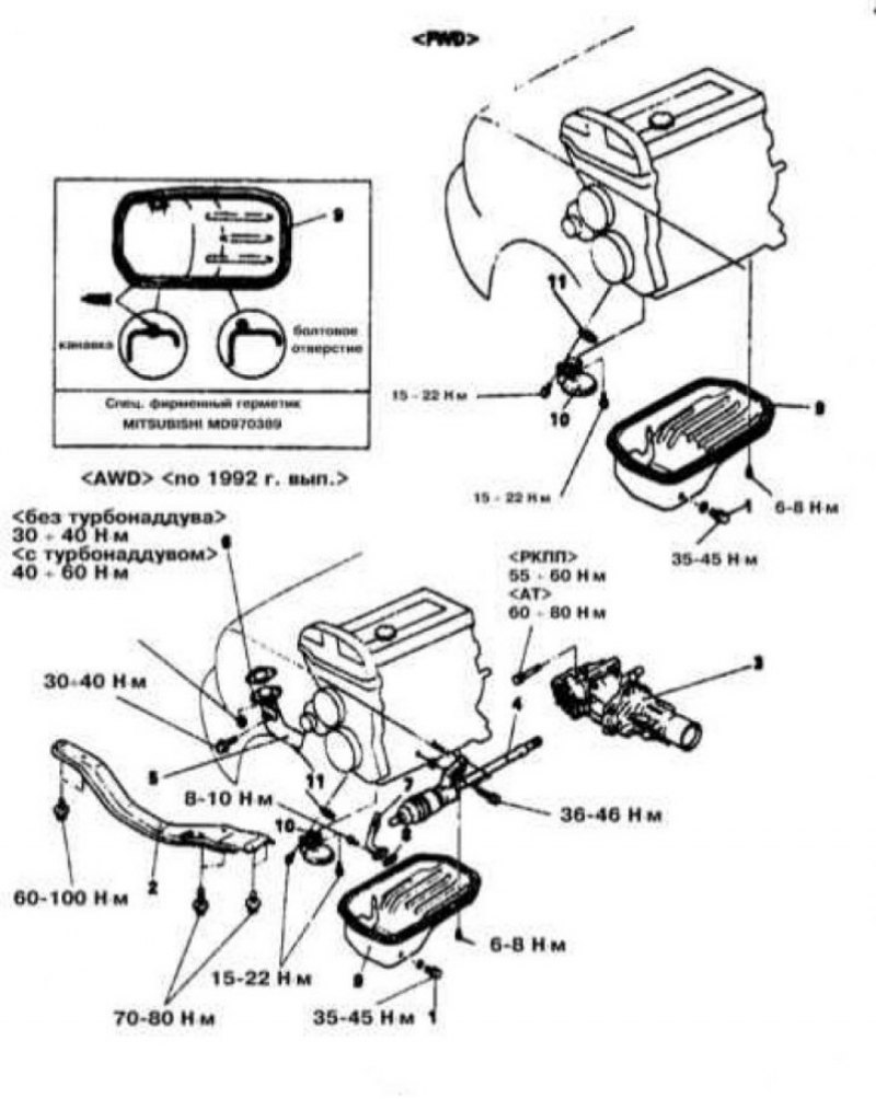
Детали установки поддона картера на моделях с передним и полным приводами 1.6 л и 2.0 л DOHC: 1 - Сливная пробка; 2 - Левая балка; 3 - Раздаточная коробка; 4 - Приводной вал; 5 - Приемная труба системы выпуска отработавших газов; 6 - Уплотнительная прокладка; 7 - Масловозвратная трубка турбокомпрессора; 8 - Уплотнительная прокладка; 9 - Поддон картера; 10 - Маслозаборник с сетчатым фильтром; 11 - Уплотнительная прокладка
Переднеприводные модели (FWD)
Снятие
1. Детали установки поддона картера на моделях FWD, оборудованных двигателями 1.6 л и 2.0 л представлены на иллюстрациях.
2. Отсоедините отрицательный провод от батареи.
Если установленная на автомобиле стереосистема оборудована охранным кодом, прежде чем отсоединять батарею удостоверьтесь в том, что располагаете правильной комбинацией для ввода аудиосистемы в действие!
3. Поддомкратьте автомобиль и установите его на подпорки.
4. Вывернув пробку, слейте двигательное масло.
5. Отсоедините приемную трубу системы выпуска отработавших газов от выпускного коллектора двигателя.
6. Подоприте двигатель тележечным домкратом, затем выверните крепежные болты и снимите центральную балку.
7. Выверните крепежные болты, для разрушения слоя герметика обстучите поддон по периметру молотком с мягким бойком, затем отделите его от блока двигателя.
Ни в коем случае не пытайтесь поддеть поддон рычагом под сопрягаемую поверхность! В случае необходимости воспользуйтесь для разрушения слоя герметика специальным приспособлением типа MD998727.
Установка
1. Протерев поддон, проверьте его на наличие трещин и прочих механических повреждений. Оцените состояние маслозаборника. Дефектные компоненты замените.
2. Тщательно зачистите сопрягаемые поверхности поддона и блока цилиндров, полностью удалив с них следы старого герметика. В заключение протрите поверхности смоченной в ацетоне ветошью.
3. Нанесите на сопрягаемую поверхность поддона герметик. Герметик следует накладывать непрерывной подушкой (с диаметром сечения около 4 мм) и с внутренней стороны от болтовых отверстий.
4. Не позднее чем через 15 минут после нанесения герметика прижмите поддон к блоку. Вверните крепежные болты и затяните их с требуемым усилием (6÷8 Н·м).
5. Установите балку. Вверните крепежные болты и затяните их с усилием 100 Н·м.
6. Установите крышку купола трансмиссии.
7. Заменив прокладку, подсоедините к выпускному коллектору приемную трубу системы выпуска отработавших газов, - крепежные гайки соединительного фланца затяните с требуемым усилием (40 Н·м).
8. В случае необходимости, заменив уплотнительную шайбу, вверните сливную пробку поддона и затяните ее с требуемым усилием (45 Н·м).
9. Опустите автомобиль на землю и залейте в двигатель необходимое количество свежего моторного масла соответствующего сорта (см. Главу Настройки и текущее обслуживание).
10. Подсоедините отрицательный провод к батарее. Запустите двигатель и проверьте его наличие признаков развития утечек.
Полноприводные модели (AWD)
Снятие
1. Детали установки поддона картера на моделях AWD, оборудованных двигателями 1.6 л и 2.0 л см на иллюстрации.
2. Отсоедините отрицательный провод от батареи.
Если установленная на автомобиле стереосистема оборудована охранным кодом, прежде чем отсоединять батарею удостоверьтесь в том, что располагаете правильной комбинацией для ввода аудиосистемы в действие!
3. Поддомкратьте автомобиль и установите его на подпорки.
4. Вывернув пробку, слейте двигательное масло.
5. Отсоедините приемную трубу системы выпуска отработавших газов от выпускного коллектора двигателя.
6. Снимите сборку раздаточной коробки и правый [левый] приводной вал.
7. Подоприте двигатель тележечным домкратом, затем выверните крепежные болты и снимите центральную балку.
8. Отсоедините масловозвратную трубку турбокомпрессора от стенки поддона.
9. Выверните крепежные болты, для разрушения слоя герметика обстучите поддон по периметру молотком с мягким бойком, затем отделите его от блока двигателя.
Ни в коем случае не пытайтесь поддеть поддон рычагом под сопрягаемую поверхность! В случае необходимости воспользуйтесь для разрушения слоя герметика специальным приспособлением типа MD998727.
Установка
1. Протерев поддон, проверьте его на наличие трещин и прочих механических повреждений. Оцените состояние маслозаборника. Дефектные компоненты замените.
2. Тщательно зачистите сопрягаемые поверхности поддона и блока цилиндров, полностью удалив с них следы старого герметика. В заключение протрите поверхности смоченной в ацетоне ветошью.
3. Нанесите на сопрягаемую поверхность поддона герметик. Герметик следует накладывать непрерывной подушкой (с диаметром сечения около 4 мм) и с внутренней стороны от болтовых отверстий.
4. Не позднее чем через 15 минут после нанесения герметика прижмите поддон к блоку. Вверните крепежные болты и затяните их с требуемым усилием (6÷8 Н·м).
5. Заменив уплотнительную прокладку, подсоедините к поддону картера масловозвратную трубку турбокомпрессора. Затяните крепеж с требуемым усилием (7÷10 Н·м).
6. Установите левую балку. Вверните крепежные болты и затяните их с требуемым усилием (100 Н·м - передние и 80 Н·м - задние).
7. Установите сборку раздаточной коробки и правый [левый] приводной вал.
8. Заменив прокладку, подсоедините к выпускному коллектору приемную трубу системы выпуска отработавших газов, - крепежные гайки соединительного фланца затяните с требуемым усилием (40 Н·м).
9. В случае необходимости, заменив уплотнительную шайбу, вверните сливную пробку поддона и затяните ее с требуемым усилием (45 Н·м).
10. Опустите автомобиль на землю и залейте в двигатель необходимое количество свежего моторного масла соответствующего сорта (см. Главу Настройки и текущее обслуживание).
11. Подсоедините отрицательный провод к батарее. Запустите двигатель и проверьте его наличие признаков развития утечек.
Двигатели 2.4 л
Детали установки поддона картера на моделях 2.4 л: 1 - Крышка купола трансмиссии; 2 - Сливная пробка; 3 - Уплотнительная шайба; 4 - Поддон картера; 5 - Маслозаборник с сетчатым фильтром
Снятие
1. Детали установки поддона картера на двигателях 2.4 л представлены на иллюстрации.
2. Отсоедините отрицательный провод от батареи.
Если установленная на автомобиле стереосистема оборудована охранным кодом, прежде чем отсоединять батарею удостоверьтесь в том, что располагаете правильной комбинацией для ввода аудиосистемы в действие!
3. Поддомкратьте автомобиль и установите его на подпорки. Вывернув пробку, слейте двигательное масло.
4. Извлеките щуп измерения уровня двигательного масла и снимите его направляющую трубку.
5. Отсоедините электропроводку от кислородного датчика (О2).
6. Отсоедините приемную трубу системы выпуска отработавших газов от выпускного коллектора двигателя.
7. Снимите нижнюю крышку купола трансмиссии.
8. Выверните крепежные болты, для разрушения слоя герметика обстучите поддон по периметру молотком с мягким бойком, затем отделите его от блока двигателя.
Ни в коем случае не пытайтесь поддеть поддон рычагом под сопрягаемую поверхность! В случае необходимости воспользуйтесь для разрушения слоя герметика специальным приспособлением типа MD998727.
Установка
1. Тщательно зачистите сопрягаемые поверхности поддона и блока цилиндров, полностью удалив с них следы старого герметика. В заключение протрите поверхности смоченной в ацетоне ветошью.
2. Нанесите на сопрягаемую поверхность поддона герметик. Герметик следует накладывать непрерывной подушкой и с внутренней стороны от болтовых отверстий.
3. Не позднее чем через 15 минут после нанесения герметика прижмите поддон к блоку. Вверните крепежные болты и затяните их с требуемым усилием (8 Н·м).
4. В случае необходимости, заменив уплотнительную шайбу, вверните сливную пробку поддона и затяните ее с требуемым усилием (39 Н·м).
5. Установите крышку купола трансмиссии. Вверните крепежные болты и затяните их с требуемым усилием (9 Н·м).
6. Заменив прокладку, подсоедините к выпускному коллектору приемную трубу системы выпуска отработавших газов, - крепежные гайки соединительного фланца затяните с требуемым усилием (44 Н·м).
Болты крепления каталитического преобразователя затягиваются с усилием 49 Н·м.
7. Подсоедините электропроводку к датчику О2.
8. Опустите автомобиль на землю и залейте в двигатель необходимое количество свежего моторного масла соответствующего сорта (см. Главу Настройки и текущее обслуживание).
9. Подсоедините отрицательный провод к батарее. Запустите двигатель и проверьте его наличие признаков развития утечек.
Двигатели 3.0 л
Снятие
1. Отсоедините отрицательный провод от батареи.
Если установленная на автомобиле стереосистема оборудована охранным кодом, прежде чем отсоединять батарею удостоверьтесь в том, что располагаете правильной комбинацией для ввода аудиосистемы в действие!
2. Поддомкратьте автомобиль и установите его на подпорки. Вывернув пробку, слейте двигательное масло.
3. Снимите левую балку. На моделях, оборудованных 4WS необходимо снять также и правую балку.
4. Снимите стартер.
5. Отсоедините кронштейн реактивного упора с кронштейна задней стойки трансмиссии. Снимите кронштейны обеих опор трансмиссии.
6. Снимите нижнюю крышку купола трансмиссии.
7. Выверните крепежные болты, для разрушения слоя герметика обстучите поддон по периметру молотком с мягким бойком, затем отделите его от блока двигателя.
Ни в коем случае не пытайтесь поддеть поддон рычагом под сопрягаемую поверхность! В случае необходимости воспользуйтесь для разрушения слоя герметика специальным приспособлением типа MD998727.
Установка
1. Тщательно зачистите сопрягаемые поверхности поддона и блока цилиндров, полностью удалив с них следы старого герметика. В заключение протрите поверхности смоченной в ацетоне ветошью.

2. Нанесите на сопрягаемую поверхность поддона герметик. Герметик следует накладывать непрерывной подушкой и с внутренней стороны от болтовых отверстий.
3. Не позднее чем через 15 минут после нанесения герметика прижмите поддон к блоку. Вверните крепежные болты и, действуя строго в определенном порядке, затяните их с требуемым усилием (6 Н·м).
4. Установите на место нижнюю крышку купола трансмиссии и сборку стартера.
5. Установите кронштейны опор трансмиссии и подсоедините монтажную скобу реактивного упора.
6. Установите балку(и) подрамника. Вверните крепежные болты и затяните их с требуемым усилием (60÷70 Н·м).
7. В случае необходимости, заменив уплотнительную шайбу, вверните сливную пробку поддона и затяните ее с требуемым усилием (39 Н·м).
8. Опустите автомобиль на землю и залейте в двигатель необходимое количество свежего моторного масла соответствующего сорта (см. Главу Настройки и текущее обслуживание).
9. Подсоедините отрицательный провод к батарее. Запустите двигатель и проверьте его наличие признаков развития утечек.
Двигатели 3.5 л
Снятие
1. Отсоедините отрицательный провод от батареи.
Если установленная на автомобиле стереосистема оборудована охранным кодом, прежде чем отсоединять батарею удостоверьтесь в том, что располагаете правильной комбинацией для ввода аудиосистемы в действие!
2. Поддомкратьте автомобиль и установите его на подпорки. Вывернув пробку, слейте двигательное масло.
3. Выверните болты крепления нижней секции поддона картера. Обстучав молотком через деревянный брусок, снимите нижнюю секцию поддона.
4. Снимите стартер.
5. Извлеките щуп измерения уровня двигательного масла и снимите его направляющую трубку.

6. Отболтите верхнюю секцию поддона. Для отделения верхней секции от блока двигателя вверните болт в специально предусмотренное резьбовое отверстие в литье элемента.
Ни в коем случае не пытайтесь отделить поддон путем поддевания его рычагом под сопрягаемую поверхность!
7. Сняв верхнюю секцию, выверните из нее использовавшийся при демонтаже сервисный болт.
Установка
1. Тщательно зачистите сопрягаемые поверхности обеих секций поддона и блока цилиндров, полностью удалив с них следы старого герметика. В заключение протрите поверхности смоченной в ацетоне ветошью.

2. Нанесите на сопрягаемую с блоком поверхность верхней секции поддона герметик. Герметик следует накладывать непрерывной подушкой и с внутренней стороны от болтовых отверстий.
3. Не позднее чем через 15 минут после нанесения герметика прижмите поддон к блоку. Вверните крепежные болты и, действуя строго в определенном порядке, затяните их с требуемым усилием (6 Н·м).
4. Заменив уплотнительное кольцо, установите направляющую трубку щупа измерения двигательного масла.
5. Установите сборку стартера.

6. Нанесите на тщательно очищенную сопрягаемую поверхность нижней секции поддона герметик. Герметик следует накладывать непрерывной подушкой и с внутренней стороны от болтовых отверстий.
7. Не позднее чем через 15 минут после нанесения герметика прижмите поддон к блоку. Вверните крепежные болты и, действуя строго в определенном порядке, затяните их с требуемым усилием (10÷12 Н·м).
8. В случае необходимости, заменив уплотнительную шайбу, вверните сливную пробку поддона и затяните ее с требуемым усилием (39 Н·м).
9. Опустите автомобиль на землю и залейте в двигатель необходимое количество свежего моторного масла соответствующего сорта (см. Главу Настройки и текущее обслуживание).
10. Подсоедините отрицательный провод к батарее. Запустите двигатель и проверьте его наличие признаков развития утечек.
