Детали установки водяного насоса на моделях Mirage, оборудованных двигателем 1.5 л (4G15): 1 - Шкив водяного насоса; 2 - Опорный кронштейн рулевого насоса (модели с гидроусилителем руля); 3 - Опорный кронштейн генератора; 4 - Дистанционная втулка натяжителя; 5 - Пружина натяжителя; 6 - Натяжитель газораспределительного ремня; 7 - Водяной насос; 8 - Уплотнительная прокладка; 9 - Уплотнительное кольцо
Детали установки водяного насоса на моделях Mirage, оборудованных двигателем 1.8 л (4G93): 1 - Задняя крышка привода ГРМ; 2 - Водяной насос
Детали установки водяного насоса на двигателе 2.0 л DOHC: 1 - Опорный кронштейн генератора; 2 - Водяной насос; 3 - Уплотнительная прокладка; 4 - Уплотнительное кольцо
Детали установки водяного насоса на моделях 3.0 л DOHC: 1 - Водяной насос; 2 - Уплотнительная прокладка; 3 - Впускной воздуховод; 4 - Патрубок подсоединения верхнего радиаторного шланга; 5 - Патрубок выпуска воды; 6 - Уплотнительная прокладка; 7 - Контактные разъемы жгута электропроводки; 8 - Патрубок подсоединения шланга системы отопления; 9 - Патрубок подсоединения шланга водяного тракта А; 10 - Патрубок подсоединения шланга водяного тракта; 11 - Патрубок подсоединения нижнего радиаторного шланга; 12 - Кожух термостата; 13 - Уплотнительная прокладка; 14 - Патрубок впуска воды; 15 - Уплотнительное кольцо
Двигатели 1.5 л и 1.8 л
Снятие
1. Детали установки водяного насоса на двигателях 1.5 л и 1.8 л представлены на иллюстрациях.
2. Отсоедините отрицательный провод от батареи.
Если установленная на автомобиле стереосистема оборудована охранным кодом, прежде чем отсоединять батарею удостоверьтесь в том, что располагаете правильной комбинацией для ввода аудиосистемы в действие!
3. Опорожните систему охлаждения.
Во избежание получения ожогов, приступайте к выполнению перечисленных работ только после окончательного остывания системы! Не допускайте попадания антифриза на открытые участки тела и окрашенные поверхности автомобиля. Случайно попавшие брызги без промедления смывайте обильным количеством воды. Помните, что антифриз является в высшей степени токсичной жидкостью и попадание его внутрь организма даже в небольших количествах чревато самыми серьезными последствиями (вплоть до летального исхода). Никогда не оставляйте антифриз хранящимся в неплотно закрытой таре и без промедления собирайте пролитую на пол охлаждающую жидкость. Помните, что сладковатый запах антифриза может привлечь к себе внимание детей и животных. О способах утилизациях отработанной охлаждающей жидкости проконсультируйтесь на любой станции автосервиса. Во многих регионах мира обустроены специальные пункты по приему различного рода отработок. Ни в коем случае не сливайте старую охлаждающую жидкость в канализацию и на землю!
4. Снимите элементы защиты картера.
5. Отпустите болт хомута крепления шланга системы гидроусиления руля.
6. Снимите ремни привода вспомогательных агрегатов.
7. Подоприте двигатель тележечным домкратом и снимите кронштейн опоры подвески силового агрегата.
8. Снимите газораспределительный ремень (см. Раздел Снятие и установка крышки привода ГРМ и газораспределительного ремня).
9. Снимите опорный кронштейн рулевого насоса.
10. Снимите опорный кронштейн генератора.
11. Выверните крепежные болты и снимите сборку водяного насоса, ее уплотнительную прокладку, а также уплотнительное кольцо штуцерного разъема(ов) патрубка впуска воды.
Болты крепления водяного насоса имеют различную длину, - постарайтесь запомнить точное местоположение каждого из элементов крепежа.
Установка
1. Тщательно зачистите сопрягаемые поверхности сборки водяного насоса и блока двигателя, затем протрите их смоченной в ацетоне ветошью.
2. На моделях 1.5 л установите новое уплотнительное кольцо в приемную канавку на передней стороне патрубка впуска воды.
Кольцо устанавливается всухую, без применения каких-либо масел или смазок! Допускается лишь слегка смочить кольцо перед посадкой водой.
3. На моделях 1.8 л наложите на сопрягаемую поверхность насоса непрерывную подушку герметика толщиной 2.5÷3.0 мм, затем прижмите насосную сборку к двигателю, вверните и затяните крепежные болты с требуемым усилием (24 Н·м).
Установка насоса должна быть произведена в течение не более 15 минут после нанесения герметика! Заправка системы охлаждения и запуск двигателя могут быть осуществлены спустя не менее часа после установки насоса!
4. На моделях 1.5 л установите сборку водяного насоса на двигатель (не забудьте заменить уплотнительную прокладку), вверните крепежные болты и затяните их с требуемым усилием (25 Н·м), - постарайтесь не допустить смещения насосной сборки в процессе затягивания крепежа.
5. Установка оставшихся компонентов производится в порядке, обратном порядку их демонтажа.
6. Залейте в систему свежую охлаждающую жидкость.
7. Подсоедините батарею, запустите двигатель, прогрейте его до нормальной рабочей температуры и откорректируйте уровень охлаждающей жидкости в радиаторе. Проверьте систему охлаждения на наличие признаков развития утечек.
8. После остывания двигателя еще раз проверьте уровень охлаждающей жидкости.
Двигатели 1.6 л и 2.0 л (SOHC и DOHC)
Снятие
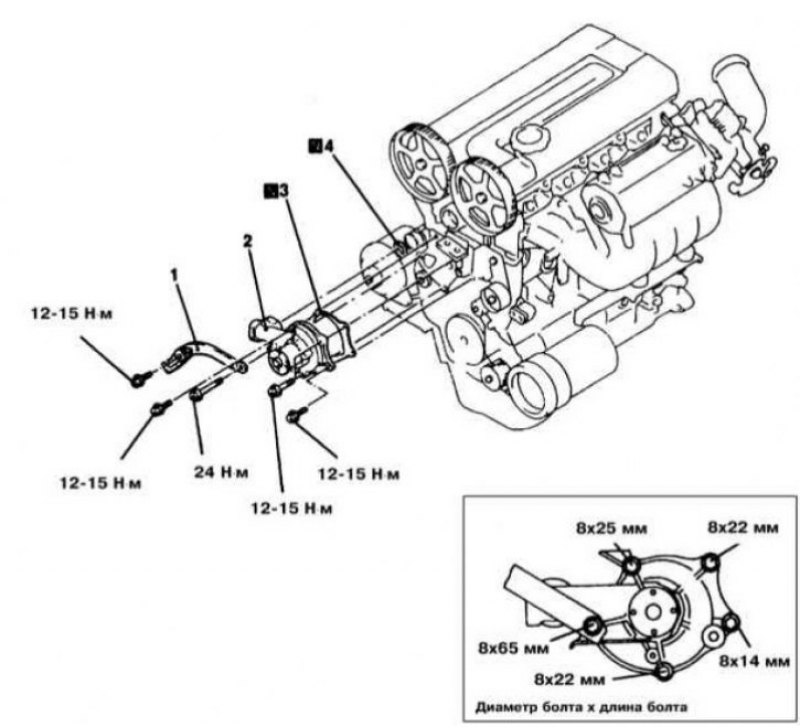
1. Детали установки водяного насоса на двигателях 2.0 л DOHC представлены на иллюстрации, на прочих двигателях картина выглядит аналогично.
2. Отсоедините отрицательный провод от батареи.
Если установленная на автомобиле стереосистема оборудована охранным кодом, прежде чем отсоединять батарею удостоверьтесь в том, что располагаете правильной комбинацией для ввода аудиосистемы в действие!
3. Опорожните систему охлаждения.
Во избежание получения ожогов, приступайте к выполнению перечисленных работ только после окончательного остывания системы! Не допускайте попадания антифриза на открытые участки тела и окрашенные поверхности автомобиля. Случайно попавшие брызги без промедления смывайте обильным количеством воды. Помните, что антифриз является в высшей степени токсичной жидкостью и попадание его внутрь организма даже в небольших количествах чревато самыми серьезными последствиями (вплоть до летального исхода). Никогда не оставляйте антифриз хранящимся в неплотно закрытой таре и без промедления собирайте пролитую на пол охлаждающую жидкость. Помните, что сладковатый запах антифриза может привлечь к себе внимание детей и животных. О способах утилизациях отработанной охлаждающей жидкости проконсультируйтесь на любой станции автосервиса. Во многих регионах мира обустроены специальные пункты по приему различного рода отработок. Ни в коем случае не сливайте старую охлаждающую жидкость в канализацию и на землю!
4. Снимите газораспределительный ремень (см. Раздел Снятие и установка крышки привода ГРМ и газораспределительного ремня).
5. В случае необходимости снимите с насосной сборки опорный кронштейн генератора.
6. В случае необходимости снимите заднюю крышку привода ГРМ.
7. Выверните крепежные болты и снимите сборку водяного насоса и ее уплотнительную прокладку. Снимите уплотнительное кольцо.
Установка
1. Тщательно зачистите сопрягаемые поверхности сборки водяного насоса и блока двигателя, затем протрите их смоченной в ацетоне ветошью.
2. Установите новое уплотнительное кольцо в приемную канавку на передней стороне патрубка впуска воды.
Кольцо устанавливается всухую, без применения каких-либо масел или смазок! Допускается лишь слегка смочить кольцо перед посадкой водой.
3. Установите сборку водяного насоса на двигатель (не забудьте заменить уплотнительную прокладку), вверните крепежные болты и затяните их с требуемым усилием (12÷25 Н·м), - постарайтесь не допустить смещения насосной сборки в процессе затягивания крепежа. Установите на насосную сборку опорный кронштейн генератора, вверните крепежный болт и затяните его с требуемым усилием (24 Н·м).
4. Если снимали, установите на место заднюю крышку газораспределительного ремня.
5. Установите газораспределительный ремень (см. Раздел Снятие и установка крышки привода ГРМ и газораспределительного ремня).
6. Установка оставшихся компонентов производится в порядке, обратном порядку их демонтажа.
7. Залейте в систему свежую охлаждающую жидкость.
8. Подсоедините батарею, запустите двигатель, прогрейте его до нормальной рабочей температуры и откорректируйте уровень охлаждающей жидкости в радиатор. Проверьте систему охлаждения на наличие признаков развития утечек.
9. После остывания двигателя еще раз проверьте уровень охлаждающей жидкости.
Двигатели 2.4 л
Снятие
1. Отсоедините отрицательный провод от батареи.
Если установленная на автомобиле стереосистема оборудована охранным кодом, прежде чем отсоединять батарею удостоверьтесь в том, что располагаете правильной комбинацией для ввода аудиосистемы в действие!
2. Опорожните систему охлаждения.
Во избежание получения ожогов, приступайте к выполнению перечисленных работ только после окончательного остывания системы! Не допускайте попадания антифриза на открытые участки тела и окрашенные поверхности автомобиля. Случайно попавшие брызги без промедления смывайте обильным количеством воды. Помните, что антифриз является в высшей степени токсичной жидкостью и попадание его внутрь организма даже в небольших количествах чревато самыми серьезными последствиями (вплоть до летального исхода). Никогда не оставляйте антифриз хранящимся в неплотно закрытой таре и без промедления собирайте пролитую на пол охлаждающую жидкость. Помните, что сладковатый запах антифриза может привлечь к себе внимание детей и животных. О способах утилизациях отработанной охлаждающей жидкости проконсультируйтесь на любой станции автосервиса. Во многих регионах мира обустроены специальные пункты по приему различного рода отработок. Ни в коем случае не сливайте старую охлаждающую жидкость в канализацию и на землю!
3. Снимите элементы защиты картера.
4. Отпустите болт хомута крепления шланга системы гидроусиления руля.
5. Снимите ремни привода вспомогательных агрегатов.
6. Подоприте двигатель тележечным домкратом и снимите кронштейн опоры подвески силового агрегата.
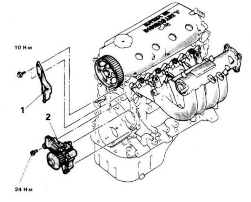
7. Снимите ремни привода вспомогательных агрегатов. Выверните крепежные болты и снимите шкив водяного насоса.
![]() | ![]() |
8. Снимите опорный кронштейн натяжителя ремня привода компрессора К/В.
9. Снимите передние крышки привода ГРМ.
10. Снимите зубчатые ремни привода ГРМ и балансировочного вала (см. Раздел Снятие и установка крышки привода ГРМ и газораспределительного ремня).

11. Снимите промежуточный ролик ремня привода компрессора К/В и его (ролика) опорный кронштейн.
![]() | ![]() |

12. Снимите опорный кронштейн генератора.

13. Выверните крепежные болты и снимите сборку водяного насоса, ее уплотнительную прокладку, а также уплотнительное кольцо штуцерного разъема(ов) патрубка впуска воды.
![]() | ![]() |
Установка
1. Тщательно зачистите сопрягаемые поверхности сборки водяного насоса и блока двигателя, затем протрите их смоченной в ацетоне ветошью.

2. Оцените состояние лопастей ротора водяного насоса, в случае выявления признаков износа или повреждений замените насосную сборку.
3. Установите новое уплотнительное кольцо в приемную канавку на передней стороне патрубка впуска воды.
Кольцо устанавливается всухую, без применения каких-либо масел или смазок! Допускается лишь слегка смочить кольцо перед посадкой водой.

4. Установите сборку водяного насоса на двигатель (не забудьте заменить уплотнительную прокладку), вверните крепежные болты и затяните их с требуемым усилием (болты с маркировкой 4 на головке - с усилием 14 Н·м, болты с маркировкой 7 - с усилием 24 Н·м), - постарайтесь не допустить смещения насосной сборки в процессе затягивания крепежа.
5. Установите кронштейн промежуточного ролика ремня привода компрессора К/В и сам ролик.
6. Установите зубчатые ремни привода ГРМ и балансировочного вала (см. Раздел Снятие и установка крышки привода ГРМ и газораспределительного ремня).
7. Установите ремни привода вспомогательных агрегатов.
8. Установите кронштейн опоры подвески силового агрегата.
9. Установите элементы защиты картера.
10. Установка оставшихся компонентов производится в порядке, обратном порядку их демонтажа.
11. Залейте в двигатель свежую охлаждающую жидкость.
12. Подсоедините батарею, запустите двигатель, прогрейте его до нормальной рабочей температуры и откорректируйте уровень охлаждающей жидкости в радиаторе. Проверьте систему охлаждения на наличие признаков развития утечек.
13. После остывания двигателя еще раз проверьте уровень охлаждающей жидкости.
Двигатели 3.0 л и 3.5 л
Снятие
1. Детали установки водяного насоса на двигателях 3.0 л DOHC представлены на сопроводительной иллюстрации, на прочих двигателях картина выглядит аналогично.
2. Отсоедините отрицательный провод от батареи.
Если установленная на автомобиле стереосистема оборудована охранным кодом, прежде чем отсоединять батарею удостоверьтесь в том, что располагаете правильной комбинацией для ввода аудиосистемы в действие!
3. Опорожните систему охлаждения.
Во избежание получения ожогов, приступайте к выполнению перечисленных работ только после окончательного остывания системы! Не допускайте попадания антифриза на открытые участки тела и окрашенные поверхности автомобиля. Случайно попавшие брызги без промедления смывайте обильным количеством воды. Помните, что антифриз является в высшей степени токсичной жидкостью и попадание его внутрь организма даже в небольших количествах чревато самыми серьезными последствиями (вплоть до летального исхода). Никогда не оставляйте антифриз хранящимся в неплотно закрытой таре и без промедления собирайте пролитую на пол охлаждающую жидкость. Помните, что сладковатый запах антифриза может привлечь к себе внимание детей и животных. О способах утилизациях отработанной охлаждающей жидкости проконсультируйтесь на любой станции автосервиса. Во многих регионах мира обустроены специальные пункты по приему различного рода отработок. Ни в коем случае не сливайте старую охлаждающую жидкость в канализацию и на землю!
4. Снимите элементы защиты картера.
5. Подоприте двигатель тележечным домкратом и снимите кронштейн опоры подвески силового агрегата.
6. Снимите газораспределительный ремень (см. Раздел Снятие и установка крышки привода ГРМ и газораспределительного ремня).
7. Отсоедините подведенные к насосной сборке шланги охладительного тракта.
8. Снимите опорный кронштейн генератора.
9. Выверните крепежные болты и снимите сборку водяного насоса, ее уплотнительную прокладку, а также уплотнительные кольца штуцерного разъема патрубка впуска воды.
Болты крепления водяного насоса имеют различную длину, - постарайтесь запомнить точное местоположение каждого из элементов крепежа.
Установка
1. Тщательно зачистите сопрягаемые поверхности сборки водяного насоса и блока двигателя, затем протрите их смоченной в ацетоне ветошью.
2. Установите новое уплотнительное кольцо в приемную канавку на передней стороне патрубка впуска воды.
Кольцо устанавливается всухую, без применения каких-либо масел или смазок! Допускается лишь слегка смочить кольцо перед посадкой водой.
3. Установите сборку водяного насоса на двигатель (не забудьте заменить уплотнительную прокладку), вверните крепежные болты и затяните их с требуемым усилием (24 Н·м), - постарайтесь не допустить смещения насосной сборки в процессе затягивания крепежа.
4. Подсоедините к насосу шланги охладительного тракта.
5. Установите газораспределительный ремень (см. Раздел Снятие и установка крышки привода ГРМ и газораспределительного ремня).
6. Установите ремни привода вспомогательных агрегатов.
7. Залейте в систему свежую охлаждающую жидкость.
8. Подсоедините батарею, запустите двигатель, прогрейте его до нормальной рабочей температуры и откорректируйте уровень охлаждающей жидкости в радиатор. Проверьте систему охлаждения на наличие признаков развития утечек.
9. После остывания двигателя еще раз проверьте уровень охлаждающей жидкости.






