Детали установки компонентов привода клапанов на моделях 1.5 л: 1 - Патрубок сапуна; 2 - Шланг PCV; 3 - Крышка головки цилиндров; 4 - Уплотнительная прокладка; 5 - Сальник; 6 - Коромысла привода клапанов с осью; 7 - Коромысла привода клапанов с осью; 8 - Коромысла D; 9 - Волнистые шайбы; 10 - Дистанционные втулки; 11 - Коромысла С; 12 - Ось коромысел привода выпускных клапанов; 13 - Коромысла В; 14 - Пружины коромысел; 15 - Коромысла А; 16 - Ось коромысел привода впускных клапанов; 17 - Регулировочный винт; 18 - Гайка; 19 - Распределительный вал
Детали установки компонентов привода клапанов на моделях 1.8 л: 1 - Патрубок сапуна; 2 - Шланг PCV; 3 - Крышка головки цилиндров; 4 - Уплотнительная прокладка; 5 - Сальник; 6 - Сальник; 7 - Коромысла привода клапанов с осью; 8 - Коромысла привода клапанов с осью; 9 - Пружины осей коромысел; 10 - Коромысла А; 11 - Коромысла В; 12 - Ось коромысел привода впускных клапанов; 13 - Регулировочный винт; 14 - Гайка; 15 - Коромысла С; 16 - Ось коромысел привода выпускных клапанов; 17 - Регулировочный винт; 18 - Гайка; 19 - Распределительный вал
Детали установки компонентов привода клапанов на моделях 2.0 л (SOHC): 1 - Патрубок сапуна; 2 - Шланг PCV; 3 - Уплотнительная шайба; 4 - Сальник; 5 - Крышка головки цилиндров; 6 - Уплотнительная прокладка; 7 - Полукруглое уплотнение; 8 - Коромысла привода клапанов с осями; 9 - Крышка заднего подшипника; 10 - Коромысло D; 11 - Пружины; 12 - Коромысло D; 13 - Крышка подшипника № 4; 14 - Коромысло С; 15 - Коромысло С; 16 - Пружины; 17 - Крышка подшипника № 3; 18 - Коромысло D; 19 - Пружины; 20 - Коромысло D; 21 - Крышка подшипника № 2; 22 - Коромысло С; 23 - Коромысло С; 24 - Пружина; 25 - Волнистая шайба; 26 - Правая ось коромысел; 27 - Левая ось коромысел; 28 - Крышка переднего подшипника; 29 - Корректор клапанного зазора; 30 - Сальник; 31 - Распределительный вал
Детали установки компонентов привода клапанов на моделях, оборудованных двигателями 1.6 л и 2.0 л DOHC: 1 - Крышка заднего подшипника; 2 - Крышка переднего подшипника; 3 - Сальник распределительного вала; 4 - Крышка подшипника № 5; 5 - Крышка подшипника № 2; 6 - Крышка подшипника № 4; 7 - Крышка подшипника № 3; 8 - Распределительный вал; 9 - Коромысла привода клапанов; 10 - Гидрокорректор клапанного зазора; 11 - Корпус маслораздающего устройства
Детали установки компонентов привода клапанов на моделях, оборудованных двигателями 2.4 л: 1 - Трос газа; 2 - Патрубок сапуна; 3 - Шланг PCV; 4 - Свечные провода; 5 - Крышка головки цилиндров; 6 - Распределитель зажигания; 7 - Газораспределительный ремень; 8 - Зубчатое колесо распределительного вала; 9 - Сальник распределительного вала; 10 - Сборка коромысел привода впускных клапанов со своей осью; 11 - Сборка коромысел привода выпускных клапанов со своей осью; 12 - Распределительный вал
Детали установки компонентов привода клапанов на моделях, оборудованных двигателями 3.0 л DOHC: 1 - Переходная насадка подключения датчика положения коленчатого вала (CKP) (модели до 1992 г. вып.); 2 - Циркулярное уплотнение (модели с 1993 г. вып.); 3 - Сальник распределительного вала; 4 - Крышка переднего подшипника; 5 - Крышка заднего подшипника; 6 - Крышка подшипника № 2; 7 - Крышка подшипника № 4; 8 - Крышка подшипника № 3; 9 - Распределительный вал; 10 - Коромысло привода клапана; 11 - Гидравлический корректор клапанного зазора
Детали установки компонентов привода клапанов на моделях, оборудованных двигателями 3.0 л SOHC: 1 - Крышка головки цилиндров; 2 - Уплотнительная прокладка; 3 - Кольцевая уплотнительная вставка; 4 - Опорный кронштейн "А" нагнетательной камеры впускного трубопровода; 5 - Сальник распределительного вала; 6 - Переходная насадка распределителя зажигания; 7 - Уплотнительное кольцо; 8 - Сборка привода клапанов; 9 - Крышка подшипника № 4; 10 - Коромысла привода клапанов; 11 - Пружины; 12 - Крышка подшипника № 3; 13 - Крышка подшипника № 2; 14 - Ось коромысел "В"; 15 - Ось коромысел "А"; 16 - Крышка подшипника № 1; 17 - Регулятор клапанного зазора; 18 - Распределительный вал
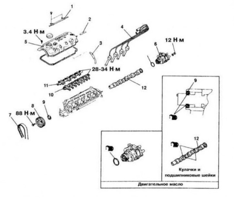
Детали установки компонентов привода клапанов на моделях, оборудованных двигателями 3.5 л: 1 - Крышка головки цилиндров; 2 - Уплотнительная прокладка; 3 - Уплотнительная манжета; 4 - Сальник распределительного вала; 5 - Сборка механизма привода клапанов; 6 - Сборка механизма привода клапанов; 7 - Пружины оси коромысел; 8 - Коромысла А; 9 - Коромысла В; 10 - Ось коромысел; 11 - Регулятор клапанного зазора; 12 - Коромысла С; 13 - Ось коромысел; 14 - Регулятор клапанного зазора; 15 - Упорная крышка; 16 - Уплотнительное кольцо; 17 - Распределительный вал; N - Заменить
Двигатели 1.5 л
Снятие
1. Детали установки компонентов механизма привода клапанов на двигателях 1.5 л представлены на иллюстрации.
2. Отсоедините отрицательный провод от батареи.
Если установленная на автомобиле стереосистема оборудована охранным кодом, прежде чем отсоединять батарею удостоверьтесь в том, что располагаете правильной комбинацией для ввода аудиосистемы в действие!
3. Приведите двигатель в положение ВМТ конца такта сжатия поршня первого цилиндра.
4. Отсоедините трос газа, патрубок сапуна и шланг PCV.
5. Пометьте положение корпуса распределителя зажигания относительно блока двигателя и снимите распределитель.
6. Снимите крышку головки цилиндров и ее уплотнительную прокладку.
7. В несколько приемов равномерно ослабьте крепежные болты и извлеките из головки цилиндров оси коромысел.
8. Снимите крышки привода ГРМ.
9. Снимите сборку газораспределительного ремня.
Постарайтесь не допустить проворачивания распределительного и валов при снятом газораспределительном ремне!
10. Удерживая зубчатое колесо распределительного вала от проворачивания, выверните болт его крепления.

11. Снимите зубчатое колесо распределительного вала, - обратите внимание, что вал должен быть развернут отверстием под направляющий штифт вверх.
12. Извлеките из передней стенки головки цилиндров сальник распределительного вала.
13. Извлеките распределительный вал.
14. Внимательно осмотрите все снятые компоненты на наличие признаков чрезмерного износа и повреждений.
Установка
1. Смажьте распределительный вал густым машинным маслом и опустите его на свое посадочное место в головку цилиндров, - проследите, чтобы вал оказался развернут отверстием под направляющий штифт на 12 часов.
2. Измерьте величину осевого люфта распределительного вала по упорному кожуху. Если результат измерения выходит за пределы допустимого диапазона (0.05÷0.20 мм), замените упорный подшипник распределительного вала.
3. Установите новый сальник, - перед установкой губки сальника следует смазать чистым двигательным маслом.
4. Посадите на цапфу распределительного вала зубчатое колесо. Вверните крепежный бот и, удерживая вал от проворачивания, затяните его с требуемым усилием (70 Н·м).
5. Установите газораспределительный ремень.
6. Установите крышки привода ГРМ.
7. Установите сборки коромысел со своими осями. В несколько приемов равномерно затяните крепежные болты с требуемым усилием (32 Н·м).
8. Проверьте регулировку клапанных зазоров, подберите уплотнительную прокладку и установите крышку головки цилиндров. Вверните крепежные болты и затяните из с требуемым усилием (1.8 Н·м).
9. Проследив за совмещением нанесенных в процессе демонтажа посадочных меток, установите на двигатель распределитель зажигания.
10. Восстановите исходное подсоединение троса газа, патрубка сапуна и шланга PCV.
11. Подсоедините отрицательный провод к батарее и проверьте правильность установки угла опережения зажигания. В случае необходимости произведите соответствующую корректировку.
Двигатели 1.8 л
Снятие
1. Детали установки компонентов механизма привода клапанов на двигателях 1.8 л представлены на сопроводительной иллюстрации.
2. Отсоедините отрицательный провод от батареи.
Если установленная на автомобиле стереосистема оборудована охранным кодом, прежде чем отсоединять батарею удостоверьтесь в том, что располагаете правильной комбинацией для ввода аудиосистемы в действие!
3. Приведите двигатель в положение ВМТ конца такта сжатия поршня первого цилиндра.
4. Промаркируйте и отсоедините свечные провода.
5. Пометьте положение корпуса распределителя зажигания относительно блока двигателя. Снимите распределитель.
6. Отсоедините электропроводку от датчика измерения воздушного потока и снимите крышку воздухоочистителя.
7. Отсоедините трос газа, патрубок сапуна и шланг PCV.
8. Снимите крышку головки цилиндров и ее уплотнительную прокладку.
9. В несколько приемов равномерно ослабьте крепежные болты и извлеките из головки цилиндров оси коромысел.
10. Снимите крышки привода ГРМ.
11. Снимите сборку газораспределительного ремня.
Постарайтесь не допустить проворачивания распределительного и валов при снятом газораспределительном ремне!
12. Удерживая зубчатое колесо распределительного вала от проворачивания, выверните болт его крепления.
13. Снимите зубчатое колесо распределительного вала, - обратите внимание, что вал должен быть развернут отверстием под направляющий штифт вверх.
14. Извлеките из передней стенки головки цилиндров сальник распределительного вала.
15. Извлеките распределительный вал.
16. Внимательно осмотрите все снятые компоненты на наличие признаков чрезмерного износа и повреждений.
Установка
1. Смажьте распределительный вал чистым двигательным маслом и опустите его на свое посадочное место в головку цилиндров, - проследите, чтобы вал оказался развернут отверстием под направляющий штифт на 12 часов.
2. Измерьте величину осевого люфта распределительного вала по упорному кожуху. Если результат измерения выходит за пределы допустимого диапазона (0.05÷0.20 мм), замените упорный подшипник распределительного вала.
3. Установите новый сальник, - перед установкой губки сальника следует смазать чистым двигательным маслом.
4. Посадите на цапфу распределительного вала зубчатое колесо. Вверните крепежный бот и, удерживая вал от проворачивания, затяните его с требуемым усилием (90 Н·м).
5. Установите газораспределительный ремень.
6. Установите крышки привода ГРМ.
7. Установите сборки коромысел со своими осями. В несколько приемов равномерно затяните крепежные болты с требуемым усилием (32 Н·м).
8. Проверьте регулировку клапанных зазоров, подберите уплотнительную прокладку и установите крышку головки цилиндров. Вверните крепежные болты и затяните из с требуемым усилием (3.3 Н·м).
9. Проследив за совмещением нанесенных в процессе демонтажа посадочных меток, установите на двигатель распределитель зажигания.
10. В соответствии с нанесенной в процессе демонтажа маркировкой подсоедините свечные провода.
11. Восстановите исходное подсоединение троса газа, патрубка сапуна и шланга PCV.
12. Подсоедините электропроводку к датчику измерения воздушного потока и установите на место крышку воздухоочистителя.
13. Подсоедините отрицательный провод к батарее.
14. Запустите двигатель и прогрейте его до нормальной рабочей температуры.
15. Проверьте правильность установки оборотов холостого хода и угла опережения зажигания. В случае необходимости произведите соответствующие корректировки.
Двигатели 2.0 л SOHC
Снятие
1. Детали установки компонентов механизма привода клапанов на двигателях 2.0 л SOHC представлены на иллюстрации.
2. Отсоедините отрицательный провод от батареи.
Если установленная на автомобиле стереосистема оборудована охранным кодом, прежде чем отсоединять батарею удостоверьтесь в том, что располагаете правильной комбинацией для ввода аудиосистемы в действие!
3. Отсоедините патрубок сапуна и шланги PCV.
4. Снимите опорный кронштейн и отведите трос газа в сторону.
5. Установите на коромысла фиксаторы корректоров клапанных зазоров (инструменты MD998443).
6. Снимите крышку головки цилиндров и полукруглые уплотнения.
7. Пометьте положение корпуса распределителя зажигания относительно головки цилиндров. Снимите распределитель.
8. Снимите крышки привода ГРМ м газораспределительный ремень (см. Раздел Снятие и установка крышки привода ГРМ и газораспределительного ремня).
9. Снимите зубчатое колесо распределительного вала.
10. Выверните крепежные болты и снимите с двигателя оси коромысел с коромыслами и крышками подшипников.
11. Извлеките из головки цилиндров распределительный вал. Оцените состояние подшипниковых шеек вала.
12. Измерьте высоту подъемов кулачков распределительного вала. Сравните результаты измерений с требованиями Спецификаций.
13. Оцените состояние и подшипниковых поверхностей в головке цилиндров.
14. Замените все чрезмерно изношенные и поврежденные компоненты.
Установка
1. Смажьте распределительный вал чистым двигательным маслом и опустите его на свое посадочное место в головку цилиндров.
2. Установите крышки подшипников каждую на свое место. Проследите за правильностью ориентировки нанесенных на крыши меток в виде стрелок.
3. Установите в головку сборку коромысел с осями. Двигаясь от центра наружу, в три приема равномерно затяните болты крепления крышек подшипников с требуемым усилием (20 Н·м).
4. При помощи подходящей оправки посадите в головку сальник распределительного вала, - перед установкой губки сальника смажьте чистым двигательным маслом.
5. Установите зубчатое колесо распределительного вала. Вверните крепежный болт и затяните его с требуемым усилием (90 Н·м).
6. Установите газораспределительный ремень.
7. Проследив за правильностью совмещения нанесенных в процессе демонтажа посадочных меток, установите на место распределитель зажигания.
8. Снимите инструменты фиксации корректоров клапанов.
9. Установите крышку головки цилиндров и прочие снимавшиеся с целью обеспечения доступа компоненты.
10. Подсоедините отрицательный провод к батарее. Запустите двигатель и проверьте его на наличие признаков развития утечек.
11. Проверьте установку угла опережения зажигания. В случае необходимости произведите соответствующую корректировку.
Двигатели 1.6 л и 2.0 л DOHC
Снятие
1. Детали установки компонентов механизма привода клапанов на моделях 1.6 л и 2.0 л DOHC представлены на иллюстрации.
2. Отсоедините отрицательный провод от батареи.
Если установленная на автомобиле стереосистема оборудована охранным кодом, прежде чем отсоединять батарею удостоверьтесь в том, что располагаете правильной комбинацией для ввода аудиосистемы в действие!
3. Снимите опорный кронштейн и отведите в сторону трос газа.
4. Снимите патрубок сапуна и отсоедините шланг PCV.
5. Промаркируйте и отсоедините свечные провода.
6. Пометьте положение корпуса распределителя зажигания относительно головки цилиндров. Снимите распределитель.
7. Снимите крышку головки цилиндров.
8. При помощи приспособлений типа MD9984433 зафиксируйте толкатели привода клапанов.
9. Снимите крышки привода ГРМ и газораспределительный ремень (см. Раздел Снятие и установка крышки привода ГРМ и газораспределительного ремня).
10. Гаечным ключом удерживая распределительный вал от проворачивания, выверните крепежный болт и снимите зубчатое колесо привода ГРМ.
11. Извлеките из головки цилиндров привод клапанов в сборе.
12. Извлеките из головки распределительные валы. Оцените состояние подшипниковых шеек валов.
13. Оцените состояние и подшипниковых поверхностей в головке цилиндров и крышках подшипников распределительных валов.
Установка

1. Смажьте распределительные валы чистым двигательным маслом и опустите их на свои посадочные места в головке цилиндров. Порядок затягивания крепежа крышек подшипников распределительных валов показан на иллюстрации.
2. Установите компоненты механизма привода клапанов (коромысла). Затяните крепежные болты с требуемым усилием (29÷35 Н·м).
3. Предварительно смазав чистым двигательным маслом, установите сальники распределительных валов, - в качестве правке для посадки сальников воспользуйтесь торцевой головкой соответствующего размера, либо отрезком трубы подходящего диаметра.
4. Установите зубчатое колесо распределительного вала. Вверните крепежный болт и затяните его с требуемым усилием (90 Н·м).
5. Установите газораспределительный ремень и передние крышки привода ГРМ.
6. Проследив за правильностью совмещения нанесенных в процессе демонтажа посадочных меток, на место распределитель зажигания.
7. Снимите приспособления, фиксирующие корректоры клапанных зазоров.
8. Заменив уплотнительную прокладку, установите на место крышку головки цилиндров.
9. Подсоедините ВВ провода к свечам зажигания (каждый к своей, - следите за маркировкой).
10. Подсоедините патрубок сапуна и шланг PCV.
11. Подсоедините отрицательный провод к батарее.
12. Запустите двигатель, прогрейте его до нормальной рабочей температуры и проверьте установки оборотов холостого хода и угла опережения зажигания. В случае необходимости произведите соответствующие корректировки.
Двигатели 2.4 л
Снятие
1. Детали установки компонентов механизма привода клапанов на моделях 2.4 л представлены на сопроводительной иллюстрации.
2. Отсоедините отрицательный провод от батареи.
Если установленная на автомобиле стереосистема оборудована охранным кодом, прежде чем отсоединять батарею удостоверьтесь в том, что располагаете правильной комбинацией для ввода аудиосистемы в действие!
3. Отсоедините трос газа, патрубок сапуна и шланги PCV.
4. Отсоедините свечные провода и снимите крышку головки цилиндров.
5. Провернув коленчатый вал по часовой стрелке, добейтесь совмещения установочных меток ВМТ (зубчатое колесо распределительного вала должно развернуться меткой на уровень сопрягаемой поверхности головки цилиндров и направляющим штифтом на 12 часов (вверх).
6. Снимите крышки привода ГРМ.
7. Снимите газораспределительный ремень (см. Раздел Снятие и установка крышки привода ГРМ и газораспределительного ремня).
8. При помощи ключа, надеваемого на лыски, расположенные между шейками подшипников №№ 2 и 3, заблокируйте распределительный вал от проворачивания и выверните болт крепления его зубчатого колеса. Снимите зубчатое колесо.
9. В два-три приема ослабьте крепежные болты, промаркируйте и снимите крышки подшипников распределительных валов.
Если крышки не поддаются снятию, осторожно постучите молотком с мягким бойком по заднему торцу распределительного вала.
10. Извлеките распределительные валы из головки цилиндров.
11. Снимите коромысла привода клапанов и гидравлические корректоры клапанных зазоров, - складывайте все компоненты привода клапанов в организованном порядке, так как при сборке они должны быть установлены строго на свои прежние места.
Установка
1. Установите в головку гидравлические корректоры клапанных зазоров и коромысла привода клапанов.

2. Смажьте распределительные валы густым двигательным маслом и опустите их на свои посадочные места в головке цилиндров.
Впускной вал легко отличить от выпускного по наличию паза в торцевой поверхности задней цапфы, - паз служит для осуществления привода датчика угла поворота.
3. Оцените состояние подшипниковых шеек и кулачков валов. Проверьте проходимость маслотоков в головке цилиндров. Визуально оцените состояние роликов коромысел, проверьте свободу их вращения. Дефектные или изношенные компоненты замените.
Коромысла и гидравлические корректоры клапанов следует менять в полном комплекте.
4. Проследите, чтобы распределительные валы оказались развернуты направляющими штифтами, вставленными в торцевые поверхности передних цапф, вверх.
5. Установите крышки подшипников. В два-три приема равномерно затяните крепежные болты крышек с требуемым усилием (20 Н м).
Крышки подшипников №№ 2 и 5 имеют одинаковую форму. На крышке первого подшипника предусмотрена лишь литерная маркировка (L - для впускного вала или R - для выпускного). На прочих крышках маркировка двойная, показывающая помимо принадлежности своему валу еще и номер крышки. Проследите за правильностью посадки коромысел на сборках гидрокорректоров и торцах стержней клапанов.
6. Предварительно смазав чистым двигательным маслом, установите сальники распределительных валов, - в качестве правке для посадки сальников воспользуйтесь торцевой головкой соответствующего размера, либо отрезком трубы подходящего диаметра.
7. Установите зубчатые колеса распределительных валов. Вверните крепежные болты и затяните их с требуемым усилием (80÷100 Н м).
В процессе затягивания болта удерживайте вал от проворачивания при помощи гаечного ключа за лыски, предусмотренные между шейками 2-го и 3-го подшипников.
8. Установите газораспределительный ремень и передние крышки привода ГРМ.
9. Заменив уплотнительную прокладку, установите крышку головки цилиндров.
10. Установите на место прочие снимавшиеся с целью обеспечения доступа компоненты.
11. Подсоедините отрицательный провод к батарее.
Двигатели 3.0 л DOHC
Снятие
1. Детали установки компонентов механизма привода клапанов на моделях 3.0 л DOHC представлены на иллюстрации.
2. Сбросьте давление в системе питания (см. Главу Системы питания и выпуска).
3. Отсоедините отрицательный провод от батареи.
Если установленная на автомобиле стереосистема оборудована охранным кодом, прежде чем отсоединять батарею удостоверьтесь в том, что располагаете правильной комбинацией для ввода аудиосистемы в действие!
4. Снимите нагнетательную камеру воздушного тракта.
5. Снимите передние крышки и ремень привода ГРМ.
6. Снимите центральную крышку, патрубок сапуна, шланги PCV и свечные провода.
7. Снимите крышку головки цилиндров (не забудьте извлечь полукруглое уплотнение).
8. Пометив установочное положение, снимите датчик CKP с задней цапфы распределительного вала.
9. При соответствующей комплектации автомобиля снимите с передней стенки двигателя датчик положения распределительного вала (CMP).
10. Удерживая распределительные валы от проворачивания гаечным ключом за специально предусмотренные лыски, выверните крепежные болты и снимите зубчатые колеса. Постарайтесь запомнить установочное положение штифта датчика детонации.
11. В два-три приема ослабьте болты крепления крышек подшипников распределительных валов.
12. Предварительно промаркировав, снимите крышки подшипников, - в случае необходимости осторожно постучите по заднему торцу вала с целью освобождения крышек.
13. Промаркируйте и извлеките из головки цилиндров оба распределительного вала.
14. Снимите компоненты привода клапанов, - постарайтесь запомнить точное установочное положение каждой детали.
15. Оцените состояние подшипниковых шеек и кулачков распределительных валов, а также рабочих поверхностей в постелях головки и крышках подшипников.
Установка
Перед установкой компоненты клапанного механизма следует смазывать чистым двигательным маслом.
1. Удалите воздух из гидрокорректоров и установите сборки последних каждую в свое посадочное гнездо в головке цилиндров.
2. Установите в головку сборку привода клапанов.

3. Смажьте распределительные валы чистым двигательным маслом и установите их в головку цилиндров.
На моделях Diamante распределительные валы легко отличить друг от друга по специальной литерной маркировке, наносимой на лыски шестигранной секции. Впускной вал обычно маркируется буквами В или J, выпускной - D или К, соответственно. Во избежание повреждения клапанов при контакте с днищами поршней проследите за правильностью установки антидетонационных пальцев.
4. В соответствии с идентификационной маркировкой установите на свои штатные места крышки подшипников распределительных валов.
Литера I в маркировке крышке обозначает впускной распределительный вал, Е - выпускной, цифра соответствует номеру подшипника. В два-три приема равномерно затяните болты крепления крышек с требуемым усилием (11 Н·м - для болтов крышек подшипников №№ 2, 3 и 4 и 20 Н·м - для болтов передней и задней крышек). Проследите, чтобы передние метки крышек 2-го, 3-го и 4-го подшипников оказались правильным образом совмещенными с ответными метками на головке цилиндров.
5. Смажьте чистым двигательным маслом и установите передние сальники распределительных валов.
6. Гаечным ключом удерживая валы от проворачивания за специально предусмотренные лыски, установите на их цапфы зубчатые колеса привода ГРМ, вверните крепежные болты и затяните их с требуемым усилием (90 Н·м).
7. Если снимали, установите на место датчик положения распределительного вала. Вверните крепежные болты и затяните их с требуемым усилием (9 Н·м).
8. Добиваясь правильного совмещения посадочных меток, закрепите датчик CKP на задней стороне распределительного вала. Затяните гайку крепления датчика с усилием 12 Н·м.
9. Добейтесь совмещения установочных меток зубчатых колес привода ГРМ и установите на двигатель газораспределительный ремень.
10. Установите крышку головки цилиндров и полукруглую уплотнительную вставку.
11. Установите сборку нагнетательной камеры впускного трубопровода.
12. Подсоедините ВВ провода к свечам зажигания. Установите центральную крышку и восстановите исходное подсоединение патрубка сапуна и шланга PCV.
13. Подсоедините отрицательный провод к батарее. Запустите двигатель и проверьте его на наличие признаков развития утечек.
Двигатели 3.0 л SOHC
Снятие
1. Детали установки компонентов механизма привода клапанов на моделях 3.0 л SOHC представлены на иллюстрации.
2. Отсоедините отрицательный провод от батареи.
Если установленная на автомобиле стереосистема оборудована охранным кодом, прежде чем отсоединять батарею удостоверьтесь в том, что располагаете правильной комбинацией для ввода аудиосистемы в действие!
3. Приведите двигатель в положение ВМТ конца такта сжатия поршня первого цилиндра.
4. При снятии правого (переднего) распределительного вала пометьте положение бегунка и корпуса распределителя и снимите сборку последнего с блока двигателя.
5. Снимите опорный кронштейн нагнетательной камеры впускного трубопровода.
6. Снимите переходную насадку распределителя зажигания и ее уплотнительное кольцо.
7. При помощи специальных инструментов MB9g67 и MD998719 отпустите болт крепления зубчатого колеса распределительного вала.
8. Выверните крепежный бот и снимите зубчатое колесо распределительного вала, - постарайтесь запомнить положение антидетонационного пальца (направляющего штифта).
9. При помощи специальных приспособлений MD998443 зафиксируйте гидрокорректоры клапанных зазоров на коромыслах привода клапанов.
10. Отпустите болты крепления крышек подшипников распределительного вала.
11. Снимите компоненты механизма привода клапанов, - постарайтесь запомнить установочные положение коромысел, и их осей. Снимите крышки подшипников подлежащего демонтажу распределительного вала.
12. Извлеките распределительный вал из головки цилиндров и оцените состояние его кулачков и подшипниковых шеек.
Установка

1. Смажьте распределительный вал(ы) густым двигательным маслом и опустите его на свое посадочное место в головке цилиндров.
Распределительный вал правой головки цилиндров легко отличить по наличию паза в торцевой поверхности его задней цапфы.

2. При установке вала проследите, чтобы он оказался правильным образом развернут в головке, - ориентируйтесь по положению антидетонационного пальца.

3. Смажьте герметиком посадочные поверхности крышек подшипников и установите с головку сборку механизма привода клапанов. Проследив за правильностью меток в виде стрелок, установите крышки подшипников. Вверните болты крепления крышек и, действуя в строго определенном порядке (№ 1, № 2, № 1 и № 4), затяните их с требуемым усилием (10 Н·м).
4. Действуя в прежнем порядке, подтяните болты крепления крышек подшипников с усилием 20 Н·м.
5. Снимите с коромысел приспособления, фиксирующие гидравлические корректоры клапанных зазоров.
6. Установите зубчатое колесо распределительного вала.
7. Удерживая вал от проворачивания, при помощи специальных приспособлений затяните болт крепления колеса с требуемым усилием (90 Н·м).
8. Установите газораспределительный ремень и крышки головки цилиндров.
9. Заменив уплотнительное кольцо, установите переходную насадку распределителя зажигания.
10. Установите опорный кронштейн нагнетательной камеры впускного трубопровода.
11. Последив за правильностью совмещения посадочных меток, установите на двигатель сборку распределителя зажигания.
12. Подсоедините отрицательный провод к батарее. Запустите двигатель и проверьте его на наличие признаков развития утечек.
Двигатели 3.5 л
Снятие
1. Детали установки компонентов механизма привода клапанов на моделях 3.5 л представлены на иллюстрации.
2. Отсоедините отрицательный провод от батареи.
Если установленная на автомобиле стереосистема оборудована охранным кодом, прежде чем отсоединять батарею удостоверьтесь в том, что располагаете правильной комбинацией для ввода аудиосистемы в действие!
3. Снимите газораспределительный ремень (см. Раздел Снятие и установка крышки привода ГРМ и газораспределительного ремня).
4. Снимите крышку(и) головки цилиндров.
5. При помощи специальных зажимов зафиксируйте гидравлические корректоры на коромыслах привода клапанов. Отпустите, но не выворачивайте окончательно болты крепления крышек подшипников распределительных валов.
6. Снимите сборку коромысел со своими осями.
7. Извлеките распределительный вал(ы).
Установка
1. Смажьте распределительный вал(ы) густым двигательным маслом и опустите его на свое посадочное место в головке цилиндров.

2. При установке вала проследите, чтобы он оказался правильным образом развернут в головке, - ориентируйтесь по положению антидетонационного пальца.
3. Установите сборку механизма привода клапанов (коромысла со своими осями) и крышки подшипников распределительного вала. Вверните крепежные болты и затяните их с требуемым усилием (31 Н·м).
4. Установите крышку(и) головки цилиндров, - не забудьте заменить уплотнительную прокладку.
5. Установите газораспределительный ремень и прочие снимавшиеся с целью обеспечения доступа компоненты.
6. Подсоедините отрицательный провод к батарее. Запустите двигатель и проверьте его на наличие признаков развития утечек.
Оценка степени износа кулачков распределительного вала
Высота подъема кулачка распределительного вала определяет величину открывания клапанов, ввиду чего износ кулачков оказывает непосредственное влияние на эффективность функционирования двигателя.
Измерение высоты подъема кулачка может быть произведено двумя способами (в зависимости от наличия под рукой соответствующих инструментов).
Определение высоты подъема кулачков при помощи измерителя циферблатного типа
1. Определение высоты подъема кулачка при помощи циферблатного измерителя плунжерного типа может быть произведена in situ (без снятия вала с двигателя). Измерение производятся для каждого кулачка в отдельности.
2. С целью обеспечения доступа к распределительному валу снимите крышку головки цилиндров.
3. Закрепите измеритель таким образом, чтобы его рабочий плунжер оказался непосредственно над поверхностью подлежащего проверке кулачка.
4. Проверните двигатель таким образом, чтобы кулачок распределительного вала развернулся пяткой вниз и обнулите измеритель.
Двигатель можно проворачивать дистанционно при помощи стартера, либо вручную за болт шкива коленчатого вала. Помните, что коленчатый вал можно проворачивать только в нормальном направлении!
5. Медленно продолжайте проворачивать вал до тех пор пока толкатель не окажется в максимально опущенном положении (полное открывание клапана).
6. Считайте максимальное показание прибора и сравните его указанными в Спецификациях допустимыми значениями.
7. Если износ какого из кулачков выходит за пределы допустимого диапазона, вал подлежит замене в комплекте с толкателями клапанов.
8. Закончив проверку, уберите измеритель и установите на место крышку головки цилиндров.
Измерение при помощи микрометра
1. Оценка степени износа кулачков распределительного вала при помощи микрометра может быть произведена только после предварительного демонтажа вала.

2. Измерение производится в два приема. Сначала определяется полная рабочая высота кулачка (Y), затем его ширина (Х) (базовый диаметр эксцентрика). Для определения высоты подъема кулачка следует вычесть из результата первого измерения результат второго.
3. Сравните результаты вычислений с требованиями Спецификаций. При износе какого-либо из кулачков ниже допустимого предела вал подлежит замене в сборе с толкателями клапанов.
