Инструкции и мануалы для ремонта автомобилей
Мобильная
версия
Статьи
и новости
Карта
сайта
Связь с
админом
Добавить
в закладки
  • Ауди
  • БМВ
  • Чери
  • Шевроле
  • Ситроен
  • Дэу
  • Фиат
  • Форд
  • Хонда
  • Хендай
  • Инфинити
  • Исузу
  • Джип
  • Лексус
  • Ленд Ровер
  • Мазда
  • Мерседес
  • Мицубиси
  • Опель
  • Ниссан
  • Пежо
  • Рено
  • Сааб
  • Шкода
  • Субару
  • Сузуки
  • Тойота
  • Фольксваген
  • Вольво
  • АвтоВАЗ
Renault:
Симбол▾
Симбол 1 (I, бензин) Симбол 2 (II, бензин)
Логан▾
Логан 1 (I, бензин) Логан 2 (II)
Меган▾
Меган 1 (I) Меган 2 (II, бензин)
Флюенс▾
Флюенс 1 (I, бензин)
Сценик▾
Сценик 1 (I)
Лагуна▾
Лагуна 2 (X74)
Кангу▾
Кангу 1 (KC/KW)
Дастер▾
Дастер 1 (I)
Эспейс▾
Эспейс 1 и 2 (J11/J63) Эспейс 3 (JE0)
Рено 19▾
Рено 19 1

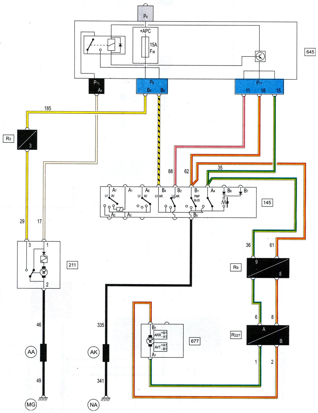
Схема 10. Очиститель и омыватель заднего стекла (Renault Scenic I)

  • Главная
  • Рено
  • Сценик
  • I (1996-2003)
  • Электрооборудование
  • Электрические схемы
  • Схема 10. Очиститель и омыватель за…
0

Схема 10. Очиститель и омыватель заднего стекла



Схема 10. Очиститель и омыватель заднего стекла
Открыть большую картинку в новой вкладке »


Чтение схем и ключ ко всем принципиальным электрическим схемам здесь →
Статья проверена экспертом: Афанасий Михайловский
◀ Предыдущая
Рено Сценик 1: Электрические схемы
Следующая ▶

Схема 9. Обогреватель заднего стекла и боковых зеркал заднего вида
Схема 8. Основные соединения на «массу» (-) передка, стеклоочистителя
Схема 7. Очиститель и омыватель переднего стекла (с неизменяемым режимом)
Схема 6. Дальний свет фар
Схема 5. Стоп-сигналы
Схема 11. Отопитель салона
Схема 12. Освещение салона (без замедлителя)
Схема 13. Сигнальная лампочка износа тормозных колодок
Схема 14. Указатель запаса топлива
Схема 15. Вентилятор на 100 Вт (автомобили без кондиционера)
Похожие статьи из автомобилей других марок
Схема 21. Очиститель и омыватель заднего стекла Форд Фиеста 4 1996-1999
Схема 21. Очиститель и омыватель заднего стекла Мазда 121 III 1996-2003
Схема 32. Омыватель и очиститель ветрового и заднего стекла Тойота Корона Т190 1992-1997
Правый подрулевой переключатель, стеклоочиститель и… Ауди А3 8Л 1996-2003
Очиститель и омыватель заднего стекла Мицубиси Лансер «Цедия» 2000-2007
Очиститель/омыватель заднего стекла Опель Инсигния А 2008-2017
Ссылка на эту статью в разных форматах
Комментарии и отзывы посетителей
Комментариев пока нет, вы будете первым!
 


Сложите два числа: 20 + 42

       



 

 
Scenic 1 (I) 
  • Информация для владельца
  • Руководство по эксплуатации
  • Техническое обслуживание
  • Выявление неисправностей
  • Двигатель и системы
  • Ремонт двигателей
  • Охлаждение и отопление
  • Система впрыска бензина
  • Система впрыска дизеля
  • Система питания
  • Выхлопная система
  • Система зажигания
  • Трансмиссия
  • Сцепление
  • Коробка передач
  • Ходовая часть
  • Тормозная система
  • Подвеска автомобиля
  • Рулевое управление
  • Кузов и салон
  • Экстерьер (кузов)
  • Интерьер (салон)
  • Двери, замки и окна
  • Электрооборудование
  • Оборудование и приборы
  • Освещение и лампы
  • Система пуска и заряда
  • Электрические схемы
Audi BMW Chery Chevrolet Citroen Daewoo Fiat Ford Honda Hyundai Infiniti Isuzu Jeep Lexus Land Rover Mazda Mercedes-Benz Mitsubishi Opel Nissan Peugeot Renault Saab Skoda Subaru Suzuki Toyota Volkswagen Volvo AvtoVAZ
AutoInstruction.ru © 2020–2026 | Карта сайта | Статьи | Контакты | | Добавить в закладки | Мобильная версия
 0.02
Этот сайт использует куки 🍪 для сохранения настроек и улучшения сервиса 📈.