AutoInstruction.ru
Мобильная
версия
Статьи
и новости
Карта
сайта
Связь с
админом
Добавить
в закладки
Ауди
БМВ
Чери
Шевроле
Ситроен
Дэу
Фиат
Форд
Хонда
Хендай
Инфинити
Исузу
Джип
Лексус
Ленд Ровер
Мазда
Мерседес
Мицубиси
Опель
Ниссан
Пежо
Рено
Сааб
Шкода
Субару
Сузуки
Тойота
Фольксваген
Вольво
АвтоВАЗ
Mitsubishi:
Кольт▾
Кольт 2 и 3 (C10/C50, бензин) Кольт 4 и 5 (CA0/CJ) Кольт 5 (CJ, бензин)
Лансер▾
Лансер 3, 4 и 5 (3/4/5) Лансер 9 («Cedia», бензин)
Галант▾
Галант 6 и 7 (6/7, бензин)
Аутлендер▾
Аутлендер 1 (CU/ZE/ZF, бензин)
Паджеро▾
Паджеро 1 и 2 (L040/V20)
Л200▾
Л200 4 (KA/KB, дизель)
Каризма▾
Каризма 1
Спейс Стар▾
Спейс Стар 1

Токовая цепь антиблокировочной системы тормозов (Mitsubishi Lancer 3, 4 и 5)

  • Главная
  • Мицубиси
  • Лансер
  • 3/4/5 (1984-1992)
  • Электрооборудование
  • Электрические схемы
  • Токовая цепь антиблокировочной сист…
0

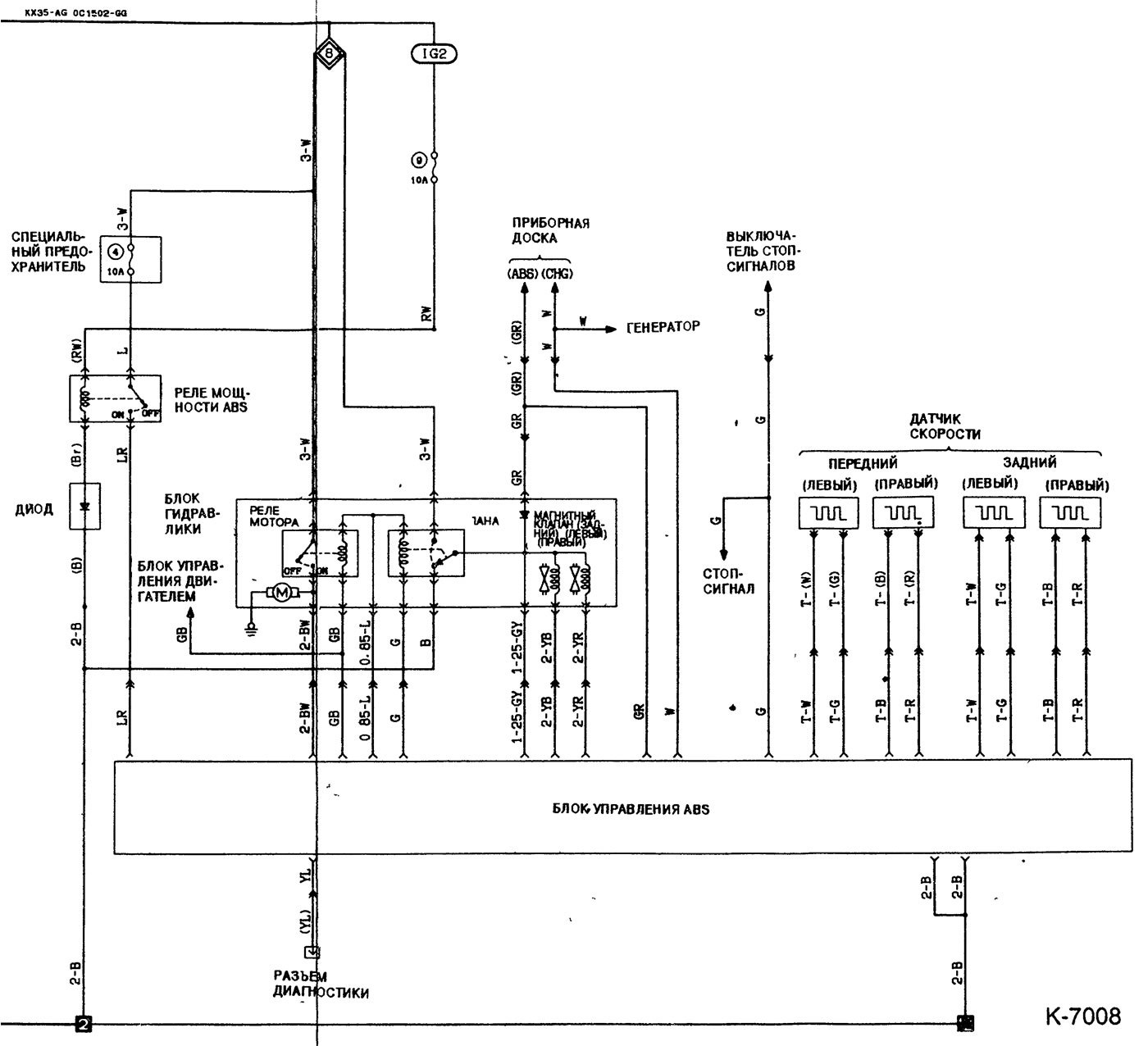
Токовая цепь антиблокировочной системы тормозов




Открыть большую картинку в новой вкладке »
Статья проверена экспертом: Афанасий Михайловский
◀ Предыдущая
Мицубиси Лансер 3/4/5: Электрические схемы
 

Токовая цепь обогрева сидений
Токовая цепь окна в крыше (люка)
Токовая цепь прикуривателя
Токовая цепь часов
Токовая цепь аудиосистемы
 
Похожие статьи из автомобилей других марок
Цепь антиблокировочной системы задних тормозов а/м… Исузу Трупер 1 1981-1991
Особенности конструкции антиблокировочной системы тормозов… Опель Астра J 2009-2015
Снятие и установка гидравлического блока антиблокировочной… Мазда Мазда 3 ВК 2003-2009
Рекомендации по и ремонту антиблокировочной системы… Ауди А8 Д2 1994-2002
Элементы антиблокировочной системы тормозов (АБС) — снятие… Пежо М49/М59 1996-2008
Схема антиблокировочной системы тормозов Сузуки Лиана 1 2001-2007
Ссылка на эту статью в разных форматах
TEXTHTMLBB Code
Комментарии и отзывы посетителей
Комментариев пока нет, вы будете первым!
 


Сложите два числа: 14 + 42

       



 

 
Lancer 9 («Cedia», бензин) 
  • Информация для владельца
  • Руководство по эксплуатации
  • Техническое обслуживание
  • Двигатель и системы
  • Ремонт двигателей «MPI»
  • Ремонт двигателей «GDI»
  • Капремонт двигателей
  • Система охлаждения и смазки
  • Система впрыска «MPI»
  • Система впрыска «GDI»
  • Система впуска и выпуска
  • Система пуска и заряда
  • Трансмиссия
  • Автоматическая коробка
  • Вариатор (CVT)
  • Приводные валы
  • Ходовая часть
  • Передняя подвеска
  • Задняя подвеска
  • Рулевое управление
  • Тормозная система
  • Кузов и салон
  • Двери, замки и окна
  • Экстерьер (кузов)
  • Интерьер (салон)
  • Электрооборудование
  • Отопление и кондиционер
  • Системы безопасности
  • Оборудование и приборы
  • Электрические схемы (седан)
  • Электрические схемы (универсал)
Lancer 3, 4 и 5 (3/4/5) 
  • Информация для владельца
  • Техническое обслуживание
  • Двигатель и системы
  • Ремонт двигателей
  • Система смазки
  • Система охлаждения
  • Система зажигания
  • Система питания (бензин)
  • Ремонт карбюратора
  • Система впрыска
  • Система питания (дизель)
  • Выхлопная система
  • Трансмиссия
  • Сцепление
  • Коробка передач
  • Ходовая часть
  • Передняя подвеска
  • Задняя подвеска
  • Рулевое управление
  • Тормозная система
  • Колеса и шины
  • Кузов и салон
  • Экстерьер (кузов)
  • Интерьер (салон)
  • Отопление и вентиляция
  • Электрооборудование
  • Оборудование и приборы
  • Система пуска и заряда
  • Электрические схемы
Audi BMW Chery Chevrolet Citroen Daewoo Fiat Ford Honda Hyundai Infiniti Isuzu Jeep Lexus Land Rover Mazda Mercedes-Benz Mitsubishi Opel Nissan Peugeot Renault Saab Skoda Subaru Suzuki Toyota Volkswagen Volvo AvtoVAZ
AutoInstruction.ru © 2020–2025 | Карта сайта | Статьи | Контакты | Поиск по сайту | Добавить в закладки | Мобильная версия
 1.52