AutoInstruction.ru
Мобильная
версия
Статьи
и новости
Карта
сайта
Связь с
админом
Добавить
в закладки
Ауди
БМВ
Чери
Шевроле
Ситроен
Дэу
Фиат
Форд
Хонда
Хендай
Инфинити
Исузу
Джип
Лексус
Ленд Ровер
Мазда
Мерседес
Мицубиси
Опель
Ниссан
Пежо
Рено
Сааб
Шкода
Субару
Сузуки
Тойота
Фольксваген
Вольво
АвтоВАЗ
Citroen:
Ситроен С3▾
С3 1 (FC/FN)
Ксантия▾
Ксантия 1 и 2 (X1/X2)
Ксара▾
Ксара (I)

Электрические схемы автомобиля Citroen Xantia X1/X2 (1992-2002)

  • Главная
  • Ситроен
  • Ксантия
  • X1/X2 (1992-2002)
  • Электрооборудование
  • Электрические схемы
Поделитесь с друзьями в:
Поиск только в этом разделе сайта:
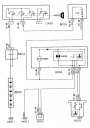
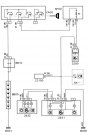
Список используемых в обозначениях на схемах сокращений
Список используемых в обозначениях на схемах сокращений (не все компоненты входят в комплектацию рассматриваемых моделей) Обозначение Компонент ВВ00 Батарея ВВ10 Щит подачи электропитания ВМF1 Монтажный блок предохранителей ВМF2 Монтажный блок...
Системы запуска и заряда (бензиновые модели с РКПП)
Системы запуска и заряда (бензиновые модели с РКПП) Список используемых в обозначениях на схемах сокращений находится здесь →
Системы запуска и заряда (бензиновые модели с АТ)
Системы запуска и заряда (бензиновые модели с АТ) Список используемых в обозначениях на схемах сокращений находится здесь →
Системы запуска и заряда (дизельные модели с РКПП)
Системы запуска и заряда (дизельные модели с РКПП) Список используемых в обозначениях на схемах сокращений находится здесь →
Системы запуска и заряда (дизельные модели с АТ)
Системы запуска и заряда (дизельные модели с АТ) Список используемых в обозначениях на схемах сокращений находится здесь →
Системы впрыска и зажигания — двигатель XU5/XU7, MAGNETI MARELLI
Системы впрыска и зажигания - двигатель XU5/XU7, MAGNETI MARELLI Список используемых в обозначениях на схемах сокращений находится здесь →
Системы впрыска и зажигания — двигатель XU7JP/Z, ВOSCH MP 5.1
Системы впрыска и зажигания - двигатель XU7JP/Z, ВOSCH MP 5.1 Список используемых в обозначениях на схемах сокращений находится здесь →
Системы впрыска и зажигания — двигатель XU10J2C/Z, MAGNETI MARELLI 8P
Системы впрыска и зажигания - двигатель XU10J2C/Z, MAGNETI MARELLI 8P Список используемых в обозначениях на схемах сокращений находится здесь →
Системы впрыска и зажигания — двигатель XU10J4, BОSCH MP 3.2
Системы впрыска и зажигания - двигатель XU10J4, BОSCH MP 3.2 Список используемых в обозначениях на схемах сокращений находится здесь →
Система преднакала дизельного двигателя (модели без турбонаддува)
Система преднакала дизельного двигателя (модели без турбонаддува) Список используемых в обозначениях на схемах сокращений находится здесь →
Система преднакала дизельного двигателя (модели с турбонаддувом)
Система преднакала дизельного двигателя (модели с турбонаддувом) Список используемых в обозначениях на схемах сокращений находится здесь →
Вентилятор системы охлаждения (двигатели XU5/XU7/XU10J2)
Вентилятор системы охлаждения (двигатели XU5 / XU7 / XU10J2) Список используемых в обозначениях на схемах сокращений находится здесь →
Вентилятор системы охлаждения дизельного двигателя (без турбонаддува)
Вентилятор системы охлаждения дизельного двигателя (модели без турбонаддува) Список используемых в обозначениях на схемах сокращений находится здесь →
Вентилятор системы охлаждения дизельного двигателя (с турбонаддувом)
Вентилятор системы охлаждения дизельного двигателя (модели с турбонаддувом) Список используемых в обозначениях на схемах сокращений находится здесь →
Система охлаждения с климатической установкой и автоматической КПП
Система охлаждения с климатической установкой и автоматической КПП, все модели Список используемых в обозначениях на схемах сокращений находится здесь →
Противотуманные фары и фонари
Противотуманные фары и фонари Список используемых в обозначениях на схемах сокращений находится здесь →
Стоп-сигналы
Стоп-сигналы Список используемых в обозначениях на схемах сокращений находится здесь →
Огни заднего хода (модели с РКПП)
Огни заднего хода (модели с РКПП) Список используемых в обозначениях на схемах сокращений находится здесь →
Огни заднего хода (модели с АТ)
Огни заднего хода (модели с АТ) Список используемых в обозначениях на схемах сокращений находится здесь →
Указатели поворотов и аварийная сигнализация
Указатели поворотов и аварийная сигнализация Список используемых в обозначениях на схемах сокращений находится здесь →
Электросхема клаксона
Клаксон Список используемых в обозначениях на схемах сокращений находится здесь →
Передние и задние габаритные огни
Передние и задние габаритные огни Список используемых в обозначениях на схемах сокращений находится здесь →
Ближний и дальний свет
Ближний и дальний свет Список используемых в обозначениях на схемах сокращений находится здесь →
Реостат управления интенсивностью подсветки
Реостат управления интенсивностью подсветки Список используемых в обозначениях на схемах сокращений находится здесь →
Штурманское освещение
Штурманское освещение Список используемых в обозначениях на схемах сокращений находится здесь →
Освещение салона
Освещение салона Список используемых в обозначениях на схемах сокращений находится здесь →
Система контроля за температурой и уровнем охлаждающей жидкости (бензин)
Система контроля за температурой и уровнем охлаждающей жидкости (бензиновые модели) Список используемых в обозначениях на схемах сокращений находится здесь →
Система контроля за охлаждающей жидкостью / воды в топливо (дизель без турбо)
Система контроля за температурой и уровнем охлаждающей жидкости / попаданием воды в топливо(дизельные модели без турбонаддува) Список используемых в обозначениях на схемах сокращений находится здесь →
Система контроля за охлаждающей жидкостью / воды в топливо (дизель с турбо)
Система контроля за температурой и уровнем охлаждающей жидкости / попаданием воды в топливо(дизельные модели с турбонаддувом) Список используемых в обозначениях на схемах сокращений находится здесь →
Система контроля за уровнем жидкости омывания стекол
Система контроля за уровнем жидкости омывания стекол Список используемых в обозначениях на схемах сокращений находится здесь →
Система контроля за температурой, уровнем и давлением двигательного масла
Система контроля за температурой, уровнем и давлением двигательного масла Список используемых в обозначениях на схемах сокращений находится здесь →
Система контроля за уровнем топлива
Система контроля за уровнем топлива Список используемых в обозначениях на схемах сокращений находится здесь →
Звуковой зуммер сигнализации — Не забудьте выключить осветительные приборы
Звуковой зуммер сигнализации "Не забудьте выключить осветительные приборы" Список используемых в обозначениях на схемах сокращений находится здесь →
Указатель износа тормозных накладок / датчик работающий от гидравлического давления
Указатель износа тормозных накладок / датчик-выключатель работающий от гидравлического давления Список используемых в обозначениях на схемах сокращений находится здесь →
Гидроактивная подвеска колес
Гидроактивная подвеска колес Список используемых в обозначениях на схемах сокращений находится здесь →
Очиститель / омыватель ветрового стекла
Очиститель / омыватель ветрового стекла Список используемых в обозначениях на схемах сокращений находится здесь →
Очиститель / омыватель заднего стекла
Очиститель / омыватель заднего стекла Список используемых в обозначениях на схемах сокращений находится здесь →
Омыватели линз головных фар
Омыватели линз головных фар Список используемых в обозначениях на схемах сокращений находится здесь →
Электропривод стеклоподъемников передних дверей
Электропривод стеклоподъемников передних дверей Список используемых в обозначениях на схемах сокращений находится здесь →
Электропривод стеклоподъемников задних дверей
Электропривод стеклоподъемников задних дверей Список используемых в обозначениях на схемах сокращений находится здесь →
Электросхема единого замка
Единый замок Список используемых в обозначениях на схемах сокращений находится здесь →
Глухая блокировка дверей
Глухая блокировка дверей Список используемых в обозначениях на схемах сокращений находится здесь →
Вентилятор отопителя
Вентилятор отопителя Список используемых в обозначениях на схемах сокращений находится здесь →
Обогрев заднего стекла и наружных зеркал заднего вида
Обогрев заднего стекла и наружных зеркал заднего вида Список используемых в обозначениях на схемах сокращений находится здесь →
Электросхема прикуривателя
Прикуриватель Список используемых в обозначениях на схемах сокращений находится здесь →
Электросхема магнитолы
Магнитола Список используемых в обозначениях на схемах сокращений находится здесь →
Похожие подразделы других моделей
Электрические схемы автомобиля Мерседес C-Класс W202 (1993-2000, 1 поколение)
Электрические схемы автомобиля Лексус РИкс 300 (1997-2003, 1 поколение)
Электрические схемы автомобиля Шевроле Каптива С100/С140 (2006-2018, 1 поколение)
Электрические схемы автомобиля Пежо 605 (1989-2000, 3 поколение)
Электрические схемы автомобиля Чери Тигго Т11 (2005-2016)
Электрические схемы (базовый) автомобиля Шкода Октавия III (2013-2019, 3 поколение)

Несколько случайных новостей марки Ситроен

Жгут проводов отправил на ремонт Citroen C4 Picasso и Peugeot 3008
2017.10.06
Citroen сделала C4 с кузовом седан для китайского рынка
2006.02.24
Компания Citroen рассекретила сразу два бюджетных седана
2012.06.20
Обнародован полный прайс-лист на обновлённый седан Citroen C4
2016.10.06

 
Xantia 1 и 2 (X1/X2) 
  • Информация для владельца
  • Введение в руководство
  • Руководство по эксплуатации
  • Вождение автомобиля
  • Ежедневный уход
  • Техобслуживание (бензиновые)
  • Техобслуживание (дизельные)
  • Двигатель и системы
  • Бензиновые двигатели
  • Дизельные двигатели
  • Капремонт двигателей
  • Система охлаждения
  • Система питания (бензин)
  • Система питания (дизель)
  • Выхлопная система
  • Система зажигания и преднакала
  • Трансмиссия
  • Сцепление
  • Механическая коробка
  • Автоматическая коробка
  • Приводные валы
  • Ходовая часть
  • Единая гидравлическая система
  • Тормозная система
  • Подвеска автомобиля
  • Рулевое управление
  • Кузов и салон
  • Экстерьер (кузов)
  • Интерьер (салон)
  • Двери, замки и окна
  • Электрооборудование
  • Оборудование и приборы
  • Система пуска и заряда
  • Электрические схемы
Audi BMW Chery Chevrolet Citroen Daewoo Fiat Ford Honda Hyundai Infiniti Isuzu Jeep Lexus Land Rover Mazda Mercedes-Benz Mitsubishi Opel Nissan Peugeot Renault Saab Skoda Subaru Suzuki Toyota Volkswagen Volvo AvtoVAZ
AutoInstruction.ru © 2020–2025 | Карта сайта | Статьи | Контакты | Поиск по сайту | Добавить в закладки | Мобильная версия
 0.11