Инструкции и мануалы для ремонта автомобилей
Мобильная
версия
Статьи
и новости
Карта
сайта
Связь с
админом
Добавить
в закладки
  • Ауди
  • БМВ
  • Чери
  • Шевроле
  • Ситроен
  • Дэу
  • Фиат
  • Форд
  • Хонда
  • Хендай
  • Инфинити
  • Исузу
  • Джип
  • Лексус
  • Ленд Ровер
  • Мазда
  • Мерседес
  • Мицубиси
  • Опель
  • Ниссан
  • Пежо
  • Рено
  • Сааб
  • Шкода
  • Субару
  • Сузуки
  • Тойота
  • Фольксваген
  • Вольво
  • АвтоВАЗ
Subaru:
Легаси▾
Легаси 1 (BC/BJ/BF, бензин) Легаси 3 (BE/BH/BT, бензин)
Форестер▾
Форестер 1 (SF, бензин)

Система динамической стабилизации (VDC) (Subaru Legacy 3 «BE/BH/BT»)

  • Главная
  • Субару
  • Легаси
  • BE/BH/BT (1998-2004)
  • Электрооборудование
  • Электрические схемы
  • Система динамической стабилизации (…
0
Оглавление: 4-цилиндровые модели ↓ 6-цилиндровые модели ↓

4-цилиндровые модели



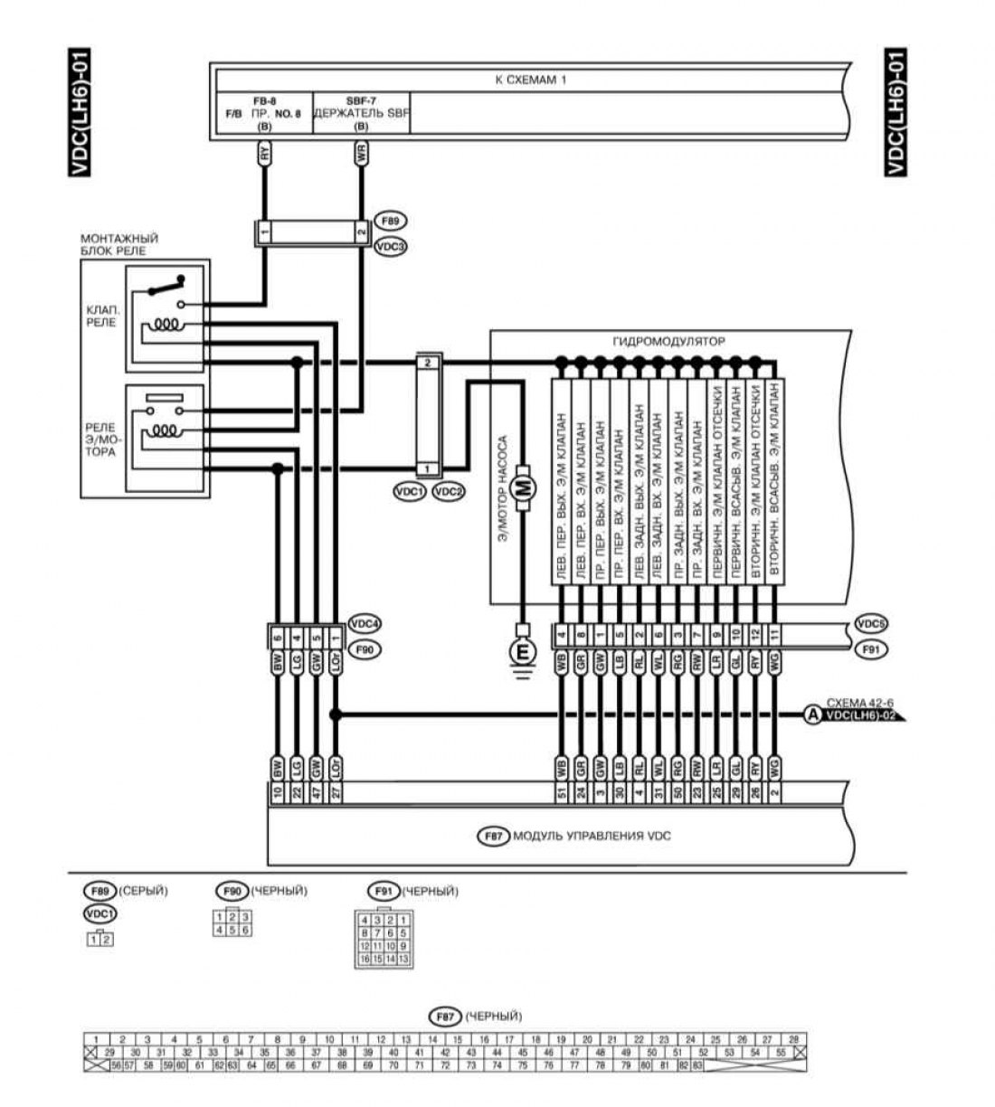
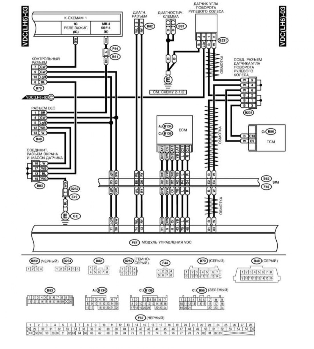
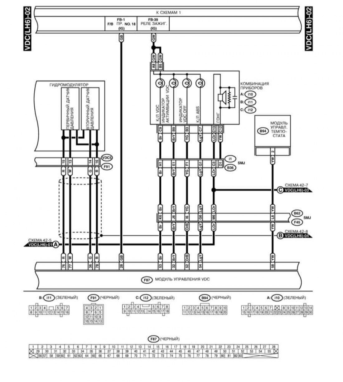
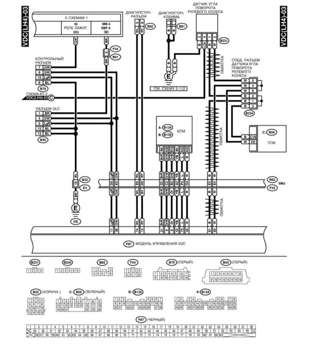
Система динамической стабилизации (VDC)
Открыть большую картинку в новой вкладке »


Система динамической стабилизации (VDC)
Открыть большую картинку в новой вкладке »


Система динамической стабилизации (VDC)
Открыть большую картинку в новой вкладке »


Система динамической стабилизации (VDC)
Открыть большую картинку в новой вкладке »





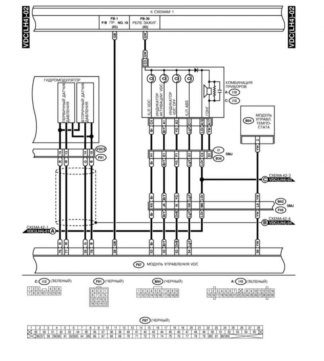
6-цилиндровые модели



Система динамической стабилизации (VDC)
Открыть большую картинку в новой вкладке »


Система динамической стабилизации (VDC)
Открыть большую картинку в новой вкладке »


Система динамической стабилизации (VDC)
Открыть большую картинку в новой вкладке »


Система динамической стабилизации (VDC)
Открыть большую картинку в новой вкладке »


Обозначения цветов изоляции электропроводки и контактных разъемов находятся здесь →
Статья проверена экспертом: Николай Сидоров
◀ Предыдущая
Субару Легаси BE: Электрические схемы
Следующая ▶

Электропривод верхнего люка
Схема системы запуска
Схема обогрева сидений
Контрольная лампа «Пристегните ремни»
Электропривод дверных зеркал заднего вида
Очистители и омыватели ветрового стекла
Очиститель и омыватель заднего стекла, модели Универсал
Схема электрообогрева стеклоочистителей
Похожие статьи из автомобилей других марок
Электронная система динамической стабилизации (ESP) Ауди А6 С5 1997-2004
Система динамической стабилизации (ESP) и… Пежо 207 2006-2014
Система динамической стабилизации (ESP) (если имеется) Ниссан Ноут Е11 2004-2013
Система динамической стабилизации Мазда СХ СХ-5 КЕ 2012-2017
Система динамической стабилизации — основные сведения и… БМВ 3 серия Е46 1998-2006
Система динамической стабилизации DSA Вольво S40 I 1995-2004
Ссылка на эту статью в разных форматах
Комментарии и отзывы посетителей
Комментариев пока нет, вы будете первым!
 


Сложите два числа: 45 + 10

       



 

 
Legacy 3 (BE/BH/BT, бензин) 
  • Информация для владельца
  • Введение в руководство
  • Руководство по эксплуатации
  • Вождение автомобиля
  • Техническое обслуживание
  • Двигатель и системы
  • 4-х цилиндровые двигатели
  • 6-ти цилиндровые двигатели
  • Капремонт двигателей
  • Система охлаждения
  • Системы питания и выпуска
  • Система управления
  • Система пуска и зажигания
  • Трансмиссия
  • Механическая коробка
  • Автоматическая коробка
  • Сцепление
  • Приводные валы и кардан
  • Ходовая часть
  • Тормозная система
  • Передняя подвеска
  • Задняя подвеска
  • Рулевое управление
  • Кузов и салон
  • Экстерьер (кузов)
  • Интерьер (салон)
  • Двери, замки и окна
  • Отопление и вентиляция
  • Электрооборудование
  • Оборудование и приборы
  • Электрические схемы
Legacy 1 (BC/BJ/BF, бензин) 
  • Информация для владельца
  • Руководство по эксплуатации
  • Техническое обслуживание
  • Выявление неисправностей
  • Двигатель и системы
  • Двигатель в автомобиле
  • Капремонт двигателей
  • Система охлаждения
  • Система питания
  • Система впрыска
  • Система управления
  • Система пуска и зажигания
  • Трансмиссия
  • Механическая коробка
  • Автоматическая коробка
  • Сцепление
  • Приводные валы и кардан
  • Ходовая часть
  • Тормозная система
  • Подвеска автомобиля
  • Рулевое управление
  • Кузов и салон
  • Экстерьер (кузов)
  • Интерьер (салон)
  • Двери, замки и окна
  • Отопление и кондиционер
  • Электрооборудование
  • Оборудование и приборы
  • Электрические схемы
Audi BMW Chery Chevrolet Citroen Daewoo Fiat Ford Honda Hyundai Infiniti Isuzu Jeep Lexus Land Rover Mazda Mercedes-Benz Mitsubishi Opel Nissan Peugeot Renault Saab Skoda Subaru Suzuki Toyota Volkswagen Volvo AvtoVAZ
AutoInstruction.ru © 2020–2026 | Карта сайта | Статьи | Контакты | | Добавить в закладки | Мобильная версия
 0.01
Этот сайт использует куки 🍪 для сохранения настроек и улучшения сервиса 📈.