Мобильная
версия
Статьи
и новости
Карта
сайта
Связь с
админом
Добавить
в закладки
Ауди
БМВ
Чери
Шевроле
Ситроен
Дэу
Фиат
Форд
Хонда
Хендай
Инфинити
Исузу
Джип
Лексус
Ленд Ровер
Мазда
Мерседес
Мицубиси
Опель
Ниссан
Пежо
Рено
Сааб
Шкода
Субару
Сузуки
Тойота
Фольксваген
Вольво
АвтоВАЗ
Lexus:
РИкс▾
РИкс 1 (RX300, бензин)
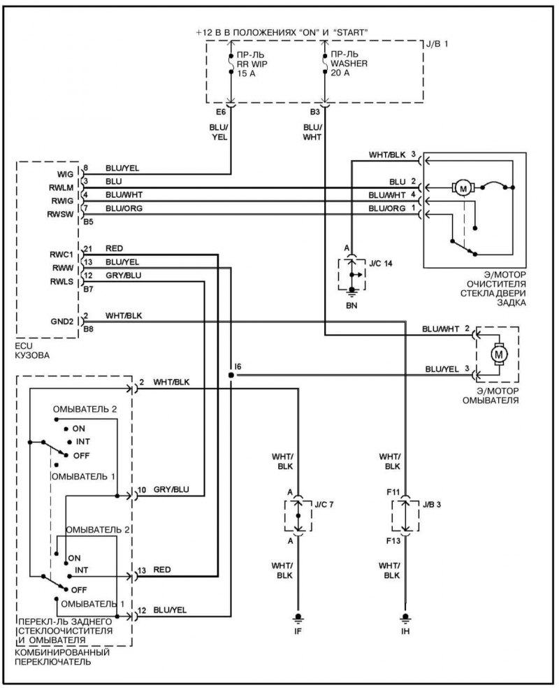
Очиститель и омыватель стекла двери задка (
Lexus RX300
)
Главная
Лексус
РИкс
RX300 (1997-2003)
Электрооборудование
Электрические схемы
Очиститель и омыватель стекла двери…
0
Очиститель и омыватель стекла двери задка
Обозначения на схемах электрических соединений находятся
здесь →
Статья проверена экспертом:
Афанасий Михайловский
◀ Предыдущая
Лексус РИкс 300: Электрические схемы
Следующая ▶
Очиститель и омыватель ветрового стекла
Обогрев стёкол и зеркал
Системы отопления и кондиционирования
Вентиляторы системы охлаждения двигателя
Электросхема темпостата
Электросхема клаксона (звуковой сигнал)
Электросхема противоугонной системы
Натяжители ремней безопасности
Электропривод крышки верхнего люка
Электросхема системы SRS
Похожие статьи из автомобилей других марок
Очиститель и омыватель стекла двери задка
Лада 4х4 ВАЗ-21214 1994-2006
Очиститель и омыватель стекла задней двери
Мицубиси Лансер «Цедия» 2000-2007
Очиститель и омыватель переднего стекла
Пежо 806 1994-2002
Очиститель и омыватель заднего стекла
Ниссан Альмера Н15 1995-2000
Электрообогрев стекла окна двери задка
Опель Астра J 2009-2015
Замена ветрового стекла и стекла двери задка
Рено Симбол 1 1999-2008
Ссылка на эту статью в разных форматах
TEXT
HTML
BB Code
Статья о ремонте автомобилей «Лексус РИкс 300» (бензин, 1997-2003): «Очиститель и омыватель стекла двери задка»: https://autoinstruction.ru/Lexus/RX/XU10-petrol/electrical/circuit/204535
Очиститель и омыватель стекла двери задка
- статья о ремонте автомобилей «Лексус РИкс 300» (бензин, 1997-2003) из раздела «Электрические схемы».
[url=https://autoinstruction.ru/Lexus/RX/XU10-petrol/electrical/circuit/204535]Очиститель и омыватель стекла двери задка[/url] - статья о ремонте автомобилей «Лексус РИкс 300» (бензин, 1997-2003) из раздела «Электрические схемы».
Комментарии и отзывы посетителей
Комментариев пока нет, вы будете первым!
Сложите два числа: 23 + 37
Lexus RX 1
(RX300, бензин)
Информация для владельца
Введение в руководство
Руководство по эксплуатации
Устройство автомобиля
Техническое обслуживание
Двигатель и системы
Ремонт двигателей
Система охлаждения
Система питания и выхлопа
Зажигание и управление
Система пуска и заряда
Трансмиссия
Автоматическая коробка
Приводные валы
Ходовая часть
Тормозная система
Передняя подвеска
Задняя подвеска
Рулевое управление
Кузов и салон
Экстерьер (кузов)
Интерьер (салон)
Отопление и вентиляция
Электрооборудование
Оборудование и приборы
Электрические схемы