Инструкции и мануалы для ремонта автомобилей
Мобильная
версия
Статьи
и новости
Карта
сайта
Связь с
админом
Добавить
в закладки
  • Ауди
  • БМВ
  • Чери
  • Шевроле
  • Ситроен
  • Дэу
  • Фиат
  • Форд
  • Хонда
  • Хендай
  • Инфинити
  • Исузу
  • Джип
  • Лексус
  • Ленд Ровер
  • Мазда
  • Мерседес
  • Мицубиси
  • Опель
  • Ниссан
  • Пежо
  • Рено
  • Сааб
  • Шкода
  • Субару
  • Сузуки
  • Тойота
  • Фольксваген
  • Вольво
  • АвтоВАЗ
Lexus:
РИкс▾
РИкс 1 (RX300, бензин)

Вентиляторы системы охлаждения двигателя (Lexus RX300)

  • Главная
  • Лексус
  • РИкс
  • RX300 (1997-2003)
  • Электрооборудование
  • Электрические схемы
  • Вентиляторы системы охлаждения двиг…
0

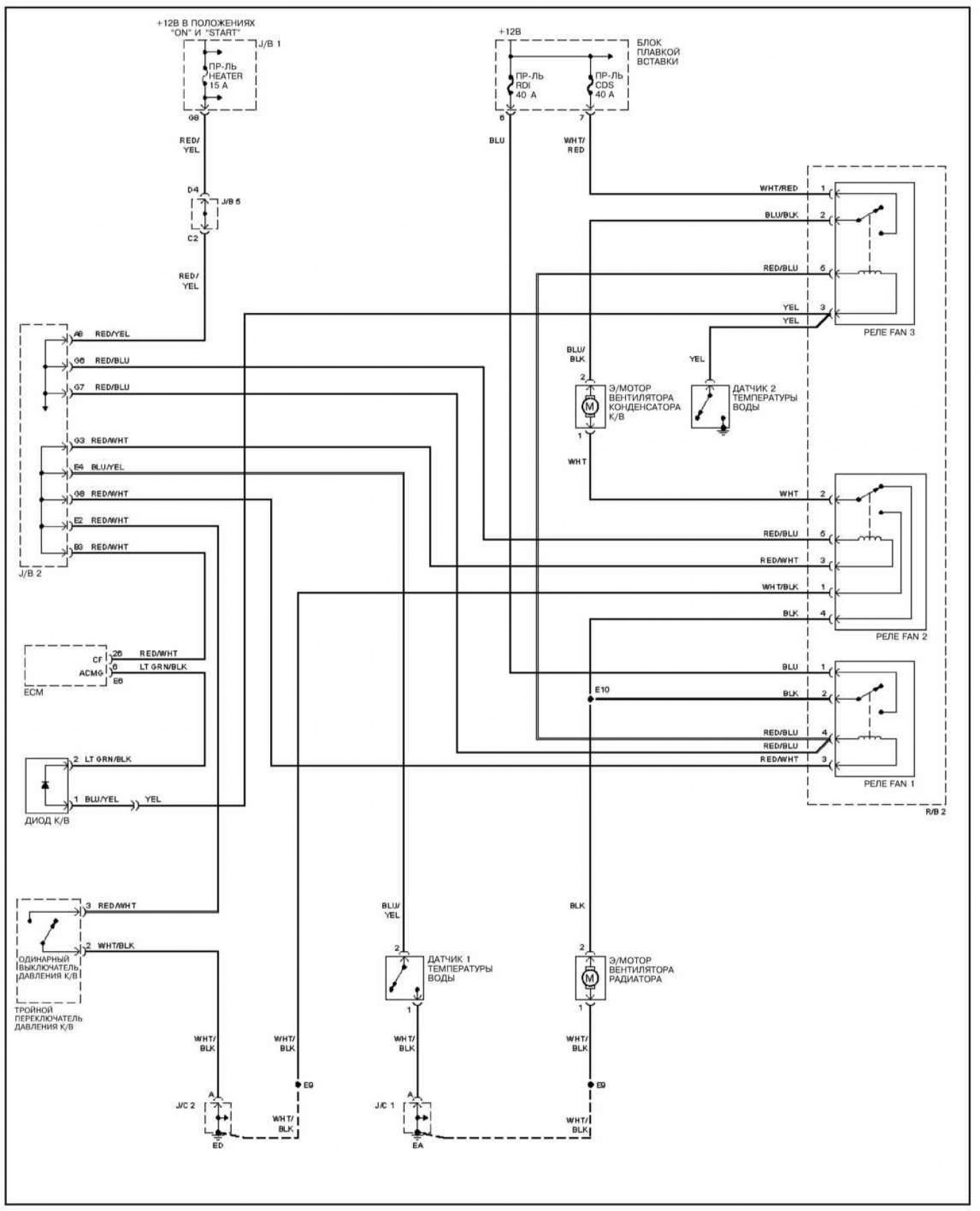
Вентиляторы системы охлаждения двигателя



Вентиляторы системы охлаждения двигателя
Открыть большую картинку в новой вкладке »


Обозначения на схемах электрических соединений находятся здесь →

[Весь материал скопирован с сайта: autoinstruction]
Статья проверена экспертом: Афанасий Михайловский
◀ Предыдущая
Лексус РИкс 300: Электрические схемы
Следующая ▶

Электросхема темпостата
Электросхема системы ABS
Электросхема распределения массы
Электросхема системы распределения мощности
Электросхема системы запуска
Системы отопления и кондиционирования
Обогрев стёкол и зеркал
Очиститель и омыватель ветрового стекла
Очиститель и омыватель стекла двери задка
Электросхема клаксона (звуковой сигнал)
Похожие статьи из автомобилей других марок
Определение неисправностей системы охлаждения двигателя и… Пежо 605 1989-2000
Неисправности системы охлаждения двигателя Рено Симбол 2 2008-2013
Спецификации системы охлаждения двигателя Опель Корса Б 1993-2000
Снятие и установка вентилятора системы охлаждения двигателя Мицубиси Галант 6/7 1987-1998
Определение неисправностей системы охлаждения двигателя и… Мерседес A-Класс W168 1997-2004
Замена шлангов системы охлаждения двигателя Шкода Фабия 6Y 1999-2007
Ссылка на эту статью в разных форматах
TEXTHTMLBB Code
Комментарии и отзывы посетителей
Комментариев пока нет, вы будете первым!
 


Сложите два числа: 29 + 49

       



 

 
Lexus RX 1 (RX300, бензин) 
  • Информация для владельца
  • Введение в руководство
  • Руководство по эксплуатации
  • Устройство автомобиля
  • Техническое обслуживание
  • Двигатель и системы
  • Ремонт двигателей
  • Система охлаждения
  • Система питания и выхлопа
  • Зажигание и управление
  • Система пуска и заряда
  • Трансмиссия
  • Автоматическая коробка
  • Приводные валы
  • Ходовая часть
  • Тормозная система
  • Передняя подвеска
  • Задняя подвеска
  • Рулевое управление
  • Кузов и салон
  • Экстерьер (кузов)
  • Интерьер (салон)
  • Отопление и вентиляция
  • Электрооборудование
  • Оборудование и приборы
  • Электрические схемы
Audi BMW Chery Chevrolet Citroen Daewoo Fiat Ford Honda Hyundai Infiniti Isuzu Jeep Lexus Land Rover Mazda Mercedes-Benz Mitsubishi Opel Nissan Peugeot Renault Saab Skoda Subaru Suzuki Toyota Volkswagen Volvo AvtoVAZ
AutoInstruction.ru © 2020–2025 | Карта сайта | Статьи | Контакты | Поиск по сайту | Добавить в закладки | Мобильная версия
 0.01