Инструкции и мануалы для ремонта автомобилей
Мобильная
версия
Статьи
и новости
Карта
сайта
Связь с
админом
Добавить
в закладки
  • Ауди
  • БМВ
  • Чери
  • Шевроле
  • Ситроен
  • Дэу
  • Фиат
  • Форд
  • Хонда
  • Хендай
  • Инфинити
  • Исузу
  • Джип
  • Лексус
  • Ленд Ровер
  • Мазда
  • Мерседес
  • Мицубиси
  • Опель
  • Ниссан
  • Пежо
  • Рено
  • Сааб
  • Шкода
  • Субару
  • Сузуки
  • Тойота
  • Фольксваген
  • Вольво
  • АвтоВАЗ
Lexus:
РИкс▾
РИкс 1 (RX300, бензин)

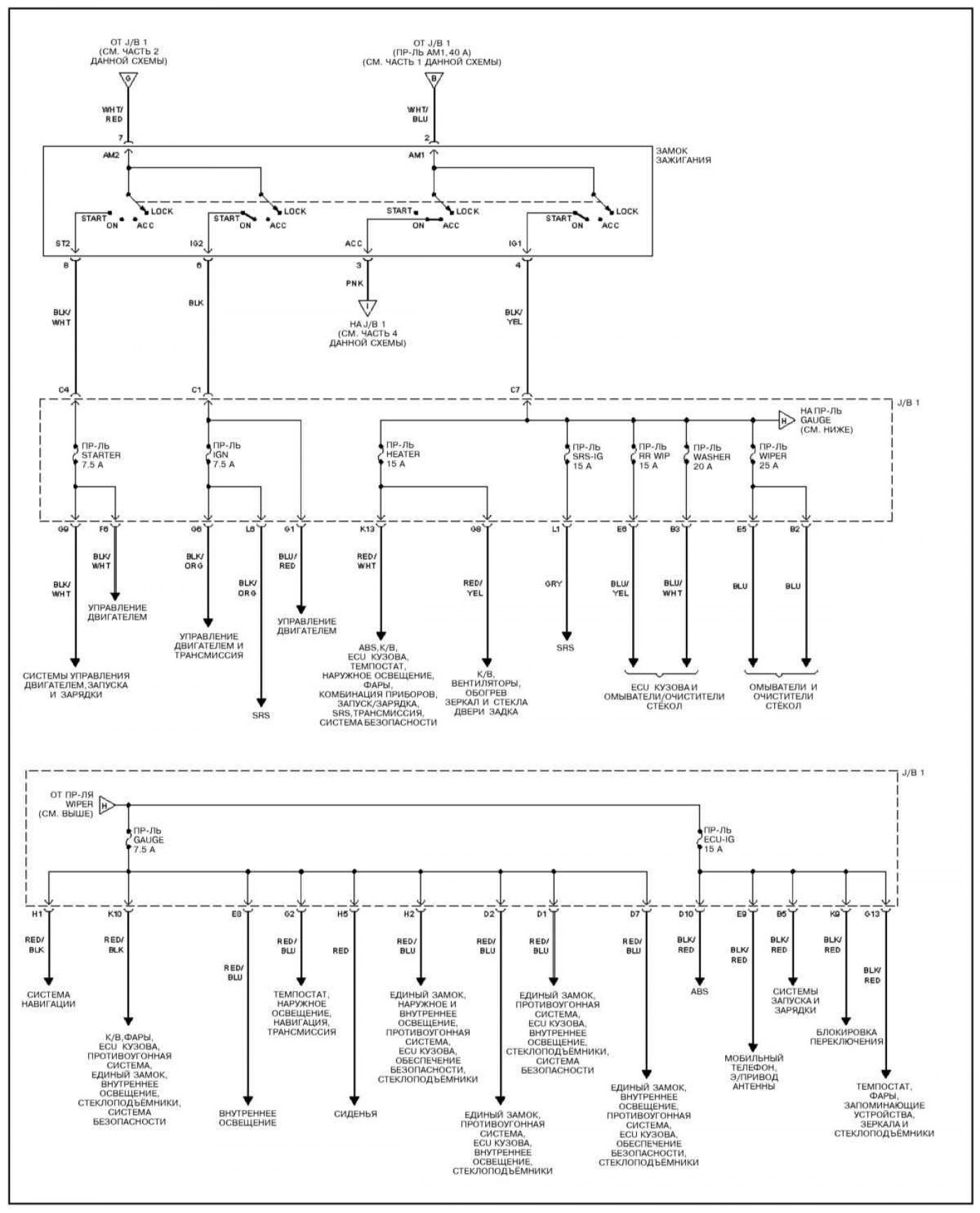
Электросхема системы распределения мощности (Lexus RX300)

  • Главная
  • Лексус
  • РИкс
  • RX300 (1997-2003)
  • Электрооборудование
  • Электрические схемы
  • Электросхема системы распределения …
0

Распределение мощности



Электросхема системы распределения мощности
Открыть большую картинку в новой вкладке »


Электросхема системы распределения мощности
Открыть большую картинку в новой вкладке »


Электросхема системы распределения мощности
Открыть большую картинку в новой вкладке »


Электросхема системы распределения мощности
Открыть большую картинку в новой вкладке »


Обозначения на схемах электрических соединений находятся здесь →

[Источник статьи доступен на сайте: AutoInstruction.ru]
Статья проверена экспертом: Афанасий Михайловский
◀ Предыдущая
Лексус РИкс 300: Электрические схемы
Следующая ▶

Электросхема системы запуска
Электросхема системы заряда
Блокировка переключения режимов АТ
Автоматическая трансмиссия
Система управления двигателем
Электросхема распределения массы
Электросхема системы ABS
Электросхема темпостата
Вентиляторы системы охлаждения двигателя
Системы отопления и кондиционирования
Похожие статьи из автомобилей других марок
Электросхема распределения мощности Тойота Ленд Крузер 100 1998-2007
Электросхема распределения мощности Мерседес C-Класс W203 2000-2007
Электросхема системы заряда Ниссан Микра К12 2002-2010
Электросхема системы управления двигателем K4J Рено Симбол 2 2008-2013
Электросхема вентилятора системы охлаждения Опель Вектра Ц 2002-2008
Электросхема системы зажигания Мицубиси Аутлендер 1 2001-2008
Ссылка на эту статью в разных форматах
TEXTHTMLBB Code
Комментарии и отзывы посетителей
Комментариев пока нет, вы будете первым!
 


Сложите два числа: 16 + 27

       



 

 
Lexus RX 1 (RX300, бензин) 
  • Информация для владельца
  • Введение в руководство
  • Руководство по эксплуатации
  • Устройство автомобиля
  • Техническое обслуживание
  • Двигатель и системы
  • Ремонт двигателей
  • Система охлаждения
  • Система питания и выхлопа
  • Зажигание и управление
  • Система пуска и заряда
  • Трансмиссия
  • Автоматическая коробка
  • Приводные валы
  • Ходовая часть
  • Тормозная система
  • Передняя подвеска
  • Задняя подвеска
  • Рулевое управление
  • Кузов и салон
  • Экстерьер (кузов)
  • Интерьер (салон)
  • Отопление и вентиляция
  • Электрооборудование
  • Оборудование и приборы
  • Электрические схемы
Audi BMW Chery Chevrolet Citroen Daewoo Fiat Ford Honda Hyundai Infiniti Isuzu Jeep Lexus Land Rover Mazda Mercedes-Benz Mitsubishi Opel Nissan Peugeot Renault Saab Skoda Subaru Suzuki Toyota Volkswagen Volvo AvtoVAZ
AutoInstruction.ru © 2020–2025 | Карта сайта | Статьи | Контакты | Поиск по сайту | Добавить в закладки | Мобильная версия
 0.01